This thread has been locked.

If you have a related question, please click the "Ask a related question" button in the top right corner. The newly created question will be automatically linked to this question.

[参考译文] TMS320F280049:TIDA-00961产品页面

Guru**** 2545480 points
Other Parts Discussed in Thread: SFRA

请注意,本文内容源自机器翻译,可能存在语法或其它翻译错误,仅供参考。如需获取准确内容,请参阅链接中的英语原文或自行翻译。

https://e2e.ti.com/support/microcontrollers/c2000-microcontrollers-group/c2000/f/c2000-microcontrollers-forum/1060943/tms320f280049-tida-00961-product-page

器件型号:TMS320F280049
主题中讨论的其他器件:SFRA

您好、C2000 Gurus、

是否不再支持 TIDA-00961 (基于1.6kW GaN 的 TotemPole PFC 设计)? 我在 TI.com 上找不到任何相关信息。  文档和软件是否在  用户可以访问的地方存档?

谢谢、

Hrishi

  • 请注意,本文内容源自机器翻译,可能存在语法或其它翻译错误,仅供参考。如需获取准确内容,请参阅链接中的英语原文或自行翻译。

    Hrishi、

    TI 的某个人将联系您以获取此材料、我们已将其脱机、您已经注意到了这一点。

    最棒的

    Matthew

  • 请注意,本文内容源自机器翻译,可能存在语法或其它翻译错误,仅供参考。如需获取准确内容,请参阅链接中的英语原文或自行翻译。

    谢谢 Matt! 感谢您的快速响应。  

    我一直在寻找这种解决方案、因为我在  今年早些时候遇到了 Jack Tan80的一篇文章 :https://e2e.ti.com/support/microcontrollers/c2000-microcontrollers-group/c2000/f/c2000-microcontrollers-forum/1008597/tms320f280049-zvs-question-about-tida-00961/3731337#3731337

    我在新的一篇文章中回答了他的问题: https://e2e.ti.com/support/microcontrollers/c2000-microcontrollers-group/c2000/f/c2000-microcontrollers-forum/1061022/tms320f280049-answer-to-zvs-question-on-tida-00961

    如果您遇到有关此设计的任何其他未回答的问题、请告诉我。 我很乐意提供帮助。

    最棒的

    Hrishi

  • 请注意,本文内容源自机器翻译,可能存在语法或其它翻译错误,仅供参考。如需获取准确内容,请参阅链接中的英语原文或自行翻译。

    Hrishi 您好、我有一些问题

    问题1:关于控制逻辑、我注意到00961不使用 ZCD 电路检测电感器电流从负变为零时的时刻、以驱动主开关。 似乎使用了预测性控制来配置下一个周期的 ton 和 toff。 以及周期和死区、直接使用 ePWM 模块生成占空比。 我不知道为什么使用这种方法、或者与 ZCD 相比、这种方法是否有任何优势。 此外、通过这种方式、主开关是否会在谐振未完成时打开?

  • 请注意,本文内容源自机器翻译,可能存在语法或其它翻译错误,仅供参考。如需获取准确内容,请参阅链接中的英语原文或自行翻译。

    补充第一个问题的图片 在谐振结束之前、主开关似乎打开。 此时、电感器电流似乎也会振荡。(这种现象是在我增加输入频率)后发生的

  • 请注意,本文内容源自机器翻译,可能存在语法或其它翻译错误,仅供参考。如需获取准确内容,请参阅链接中的英语原文或自行翻译。

    问题2:关于图腾柱 CRM 工作模式的小信号建模、您当时是如何解决的?

  • 请注意,本文内容源自机器翻译,可能存在语法或其它翻译错误,仅供参考。如需获取准确内容,请参阅链接中的英语原文或自行翻译。

    问题3:为什么我们需要不同的 TON_ADCISTING 计算公式来计算电感电流的上升阶段和下降阶段? 此外、对于 TOFF 的计算、似乎使用了 TON_CARC 来计算伏秒平衡、而不是 TON_ADALLED。 为什么是这样?

  • 请注意,本文内容源自机器翻译,可能存在语法或其它翻译错误,仅供参考。如需获取准确内容,请参阅链接中的英语原文或自行翻译。

    很抱歉一次提出这么多问题、因为这个项目的除名给我带来了很多困惑。 没有地方可以寻求建议。 我很高兴看到你的帖子。 谢谢!

  • 请注意,本文内容源自机器翻译,可能存在语法或其它翻译错误,仅供参考。如需获取准确内容,请参阅链接中的英语原文或自行翻译。

    您好、Wei、

    我可以理解您的沮丧、因为这是一个非常复杂的设计。 希望 TI 能够使该设计尽快上线。

    正如我在 https://e2e.ti.com/support/microcontrollers/c2000-microcontrollers-group/c2000/f/c2000-microcontrollers-forum/1061022/tms320f280049-answer-to-zvs-question-on-tida-00961上的另一篇文章中解释的 那样、根据是否检测到 ZVS、每个周期都会调整 Toff 值以接近 ZVS。 您可以将 计算出的 Toff 值视为"粗调"、而基于 ZVS 检测的调整则是实现/接近 ZVS 的"微调"。 这种方法的重点是避免使用直接 ZCD 检测、这种检测在容易产生噪声的过零附近可能不可靠。

    您提到过、您在较高的输入频率下看到了电感器电流振荡。 输入频率是多少? 请勿将其增加到超过设计规格。

    对问题2不确定。 我相信我使用了 SFRA 和补偿设计器工具来帮助闭合环路。

    我相信 TON_ADCGEED 与应用 ZVS 调节时的占空比保护功能相关(请参阅上面提到的我的另一篇文章)。 这是为了在不失真输入电流波形的情况下提供切换调节模式的无缝转换。  

    但愿这对您有所帮助。

    最棒的

    Hrishi

  • 请注意,本文内容源自机器翻译,可能存在语法或其它翻译错误,仅供参考。如需获取准确内容,请参阅链接中的英语原文或自行翻译。

    谢谢!  

    没有 ZCD 的这种控制方法似乎依赖于准确的吨 TOFF 和死区计算。 对于50Hz 输入,50kHz 中断似乎就足够了,但对于更高的输入频率(例如,我将输入增加到400),我发现死区和 TOFF 计算可能不准确, 这将在主开关(Ton)打开时引起问题、就像我的问题1的波形一样。

  • 请注意,本文内容源自机器翻译,可能存在语法或其它翻译错误,仅供参考。如需获取准确内容,请参阅链接中的英语原文或自行翻译。

    请勿将400Hz 输入连接到此系统! 此设计仅接受频率介于47Hz 和63Hz 之间的输入交流信号(通用交流输入)。 请参阅以下输入规格:

    最棒的

    Hrishi

  • 请注意,本文内容源自机器翻译,可能存在语法或其它翻译错误,仅供参考。如需获取准确内容,请参阅链接中的英语原文或自行翻译。

    您好 Hrishi

    关于我的问题3、我不太理解为什么应该在电感电流的上升沿添加 asim_FACTOR 因子。 此外、在 uIN<0.5Uo 时、会引入 TON_adj_dbg 来补偿过零点处的负电流。 我可以理解。 但是、为什么不使用 ton_adj_dbg 的总吨数来计算  这里的 toff、而是使用环路计算的 toff。

  • 请注意,本文内容源自机器翻译,可能存在语法或其它翻译错误,仅供参考。如需获取准确内容,请参阅链接中的英语原文或自行翻译。
    [引用 userid="49833" URL"~/support/microcontrollers/c2000-microcontrollers-group/c2000/f/C2000-microcontrollers-forume/1060943/tms320f280049-TIDA-00961-product-page/3932937#3932937"]这是为了在不扭曲输入/输出电流模式的情况下提供无缝转换[引用/输出波形]

    你能详细说明一下这段话的含义

  • 请注意,本文内容源自机器翻译,可能存在语法或其它翻译错误,仅供参考。如需获取准确内容,请参阅链接中的英语原文或自行翻译。

    您好、Wei、

    关于 TON_adj_dbg: 这与输入(50/60Hz)电压/电流过零周围的转换相关。 根据我的记忆、升压操作在过零点附近停止 、然后在下一个输入半周期开始后重新启动后、便会使用权重因子。  这有助于改善 pf 和 thd 数字。

    最棒的

    Hrishi

  • 请注意,本文内容源自机器翻译,可能存在语法或其它翻译错误,仅供参考。如需获取准确内容,请参阅链接中的英语原文或自行翻译。

    在不失真输入电流波形的情况下无缝转换 TOFF 调节模式

    我所讨论的模式是使用 ZVS 调节(Toff 调整)时的模式。 可以在输入电压/电流波形的半个周期内进入和退出此模式。 当 ZVS 调节不在半个周期中使用时、有源开关的占空比会导致特定的输入电流波形。 添加 ZVS TOFF 调节后、占空比会受到干扰、并可能导致模式转换点半个周期内的输入电流波形失真。 失真量取决于调整量。 使用占空比保留算法、可以显著降低失真。

    但愿这对您有所帮助。

    最棒的

    Hrishi

  • 请注意,本文内容源自机器翻译,可能存在语法或其它翻译错误,仅供参考。如需获取准确内容,请参阅链接中的英语原文或自行翻译。

    谢谢、我注意到00961 ,的 PCB 原理图、您将这些信号命名为 ZCDxxx。 这是否意味着您的原始计划是检测 ZCD 信号以提供关断信号。 因为据我所知,理论上讲,当 uin 大于0.5 uo 时,可以推断出 TOFF 的额外传导时间。 为什么不直接添加到 TOFF 的计算公式中、而是采用这种 ZVS 环路方案

  • 请注意,本文内容源自机器翻译,可能存在语法或其它翻译错误,仅供参考。如需获取准确内容,请参阅链接中的英语原文或自行翻译。

    我们在 一开始就考虑了一些方法、并坚持使用最有效的方法。 是的、可以推断 TOFF、但 您不能仅依靠计算、尤其是在高开关频率下、即使与计算的微小偏差(由于寄生效应、容差等原因)也会对结果产生重大影响。 在此设计上、我们一直到1.2MHz 的开关频率。

    最棒的

    Hrishi   

  • 请注意,本文内容源自机器翻译,可能存在语法或其它翻译错误,仅供参考。如需获取准确内容,请参阅链接中的英语原文或自行翻译。

    您好 Hrishi。

    我注意到原理图中有一个交叉信号、但在实践中似乎没有用到。 我想问的是、该信号最初用于什么?

  • 请注意,本文内容源自机器翻译,可能存在语法或其它翻译错误,仅供参考。如需获取准确内容,请参阅链接中的英语原文或自行翻译。

    关于 ZVS 环路的问题、我注意到只有当输出大于370V 时才允许 ZVS 环路运行。 然后、我将该值调整为170V。 我想看一下低输入、但我发现它不起作用。 我不知道原因。 希望得到您的指导。

    此外、尽管理论上讲、在 uin <0.5Uo 的区域、电路可以自然地实现 ZVS、但我注意到了一些情况。 当整流器关断时、电感器电流尚未降至0、甚至需要很长时间才能降至0、这将浪费死区时间并影响谐振时间、 这可能导致在 uIN<0.5Uo 区域无法实现 ZVS。

  • 请注意,本文内容源自机器翻译,可能存在语法或其它翻译错误,仅供参考。如需获取准确内容,请参阅链接中的英语原文或自行翻译。

    顺便说一下、关于过零点的处理、我们为什么需要检测电流而不是使用锁相环进行所有处理、并且是否有关于选择过零点范围(锁相环大于0.03)的详细信息

  • 请注意,本文内容源自机器翻译,可能存在语法或其它翻译错误,仅供参考。如需获取准确内容,请参阅链接中的英语原文或自行翻译。

    您好、Wei、

    与此设计中的其他一些电路一样、交叉电路用于实验、在最终 版本中未使用。 软件 PLL 用于检测过零点、因此无需使用外部电路。

    此设计已经过优化、可在规格部分中指定的输出电压范围内工作、并适用于特定目标应用。 此设计需要 进行大量更改(固件和硬件)才能 在这些规格之外工作。 不建议在其规格之外操作此设计。

    最棒的

    Hrishi

  • 请注意,本文内容源自机器翻译,可能存在语法或其它翻译错误,仅供参考。如需获取准确内容,请参阅链接中的英语原文或自行翻译。

    谢谢 Hrishi

    我对 ZVS 检测环路的硬件部分有一些问题。

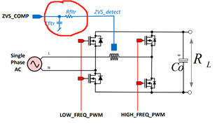
    此原理图是实现 ZVS 检测的电路部分。 在辅助绕组上的电压流经电容器和整流器电桥后、它应该能够反映开关管 VDS 的软开关。

    1 μ A,L302的?、我想问它做什么

    这张图片来自 PPT、其中介绍了00961。 红色圆圈表示检测斜率变化的 CR 差分电路。 我根据图中所示的原理进行了仿真、仿真发现图中所示的电路无法检测到斜率的突然变化、 但是、如果电容器的位置和电阻互换、则可以成功检测到斜率的突然变化。 我不知道原因是什么。

     在 Simulink 中附加我的仿真的部分图片

    最后一个问题:顶部原理图中 CR 差分电路中的 C 和 R 是什么? 它们是 C204吗? 但当空白信号为1时、C204是否短路? 我希望您能详细讨论这个部分的硬件原理。

  • 请注意,本文内容源自机器翻译,可能存在语法或其它翻译错误,仅供参考。如需获取准确内容,请参阅链接中的英语原文或自行翻译。

    您好、Wei、

    我们没有检测到斜率。 请参阅我之前有关如何检测到 ZVS 是否存在的说明。

    不使用空白信号、而是使用 F28004x 上的片上消隐逻辑。 由于 控制卡上的 ADC 抗混叠电容器用于此滤波、因此未组装 C204。

    希望这能解答您的所有问题。

    最棒的

    Hrishi

  • 请注意,本文内容源自机器翻译,可能存在语法或其它翻译错误,仅供参考。如需获取准确内容,请参阅链接中的英语原文或自行翻译。

    您好 Hrishi

    我知道设计中仅使用 ZVS1_2。 它使用 CR 电路来检测电感器辅助绕组上的电压。 如果未实现 ZVS、则会出现尖峰。

     我的)是:L302 μ F 的?(、据我了解、L302应该是一个电容器、它与 R206 μ F 一起构成了用于检测的 CR 电路

  • 请注意,本文内容源自机器翻译,可能存在语法或其它翻译错误,仅供参考。如需获取准确内容,请参阅链接中的英语原文或自行翻译。

    您好 Hrishi

    我使用 GPIO 测试 pwmir 中断的运行、发现波形有一些问题。 绿色是中断波形、蓝色是高频驱动波形。 根据我对代码这一部分的理解、三个高频驱动器应该触发一个中断。 但从实际测试波形来看、这与我的理解不一致。 如果我的理解有误、我期待您的指导。 谢谢!

  • 请注意,本文内容源自机器翻译,可能存在语法或其它翻译错误,仅供参考。如需获取准确内容,请参阅链接中的英语原文或自行翻译。

    PWM ISR 不连续运行。 它仅在控制 ISR 命令更改频率或占空比时运行。 触发 PWM ISR 后、它可能会重新触发2次或3次、具体取决于占空比/频率的变化量、并确保 PWM 输出处的变化是无缝的。 PWM ISR 的这一再触发发生在 FSW/3的速率下。

    希望这对您有所帮助。

    Hrishi

  • 请注意,本文内容源自机器翻译,可能存在语法或其它翻译错误,仅供参考。如需获取准确内容,请参阅链接中的英语原文或自行翻译。

    谢谢你 Hrishi,真的帮了我很多!

     我还有其他一些问题。

    该波形图是关于 ZVS 检测部件的调试。 深蓝色线表示使用 GPIO 的我输出的 PWMISR 的运行状态。 浅蓝色表示电感器电流。 三通道红线是 DAC 的 ZVS_Lost 信号 I 输出。 四通道绿色线是我使用 outX-bar 将 Cmpss 输出置于 GPIO 端口的输出。

    很明显、可以看出当 PWMISR 正在运行时(深蓝色线为高电平)、没有 ZVS 信号(绿线有脉冲)、但此时 ZVS_Lost 信号(红色)为0。 这意味着尚未检测到脉冲。 我已经对这个问题感到困惑了很长时间、我不知道原因。 我想知道你的意见和建议,谢谢!

  • 请注意,本文内容源自机器翻译,可能存在语法或其它翻译错误,仅供参考。如需获取准确内容,请参阅链接中的英语原文或自行翻译。

    我觉得我对这个问题没有详细说过,因为我想测试 ZVS 检测的准确度,所以我删除了在代码的 uin >0.5uo 区域添加了 TOFF 的代码。

    如果您对我的方法有任何疑问、请告诉我。帮助您回答!