您好专家、
我的客户在使用 CMPSS 和 PWM 直流模块期间遇到了一些问题。
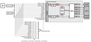
它们使用 CMPSS 来比较电流和电压输出。 和输出、即带空白窗口的 CTRIPH -> TRIP4 -> DCAEVT1

问题1:根据 正输入和负 输入、我假设 CTRIPH 是高电平或低电平。 我是对的吗?
问题2:但我想知道 DCAEVT1 (作为 T1操作)是否仅在上升沿工作? 上升沿下降到消隐窗口时间。 这是否意味着、我们在此期间错过了它?
同时、我发现 COMPHSTS 是否会影响 RAMPSTS、如果发生这种情况、RAMPSTS 将停止降低、 直到下一个 EPWMSYNCPER。
问题3:问题是 ,COMPHSTS 和 CTRIPH 之间的关系是什么?
我的即时理解是 、COMPHSTS 将在 CTRIPH 的上升沿有一个脉冲。 我是对的吗?

BR
Emma
