This thread has been locked.

If you have a related question, please click the "Ask a related question" button in the top right corner. The newly created question will be automatically linked to this question.

[参考译文] TMS320F28377S:C2000™︎微控制器论坛

Guru**** 2478765 points


请注意,本文内容源自机器翻译,可能存在语法或其它翻译错误,仅供参考。如需获取准确内容,请参阅链接中的英语原文或自行翻译。

https://e2e.ti.com/support/microcontrollers/c2000-microcontrollers-group/c2000/f/c2000-microcontrollers-forum/785762/tms320f28377s-c2000-microcontrollers-forum

器件型号:TMS320F28377S
您好!
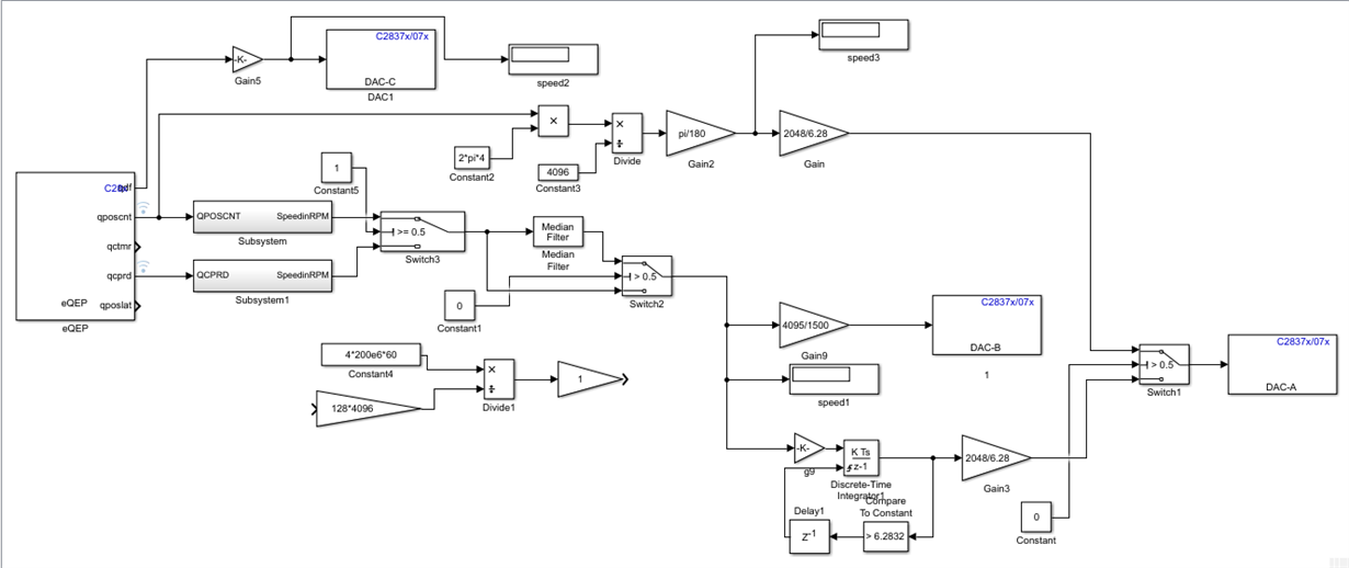
我正在使用 DSP F28377s 通过编码器通过 eQEP 块估算交流机器的转子速度和位置。 我正在通过 DAC 观察转速和转子位置。 根据 https://e2e.ti.com/support/microcontrollers/c2000/f/171/t/617754 和 https://in.mathworks.com/matlabcentral/answers/353589-simulink-eqep-block-for-speed-calculation-with-c2000-mcu 中提供的说明、当直流电机和交流电机用作发电机时、速度估算很好。 但是、当我在交流机器上执行 v/f 控制时观察速度时、电机以命令给出的速度旋转、但通过编码器进行的估算不正确。
我是根据方便情况连接模型的。 我是否需要更改开关频率? 在速度计算中是否存在任何中断不匹配问题?
我非常感谢。
此致、
Pradyumna Ranjan Ghosh