This thread has been locked.

If you have a related question, please click the "Ask a related question" button in the top right corner. The newly created question will be automatically linked to this question.

[参考译文] TMS320F28377S:无法从目标板上的内部闪存启动

Guru**** 2457760 points
Other Parts Discussed in Thread: TMS320F28377S

请注意,本文内容源自机器翻译,可能存在语法或其它翻译错误,仅供参考。如需获取准确内容,请参阅链接中的英语原文或自行翻译。

https://e2e.ti.com/support/microcontrollers/c2000-microcontrollers-group/c2000/f/c2000-microcontrollers-forum/713920/tms320f28377s-unable-to-start-from-internal-flash-on-target-board

器件型号:TMS320F28377S

您好!

我们将测试配备 TMS320F28377S 的最终电路板、但在某些电路板上、我们无法启动存储在 DSP 内部闪存中并运行的应用。

  • 我们已通过 JTAG 刷写 DSP 并对其进行调试:它起作用
  • 保持 JTAG 连接、我们已关闭/切换目标板、使用 Code Composer 连接应用、加载应用程序符号:应用程序正在运行、我们已对其进行了调试。
  • 我们关闭了目标板、删除了 JTAG、验证了 GPIO 是否已正确设置为从闪存引导。 然后、我们打开了 DSP、但应用尚未启动。

 

然后、我们进行了一些故障排除、加载了 TI ROM 引导加载程序的符号、并发现:

  • TI ROM 引导加载程序无法检查具有无效值的 EMUKEY
  • 应用程序进入 WaitBoot()过程并永久循环

 

我们必须注意到、同一应用在另一个目标板上正确运行:DSP 是否在一个生产批次和另一个生产批次之间存在差异? 在刷写应用程序之前,是否必须以任何方式‘初始化’DSP?

 

此致、

Nicola

  • 请注意,本文内容源自机器翻译,可能存在语法或其它翻译错误,仅供参考。如需获取准确内容,请参阅链接中的英语原文或自行翻译。

    尼科拉

    [引用] TI ROM 引导加载程序无法检查具有无效值的 EMUKEY

    这仅适用于仿真启动、 这意味着 JTAG 已连接。 在独立模式下、EMUKEY 无关紧要。  在 独立模式下启动器件时、您能否检查 XRSn 引脚的状态? 如果 XRSn 正在切换、则可能存在一些电路板问题(例如电源不稳定)。

    [引述] DSP 在一个生产批次和另一个生产批次之间是否存在差异? [/报价]

    否、除非器件型号不同、否则不应存在任何差异。

    [‘]在刷写应用程序之前,是否必须以任何方式对 DSP 进行“初始化”? [/报价]

    所有初始化都由 BootROM 代码完成、这在所有器件上都是相同的、因此不会导致任何问题。

    此致、

    Vivek Singh

  • 请注意,本文内容源自机器翻译,可能存在语法或其它翻译错误,仅供参考。如需获取准确内容,请参阅链接中的英语原文或自行翻译。

    您好、Vivek、

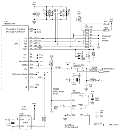
    我们实际上已经检查了 XRSn 引脚。 在下图中、这些信号:

    其中:

    • TraceTM 1:XRS 引脚(PQFP 176 num.124)
    • TraceTM 2:GPIO84 (PQFP 176 num.154)
    • TraceTM 3:GPIO72 (PQFP 176 num.139)

    在下一张图中、生成这些信号的电气原理图为:

    此致、

    Nicola

  • 请注意,本文内容源自机器翻译,可能存在语法或其它翻译错误,仅供参考。如需获取准确内容,请参阅链接中的英语原文或自行翻译。
    Nicola、您是否仍在电路板上遇到此问题? 很抱歉耽误你的回答。
  • 请注意,本文内容源自机器翻译,可能存在语法或其它翻译错误,仅供参考。如需获取准确内容,请参阅链接中的英语原文或自行翻译。
    关闭螺纹。 如果您仍面临此问题、请重新打开此主题或启动新主题。