请注意,本文内容源自机器翻译,可能存在语法或其它翻译错误,仅供参考。如需获取准确内容,请参阅链接中的英语原文或自行翻译。
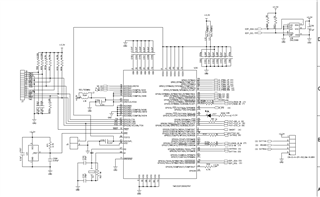
器件型号:TMS320F28062 芯片通电后还能工作、然后芯片发热、温度达到80°C 直至崩溃; 冷却后、这个现象在再洗后又出现了、换芯片后还可以正常工作、到目前为止已经发现了20块、在分析中很难起到辅助作用

This thread has been locked.
If you have a related question, please click the "Ask a related question" button in the top right corner. The newly created question will be automatically linked to this question.
芯片通电后还能工作、然后芯片发热、温度达到80°C 直至崩溃; 冷却后、这个现象在再洗后又出现了、换芯片后还可以正常工作、到目前为止已经发现了20块、在分析中很难起到辅助作用

如果器件在上电后迅速发热、则会指向电路板上的某个问题。 一个或多个 GPIO 引脚可能具有非常低的阻抗路径、从而导致从电源引脚汲取过多电流。 问题可能不是与设备有关、而是与外部设备有关。 但您还提到、更换设备后问题已解决、这意味着设备本身存在问题。 每个器件在发货前都经过测试、因此损坏可能是在处理 PCB 或焊接到 PCB 时发生的。 我假设在处理和生产过程中都遵守了所有 ESD 预防措施。