主题中讨论的其他器件:SysConfig
工具与软件:
尊敬的 Champs:
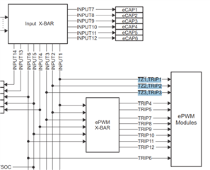
客户希望使用 GPIO27作为 Epwm12的 TZ 信号、具体方法如下:
GPIO27作为 InputXbar4的输入源;如下所示:

然后配置 EPWMXbar:

DCxEVT 被用作 TZ 的触发信号


但是、客户发现在使用 SysConfig 对其进行配置后、他们需要设置以下寄存器、如下所示:
EPwm1Regs.TZCLR.all = 0x7fff;EPwm1Regs.TZOSTCLR.all = 0x00ff;
否则、EPwm1Regs.TZOSTFLG.bit.DCAEVT1将设置为1、这是配置问题吗? 或者 在使用 SysConfig 后、需要手动清除 TZCLR。
您能帮助检查一下吗? 谢谢!
Julia


