This thread has been locked.

If you have a related question, please click the "Ask a related question" button in the top right corner. The newly created question will be automatically linked to this question.

[参考译文] LMK00804B:在 LVCMOS 输入转换时查看输入端注入的噪声

Guru**** 2513845 points
Other Parts Discussed in Thread: LMK00334, LMK00804B, LMK1C1104, LMK00304

请注意,本文内容源自机器翻译,可能存在语法或其它翻译错误,仅供参考。如需获取准确内容,请参阅链接中的英语原文或自行翻译。

https://e2e.ti.com/support/clock-timing-group/clock-and-timing/f/clock-timing-forum/1477454/lmk00804b-seeing-noise-injected-on-input-when-lvcmos-input-is-sleected

器件型号:LMK00804B
主题中讨论的其他器件: LMK1C1104LMK00304、LMK00334、LMK00804

工具与软件:

我发现了一个问题、即器件的输入端会产生噪声、输出变得无法使用/不稳定。

由于 LVCMOS 和 DIFF 输入上的1Hz (1 PPS)输入均设置为 CMOS 输入、因此当 CLK_SEL 从1更改为0时、我会看到所有输入和输出上的噪声。

当它为1时、两个输入看起来都正常、并且输出遵循所选的输入。  我看到了问题、那就是当我将 CLK_SEL 更改为0时、

我应该寻找什么来帮助确定看到此错误的原因。  如果不使用任何信号驱动 LVCMOS 输入、我也会看到此问题。

所示。  缓冲器输入= LVCMOS 输入)  电阻分压器是差分输入的 P half。  ZL_INPUT 是 LMK008804  PPS_CLK_SEL 的输出、是选择输入。

  • 请注意,本文内容源自机器翻译,可能存在语法或其它翻译错误,仅供参考。如需获取准确内容,请参阅链接中的英语原文或自行翻译。

    James、您好!  
    本例中的基准时钟是多少?  
    我觉得这很奇怪、您能否也分享一下原理图?  

    此致、  

    Vicente  

  • 请注意,本文内容源自机器翻译,可能存在语法或其它翻译错误,仅供参考。如需获取准确内容,请参阅链接中的英语原文或自行翻译。

    您好、Vicente:

    是否有任何关于此问题的见解或观察结果?

    谢谢

    -Jim D.

  • 请注意,本文内容源自机器翻译,可能存在语法或其它翻译错误,仅供参考。如需获取准确内容,请参阅链接中的英语原文或自行翻译。

    您好、Vicente:

    温柔的提醒。

    另外、我还有其他一些工程师也希望遵循此案例。

    是否可以在此案例中添加人员?

    谢谢

    -Jim D.

  • 请注意,本文内容源自机器翻译,可能存在语法或其它翻译错误,仅供参考。如需获取准确内容,请参阅链接中的英语原文或自行翻译。

    Jim、您好!  

    很抱歉此处的响应延迟、Vicente 已不在办公室、 团队的其他成员未看到有关此主题的新回复。  

    输入端的上升时间大约为2.5us。 这会产生大约3.3V/2.5us = 0.00132 V/ns 的压摆率、这远低于建议值(有关输入压摆率的注意事项、请参阅 LMK00804B 数据表的第10.6.3节)、并可能导致输出抖动。  

    如果可能、您可以尝试提高输入压摆率。 另一种选择是使用 LMK1C1104、该器件可以承受更低的输入压摆率、可能更适合1pps 应用。  

    此致、  

    Connor  

  • 请注意,本文内容源自机器翻译,可能存在语法或其它翻译错误,仅供参考。如需获取准确内容,请参阅链接中的英语原文或自行翻译。

    尊敬的 Connor:

    当我放大前沿时、LVCMOS 输入的上升时间约为20ns、而 CLKp 输入的上升时间约为15ns。  我确实尝试了一个实验来改善 LVCMOS 输入的上升时间、并将其下降到大约10ns。  这是通过简单地更改串联电阻器来实现的。  要改进它,更多将需要稍微修改卡.  但我实际上开始朝着那个方向前进。

    您是否认为上升时间的改善会缓解问题并改善信号?  当我选择差分输入的15ns RT 时、信号看起来是否正常、但是当我选择 LVCMOS 输入的20ns RT 时、我会得到所有抖动。  我当时想、通过抖动、数据表指的是相位噪声高于输出不稳定。

    我无法使用1104、因为我需要能够在两个时钟之间进行选择。  实际上、我需要在3个时钟之间进行选择。  您能否推荐一款可以在3个 LVCMOS 输入和驱动3个输出之间进行选择的器件。

    谢谢

    -Jim D.

  • 请注意,本文内容源自机器翻译,可能存在语法或其它翻译错误,仅供参考。如需获取准确内容,请参阅链接中的英语原文或自行翻译。

    感谢您的澄清、 如果上升时间实际上在10-20ns 范围内、那么 输入压摆率可能不是问题。 您能否分享您的设置原理图?

    遗憾的是、我们的3输入缓冲器选项有点有限。 我们有 LMK00304/LMK00334可以使用、但 OSCin 引脚需要交流耦合、这可能会在1Hz 时出现问题。 您是否需要 LVCMOS 输出、或者差动输出格式能否 正常工作?  

    此致、  

    Connor  

  • 请注意,本文内容源自机器翻译,可能存在语法或其它翻译错误,仅供参考。如需获取准确内容,请参阅链接中的英语原文或自行翻译。

    我如何向您提供原理图?

    我看到可以把他们拖下来聊天、但不确定浏览过论坛的其他人是否可以下载

  • 请注意,本文内容源自机器翻译,可能存在语法或其它翻译错误,仅供参考。如需获取准确内容,请参阅链接中的英语原文或自行翻译。

    您可以在此处附加原理图、但通过论坛阅读的其他人可以看到附件。 如果您希望保护他们的隐私、我们可以将此讨论移至电子邮件主题。  

    我主要对 缓冲器的输入/输出终端感兴趣、如果您可以发送一段也可以正常工作的部分的话。  

    此致、  

    Connor  

  • 请注意,本文内容源自机器翻译,可能存在语法或其它翻译错误,仅供参考。如需获取准确内容,请参阅链接中的英语原文或自行翻译。

    LMK00804的 CLK 输入的示波器布线

    我的设计中有一个初始错误、我将在新的布局 上进行更正、并已在待测试的卡上进行更正。  差分 CLK 输入 来自一个 FET 开关、在该开关 上只有一个输入具有上拉/下拉电阻。  对于受测卡、我已将其移至 LMK00804本身的 CLK 引脚上。  (PD 每个均为100 Ω。  将更改为较低的值、以使 DIFF 信号< 1.3V)。

    受测的 LMK00804:U5001.

                   LVCMOS 输入:来自背板连接器的 OCB_CB_GPS_PPS、该连接器由另一个卡上的同一部件驱动。

                   CLK 输入:来自 FET 多路复用器的 PPS_MUX_OUT (U5003)

                                   输入是什么

                                                   来自连接到 RJ45连接器的差分接收器的 TOD_PPS

                                                   GPS_1Hz_SYNCIN 来自连接到 DIN 连接器的输入缓冲器。

                                                                   该信号具有已移至 LMK00804 CLK 引脚的上拉/下拉电阻器。

    原理图片段

  • 请注意,本文内容源自机器翻译,可能存在语法或其它翻译错误,仅供参考。如需获取准确内容,请参阅链接中的英语原文或自行翻译。

    Jim、您好!  

    很遗憾、我无法打开您上次回复中的附件。 您能再次尝试发送吗? 如果这仍然不起作用、您可以通过 c-lewis3@ti.com 与我创建电子邮件主题帖。  

    此致、  

    Connor  

  • 请注意,本文内容源自机器翻译,可能存在语法或其它翻译错误,仅供参考。如需获取准确内容,请参阅链接中的英语原文或自行翻译。

    尊敬的 Connor:

    我创建了一个2页的 PDF 并将其附在此处。  如果您仍然看不到、我们可以按照您的建议通过电子邮件完成此操作。

    谢谢

    -Jim D.


    e2e.ti.com/.../e2e_5F00_ti_5F00_lmk00804b_5F00_sch_5F00_shots.pdf

  • 请注意,本文内容源自机器翻译,可能存在语法或其它翻译错误,仅供参考。如需获取准确内容,请参阅链接中的英语原文或自行翻译。

    Jim、您好!  

    感谢发送新文件,我可以在我的最后打开它 一些澄清问题:  

    1."OCB_CB_GPS_PPS"网络在驾驶员侧是否有任何其他串联元件、端接等? 还是直接连接至接收 LMK00804B? VOL = 0.9V 和 VOH = 2.35V 不是我期望从 LVCMOS 驱动器获得的、但波形看起来非常清晰。  

    2.我看到您提到过您成功使用另一个 LMK00804B 将 1Hz 信号驱动到接收 LMK00804B 的 LVCMOS 输入(显示在您发送的原理图上)。 它们的配置方式是否有差异? 它们之间的总路由时间是多长?  

    我没有看到任何明显的问题可以解释这种行为。 根据系统的其余部分、将"GPS_PPS_CLK_SEL"拉低是否会在某种程度上 向"OCB_CB_GPS_PPS"引入噪声? 我还想知道在 LVCMOS 输入中添加一个小负载(可能为5-10pF)是否有助于滤除部分这种噪声、尽管这并未解决问题的根本原因。  

    此致、  

    Connor  

  • 请注意,本文内容源自机器翻译,可能存在语法或其它翻译错误,仅供参考。如需获取准确内容,请参阅链接中的英语原文或自行翻译。

    尊敬的 Connor:

    1) 1)另一个驱动器的输出端有一个串联电阻器。  它目前是48欧姆,在一个测试卡上,我把它更改为0欧姆获得更快的边缘,但这得到了很多过冲(正如预期)。  我需要返回并尝试其他一些值(可能10是幸运数字)。  该信号来自 U5001引脚14、因此卡之间的同一 LMK00804连接在一起。

    2)两者之间有很多蚀刻。  中间板上有29英寸的驱动器到中间板、通过中间板上大约1.5英寸、然后返回到卡中、再接收大约29英寸的网。

    我正在研究如何锐化 lmk00804输入的上升时间。

    谢谢

    -Jim D.

  • 请注意,本文内容源自机器翻译,可能存在语法或其它翻译错误,仅供参考。如需获取准确内容,请参阅链接中的英语原文或自行翻译。

    别提了、显示的波形是差分 PAR 的 CLKp 输入、而不是 LVCMOS 输入。  一旦我更改为不同的串联项值、我将获得该示波器屏幕截图并发送。

  • 请注意,本文内容源自机器翻译,可能存在语法或其它翻译错误,仅供参考。如需获取准确内容,请参阅链接中的英语原文或自行翻译。

    尊敬的 Connor:

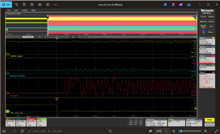
    就会有机会再次回到这个问题上来。  我在这里谈到了 SI eng、他指出、我更改器件的 CLK_SEL 输入那一刻、输出就会变得不稳定。  在 CLK_SEL 线路发生变化时、输入保持稳定。  他认为这不是输入时钟的压摆率问题。  您能调查一下为什么仅仅更改 CLK_SEL 会导致输出不稳定吗?  它才从1变为0时的状态、以及为什么。  当它变回1时、输出再次变为稳定。  前4个示波器屏幕截图中的最后一个示波器屏幕截图显示了这一点。  还附上了一些采样率更好(800ps/pt)的照片。  我将了解如何向 LVCMOS 输入添加5pF、但信号恰好在 CLK_SEL 更改之前。  我还将介绍一些示波器快照、以及更好的探头接地。

    谢谢

    -Jim D.

  • 请注意,本文内容源自机器翻译,可能存在语法或其它翻译错误,仅供参考。如需获取准确内容,请参阅链接中的英语原文或自行翻译。

    Jim、您好!  

    我再看一下、看看我是否可以在实验中在 EVM 上复制相同类型的行为、希望这将有助于找到根本原因。 我应该能够在本周结束之前向您通报一些结果。  

    此致、  

    Connor  

  • 请注意,本文内容源自机器翻译,可能存在语法或其它翻译错误,仅供参考。如需获取准确内容,请参阅链接中的英语原文或自行翻译。

    尊敬的 Connor:

    我还尝试了另一个实验、从机箱中取出卡、然后在工作台上为其加电。  那么、此时实际上没有什么东西会将 LVCMOS 输入驱动到部件中。  该器件也不会驱动除卡上的蚀刻之外的任何其他东西。  在过去我曾尝试移除提供输入的卡、但将 DUT 留在机箱内。  对于独立测试、我没有看到输出行为异常、就像在系统中那样。  但是、我还能够将信号更好地接地到示波器、因为我无需依赖引出的接地线。  我刚接触到一个切掉的机箱、所以将尝试将卡放回原位、并在其中做更好的探测。  也会像之前建议的那样尝试添加5pF 电容器。

    谢谢

    -Jim D.

  • 请注意,本文内容源自机器翻译,可能存在语法或其它翻译错误,仅供参考。如需获取准确内容,请参阅链接中的英语原文或自行翻译。

    尊敬的 Connor:

    您是否认为 CLK_SEL 线路上的较大下冲可能导致该问题?  看起来我看到了信号上大约-1.8V 的下冲。  输出大约在这个时间开始振铃。  此外、还进行了一个实验、当 CLKSEL 更改为0时、没有任何信号进入 LVCMOS 输入并进行了放大。  我看到此时输出端出现振铃、但它会稳定到0、因为输入端没有任何内容。  遗憾的是、该信号上没有串联电阻。  我将看看我是否能找到一个二极管来放置在 CLK_SEL 上、以至少更好地限制其欠压。

  • 请注意,本文内容源自机器翻译,可能存在语法或其它翻译错误,仅供参考。如需获取准确内容,请参阅链接中的英语原文或自行翻译。

    Jim、您好!  

    我有机会在 EVM 上尝试这一点、它看起来确实像 CLK_SEL 上的下冲会导致输出上出现一些振荡/干扰。 根据我的测试、在该问题出现之前、阈值似乎在-0.7V 左右。 无论 LVCMOS_CLK 上是否有有效输入、我还会看到相同的振荡行为。  

    请告诉我您是否 能够消除电路板上的此下冲、希望这可以解决您的问题。  

    此致、  

    Connor