This thread has been locked.

If you have a related question, please click the "Ask a related question" button in the top right corner. The newly created question will be automatically linked to this question.

[参考译文] TPL5111:将计时间隔扩展到24小时的方法

Guru**** 2770835 points

Other Parts Discussed in Thread: TPL5111

请注意,本文内容源自机器翻译,可能存在语法或其它翻译错误,仅供参考。如需获取准确内容,请参阅链接中的英语原文或自行翻译。

https://e2e.ti.com/support/clock-timing-group/clock-and-timing/f/clock-timing-forum/1506408/tpl5111-ways-to-extent-the-timing-interval-to-24-hours

器件型号:TPL5111

工具/软件:

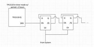
 TPL5111具有所有正确的参数、但计时持续时间除外:它不提供超过30分钟的计时间隔。

是否有办法扩展这个价值、或者是否有其他可以发挥作用的 TI 产品?

谢谢、

Alex

  • 请注意,本文内容源自机器翻译,可能存在语法或其它翻译错误,仅供参考。如需获取准确内容,请参阅链接中的英语原文或自行翻译。

    您好 Alex、

    您可以使用触发器来延长时间间隔。 触发器会使时间间隔加倍。 例如: