请注意,本文内容源自机器翻译,可能存在语法或其它翻译错误,仅供参考。如需获取准确内容,请参阅链接中的英语原文或自行翻译。
器件型号:LMX2572 工具/软件:
你好。
我对 LMX2752LPEVM 有疑问。
我购买了 LMX2572LPEVM、并检查 LMX2572LP 的运行情况。
我能够确认射频频率正在传输。
我正在将要在 LMX2572LP 中设置的寄存器设置导出、并尝试将寄存器设置从我使用的器件 (FPGA) 写入 LMX2572LP。
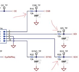
LMX2572LPEVM 的 SPI 时钟 (SCK) 慢于 125kHz、因此我从 FPGA 写入了 SCK:5MHz、但写入的数据在寄存器中没有设置。
我使用示波器观察到 FPGA 的输出数据、并确认时序没有问题、但设置的数据未反映在寄存器中。
SPI-IF 或 SCK 是否有任何限制?
SCK 是否确实可以用于 75MHz?
感谢您的建议。
