This thread has been locked.

If you have a related question, please click the "Ask a related question" button in the top right corner. The newly created question will be automatically linked to this question.

[参考译文] LMK1C1104:LMK1C1104_下冲放大器;过冲电压电平

Guru**** 2553450 points
Other Parts Discussed in Thread: LMK1C1104

请注意,本文内容源自机器翻译,可能存在语法或其它翻译错误,仅供参考。如需获取准确内容,请参阅链接中的英语原文或自行翻译。

https://e2e.ti.com/support/clock-timing-group/clock-and-timing/f/clock-timing-forum/1554429/lmk1c1104-lmk1c1104_undershoot-overshoot-voltage-levels

器件型号:LMK1C1104


工具/软件:

大家好!

 我使用 LMK1C1104、并在输入引脚 1 处观察到大约–1V 的下冲电压持续~30nS

我无法在数据表中看到下冲和过冲值。 因此需要下面的输入、

1) 下冲和过冲电压电平

2)–1V@30nS 下冲是否可以接受?

此致、

安巴拉苏

  • 请注意,本文内容源自机器翻译,可能存在语法或其它翻译错误,仅供参考。如需获取准确内容,请参阅链接中的英语原文或自行翻译。

    尊敬的 Anbarasu:

    LMK1C 未表征或指定过冲和下冲。 鉴于器件是 CMOS 驱动器、发生下冲或过冲的唯一方法是器件中的阻抗不匹配。

    您能否提供原理图和示波器屏幕截图?

    谢谢、

    Michael

  • 请注意,本文内容源自机器翻译,可能存在语法或其它翻译错误,仅供参考。如需获取准确内容,请参阅链接中的英语原文或自行翻译。

    您好、Michael:

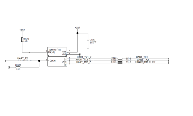
     我们用于 UART 通信的 LMK1C、请参阅以下原理图:

    输入引脚处的波形、

    注意:该 UART 输入连接通过 Borad-Board 连接器从另一电路板连接。

    此致、

    安巴拉苏

  • 请注意,本文内容源自机器翻译,可能存在语法或其它翻译错误,仅供参考。如需获取准确内容,请参阅链接中的英语原文或自行翻译。

    您好、Anbarasu、  
    我建议客户使用 IBIS 模型进行 SI 仿真。  
    客户可以对其通道进行建模、以查看是否发现过冲/下冲。  

    就像 Michael 已经建议的那样、我也怀疑由于电路板之间通过连接器的连接而导致的阻抗不匹配或反射。  

    此致、  

    Vicente  

  • 请注意,本文内容源自机器翻译,可能存在语法或其它翻译错误,仅供参考。如需获取准确内容,请参阅链接中的英语原文或自行翻译。

    尊敬的 Anbarasu:

    为了加上上面所述的 Vicente、该器件的绝对最大额定值指定输入引脚可承受的最小电压为–500mV。 不建议施加比该值更低的电压、因此可以按顺序解决阻抗不匹配问题(基于这个上升沿下降如此快的事实,我怀疑这是负载导致的,即 LMK1C 输入端或附近的阻抗高于线路中的较早值)。

    谢谢、

    Michael

  • 请注意,本文内容源自机器翻译,可能存在语法或其它翻译错误,仅供参考。如需获取准确内容,请参阅链接中的英语原文或自行翻译。

    感谢你的反馈,让我看看从我这边。

  • 请注意,本文内容源自机器翻译,可能存在语法或其它翻译错误,仅供参考。如需获取准确内容,请参阅链接中的英语原文或自行翻译。

    谢谢 Michael、我确定了源极侧有串联电阻(其他电路板上的平均 TX 侧)。

    我们将添加端接电阻器以避免此问题。