主题中讨论的其他部件:CDCM6208
您好,
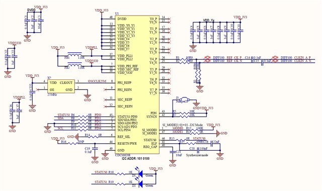
我正在使用 CDCM6208V1HRGZR部件号(上面提到的是F,因为它不接受H型)。
我的配置是-
1. DVDD和VDD_yx。 连接到3V3的所有电源,包括VDD_PLLx,VDD_PRI_REF,VDD_SEC_REF和VDD_VCO。
2.在PRI_REFP和PRI_REFN连接的25MHz 3.3V振荡器处于浮动状态。 sec_REFx引脚也浮动。
3.状态引脚连接到LED。
4. SCL和SDA连接到系统I2C,电压为3.3V。
5. AD0和AD1是GND,使器件I2C地址为0x54 (7位)。
6. Ref_SEL接地。
7. RESETn是浮动的(因为它有内部上拉功能)。
8.仅O/p使用Y4_P和Y4_N,所有其它都是浮动的。
9. PDN和SYNCN分别通过10K与VDD绑定。
10. SI_MODE0=1,SI_MODE1=0。
11.10uF REG_CAP和499R,22nF和100pF (ELF)。
我在设备方面遇到了两个问题:
1.设备在I2C线路上没有响应,而I2C工作正常,系统上的所有其他设备工作正常。
2.我看到一个50MHz时钟,在SPI/I2C模式下,它应该是Y4,但我看到两个时钟都是同相时钟,而预期是一个补充信号。
在之前的一个论坛中,我看到当VDD_SEC_REF接通电源且SEC_REFx为浮点时,设备不与I2C通信。 这是真的吗?
请就上述两个问题提出建议。
谢谢!
Pankaj


