This thread has been locked.

If you have a related question, please click the "Ask a related question" button in the top right corner. The newly created question will be automatically linked to this question.

[参考译文] CDCE913:请求查看示意图

Guru**** 2510345 points
Other Parts Discussed in Thread: CDCE925

请注意,本文内容源自机器翻译,可能存在语法或其它翻译错误,仅供参考。如需获取准确内容,请参阅链接中的英语原文或自行翻译。

https://e2e.ti.com/support/clock-timing-group/clock-and-timing/f/clock-timing-forum/666269/cdce913-request-schematic-review

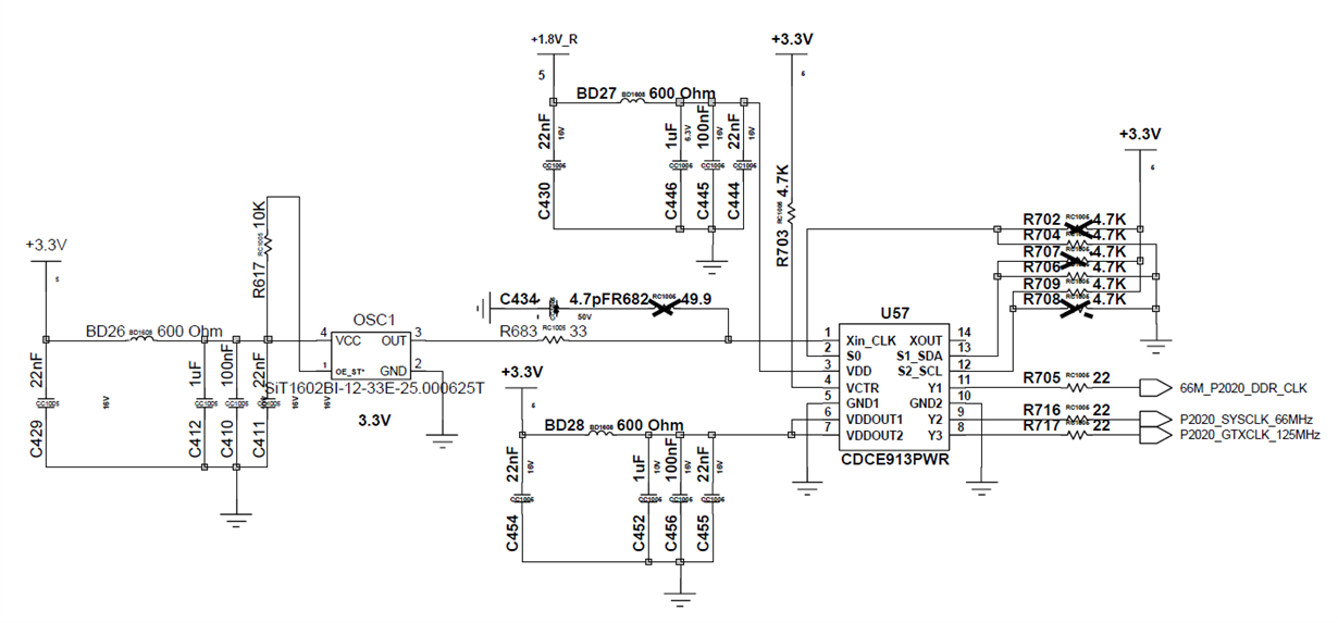
部件号:CDCE913
主题中讨论的其他部件:CDCE925

您好,

您能否查看下面的示意图,并告诉我是否存在任何潜在问题?

此输出是否具有?

谢谢!

TS

  • 请注意,本文内容源自机器翻译,可能存在语法或其它翻译错误,仅供参考。如需获取准确内容,请参阅链接中的英语原文或自行翻译。
    S0,Vctrl和CLK输入参考VDD = 1.8V电源,因此不要超过这些输入上的VDD电压。 为3.3V振荡器输出添加分压器,以便与1.8V输入电平兼容。

    艾伦
  • 请注意,本文内容源自机器翻译,可能存在语法或其它翻译错误,仅供参考。如需获取准确内容,请参阅链接中的英语原文或自行翻译。
    时钟怎么样? 在25MHz到66Mhz和125MHz之间是否可能?
  • 请注意,本文内容源自机器翻译,可能存在语法或其它翻译错误,仅供参考。如需获取准确内容,请参阅链接中的英语原文或自行翻译。
    不能,它们不能从单个PLL/VCO同时生成66M和125m,因为LCM (VCO ...M,125m)= 1000M,超出66.66 调谐范围。

    他们需要使用CDCE925,它有两个PLL/VCO,以同时生成两个频率。

    艾伦
  • 请注意,本文内容源自机器翻译,可能存在语法或其它翻译错误,仅供参考。如需获取准确内容,请参阅链接中的英语原文或自行翻译。

    您好,Alan,

    感谢您的回答。

    我们希望如下所示进行配置。

    答 Y1:66米
    B. Y2:66米
    C. Y3:100m

    使用TI COLDCK PRO工具进行如下配置并 写入十六进制文件后,时钟根本不显示。

    您认为问题出在哪里?

    谢谢!

    TS

  • 请注意,本文内容源自机器翻译,可能存在语法或其它翻译错误,仅供参考。如需获取准确内容,请参阅链接中的英语原文或自行翻译。

    S0可用作输出使能引脚,因此尝试将S0拉高。

    艾伦