我们公司生产的加速器卡的时钟配置存在一些问题。 请帮我分析一下
问题描述:
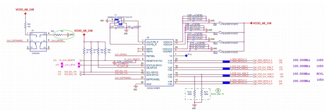
时钟芯片:cdci6214rger
原理图设计:在同一电路板上使用两个芯片 U9和 U10、并使用同一 I2C 进行配置。 U9使用 EEPROM 第1页、U10使用第0页、两者都使用25MHz 晶体振荡器作为时钟输入源。 默认状态为回退模式(eepromsel 引脚/ refsel 悬空)
U9:CH1 LVDS 200MHz
通道2 LVDS 100MHz
CH3 HCSL 200MHz
通道4 LVDS 200MHz
U10:CH1 LVDS 156.25MHz
通道2 LVDS 100MHz
通道3 LVDS 125MHz
通道4 LVDS 156.25MHz
上图中显示了原理图、附件为 U9配置寄存器值:
当前、U10配置成功。 只有 U9的通道3输出正常、通道1、2和4具有稳定波形、但频率值错误。











