This thread has been locked.

If you have a related question, please click the "Ask a related question" button in the top right corner. The newly created question will be automatically linked to this question.

[参考译文] LMK00301:LMK00301的组 A 和组 B 性能不同

Guru**** 2502205 points
Other Parts Discussed in Thread: LMK00301

请注意,本文内容源自机器翻译,可能存在语法或其它翻译错误,仅供参考。如需获取准确内容,请参阅链接中的英语原文或自行翻译。

https://e2e.ti.com/support/clock-timing-group/clock-and-timing/f/clock-timing-forum/975050/lmk00301-bank-a-and-bank-b-of-lmk00301-performance-are-not-the-same

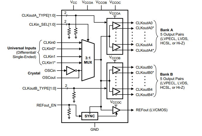
器件型号:LMK00301

大家好、

我 的客户  现在正在使用 LMK00301。 Clkin0输入为156.25M (正 时钟)、组 A 输出与 clkin0相同 、无 相 移。 但组 B 的输出为30ppm 的负 相移。  这是否正常? 谢谢。  

  • 请注意,本文内容源自机器翻译,可能存在语法或其它翻译错误,仅供参考。如需获取准确内容,请参阅链接中的英语原文或自行翻译。

    您好 Frank、

    您能否提供有关此器件设置的更多详细信息? 请包括输入和输出类型。

    感谢您提供更多信息!

  • 请注意,本文内容源自机器翻译,可能存在语法或其它翻译错误,仅供参考。如需获取准确内容,请参阅链接中的英语原文或自行翻译。

    您好、Aaron、

    输入和输出 A/B 都是 LVPECL 接口。 谢谢。

  • 请注意,本文内容源自机器翻译,可能存在语法或其它翻译错误,仅供参考。如需获取准确内容,请参阅链接中的英语原文或自行翻译。

    您好 Frank、

    感谢您提供的信息!

    让我尽快回到您的身边。

  • 请注意,本文内容源自机器翻译,可能存在语法或其它翻译错误,仅供参考。如需获取准确内容,请参阅链接中的英语原文或自行翻译。

    您好 Frank、

    您原来的问题是"Clkin0输入为156.25M (正 时钟)、组 A 输出与 clkin0相同 、没有 相 移。 但组 B 的输出为30ppm 的负 相移。  这是否正常?"

    该器件不应在组 B 输出中有如此大的差异。 我无法在工作台上重新创建它。

    这是否仍然是一个问题? 客户是否尝试更改输入频率、并且 ppm 漂移仍然存在?

  • 请注意,本文内容源自机器翻译,可能存在语法或其它翻译错误,仅供参考。如需获取准确内容,请参阅链接中的英语原文或自行翻译。

    您好、Aaron、

    客户也无法 在  工作台上重现这种现象。 感谢 你的帮助。