This thread has been locked.

If you have a related question, please click the "Ask a related question" button in the top right corner. The newly created question will be automatically linked to this question.

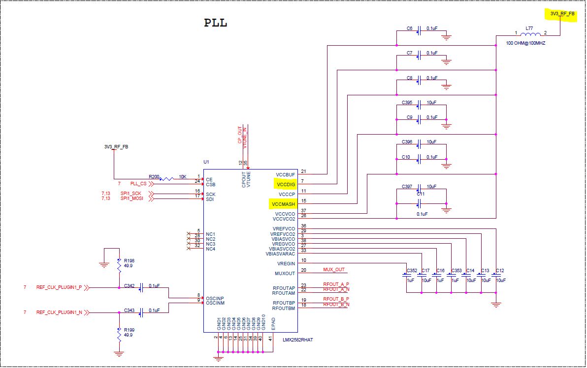
[参考译文] LMX2582:

Guru**** 2587345 points
Other Parts Discussed in Thread: LMX2582

请注意,本文内容源自机器翻译,可能存在语法或其它翻译错误,仅供参考。如需获取准确内容,请参阅链接中的英语原文或自行翻译。

https://e2e.ti.com/support/clock-timing-group/clock-and-timing/f/clock-timing-forum/896451/lmx2582

器件型号:LMX2582

能否使用1.8V SPI 和 Vcc=3.3V 驱动 LMX2582? 在我的当前设计中、我已将 Vcc 连接到3.3V、但 SPI 线路兼容1.8V。  

  • 请注意,本文内容源自机器翻译,可能存在语法或其它翻译错误,仅供参考。如需获取准确内容,请参阅链接中的英语原文或自行翻译。

    您好 Jagannatha、

    是的、这是可能的。 请参阅 “6.5电气特性”“数字接口”部分下的高/低输入电压行。 任何高于1.4V 的电压将被记录为高电平、而任何低于0.4V 的电压将被记录为低电平。

    谢谢、

    Vibhu