This thread has been locked.

If you have a related question, please click the "Ask a related question" button in the top right corner. The newly created question will be automatically linked to this question.

[参考译文] CDCLVP1204:CDCLVP1204的 LVPECL 输入高电压

Guru**** 2387080 points
Other Parts Discussed in Thread: CDCLVP1204
请注意,本文内容源自机器翻译,可能存在语法或其它翻译错误,仅供参考。如需获取准确内容,请参阅链接中的英语原文或自行翻译。

https://e2e.ti.com/support/clock-timing-group/clock-and-timing/f/clock-timing-forum/909082/cdclvp1204-lvpecl-input-high-voltage-of-cdclvp1204

器件型号:CDCLVP1204

大家好、

我的客户 现在正在使用 CDCLVP1204。  输入为 LVPECL、但输入 Vpp 高于 数据表 规格。 我们是否有一些  方法来减少 它?

如果我们更改 另一个 LVPECL、则 clk 具有 下拉 曲线。 我们是否有改进   方法?

谢谢。

  • 请注意,本文内容源自机器翻译,可能存在语法或其它翻译错误,仅供参考。如需获取准确内容,请参阅链接中的英语原文或自行翻译。

    您好、Frank、

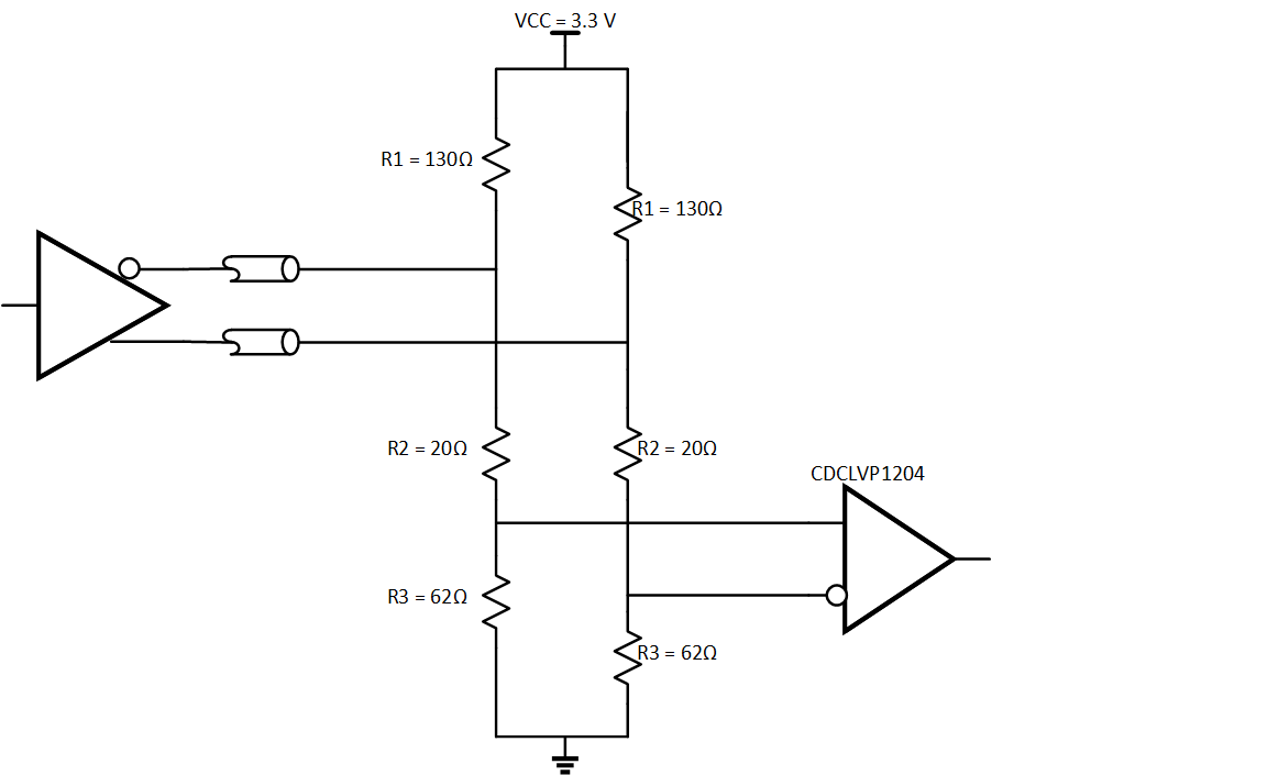
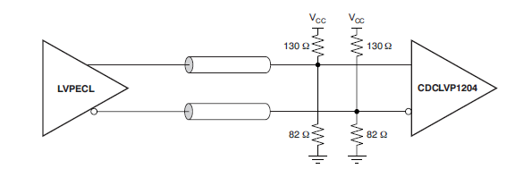
            客户可以遵循以下方案、该方案可降低摆幅以及输出共模。 请注意、输出共模现在将为~μ A 原始输出共模*(62/82)= 1.9*0.75 = 1.425V、新摆幅(pk-pk)将为=原始摆幅(pk-pk)*(62/82)= 1.6*0.75 = 1.2V

    对于典型的 LVPECL 驱动器、原始输出共模= VCC - 1.4V = 3.3 - 1.4 = 1.9V

    希望这对您有所帮助。

  • 请注意,本文内容源自机器翻译,可能存在语法或其它翻译错误,仅供参考。如需获取准确内容,请参阅链接中的英语原文或自行翻译。

    您好 、Badarish、

    感谢你的帮助。 目前 、波形 在 CDCLVP1204 侧而 不是 LVPECL 源侧进行测试。 如果 差分输入 峰间值比 数据表1.5v 高1.6V。 是否有风险? 我们是否可以  通过 原理图 更改来改进它?

    谢谢。  

  • 请注意,本文内容源自机器翻译,可能存在语法或其它翻译错误,仅供参考。如需获取准确内容,请参阅链接中的英语原文或自行翻译。

    您好、Frank、

            CDCLVP1204数据表指定支持的最大差分输入峰峰值电压为1.5V、因此数据表无法保证超过规格的器件功能。 请使用我之前的答复中所示的电阻分压器、使其低于1.5V

  • 请注意,本文内容源自机器翻译,可能存在语法或其它翻译错误,仅供参考。如需获取准确内容,请参阅链接中的英语原文或自行翻译。

    您好 、Badarish、

    有关   VDIFF PP 的另一个快速问题。 数据表中的1.5v (0.1~1.5v 或0.2~1.5v) 是否与 IDT 相同? 前面 我们认为电压是(P-N)*2,可能需要您帮助您仔细检查 规格。 谢谢。

    TI 数据表:

     数据表中删除了该值。

  • 请注意,本文内容源自机器翻译,可能存在语法或其它翻译错误,仅供参考。如需获取准确内容,请参阅链接中的英语原文或自行翻译。

     您好、Frank、  

           峰间电压为2* VOD、其中 VOD 为差分输出电压、是绝对测量值。 请注意、差分输出电压可以是+VOD ( OUTPx - OUTNx)或-VOD (OUTNx - OUTPx);峰间电压本质上只是这两者之间的差值: OUTPx - OUTNx -(OUTNx - OUTPx)= VOD -(-VOD)= 2*VOD = 2*(OUTPx - OUTNx)。 TI CDCLVP1204数据表中明确指定了这一点、而 IDT 数据表中指出 VOD 和 VPP 基本上是相同的测量、这毫无意义。