This thread has been locked.

If you have a related question, please click the "Ask a related question" button in the top right corner. The newly created question will be automatically linked to this question.

[参考译文] TPL5100:24小时~48小时的长期定时器

Guru**** 2652575 points

Other Parts Discussed in Thread: TPL5100

请注意,本文内容源自机器翻译,可能存在语法或其它翻译错误,仅供参考。如需获取准确内容,请参阅链接中的英语原文或自行翻译。

https://e2e.ti.com/support/clock-timing-group/clock-and-timing/f/clock-timing-forum/1367126/tpl5100-long-term-timer-for-24hours-48hours

器件型号:TPL5100

工具与软件:

大家好、

是否有任何方法可以将  TPL5100用于 24小时~48小时的计时器?

或者还有其他解决方案吗?

此致、

高桥典之

  • 请注意,本文内容源自机器翻译,可能存在语法或其它翻译错误,仅供参考。如需获取准确内容,请参阅链接中的英语原文或自行翻译。

    尊敬的 Takahashi-San:

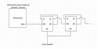
    我们可以使用触发器来扩展时间间隔。 触发器可以将时间间隔加倍、四个触发器可以将时间周期延长16倍。