This thread has been locked.

If you have a related question, please click the "Ask a related question" button in the top right corner. The newly created question will be automatically linked to this question.

[参考译文] NE555:非稳态振荡器

Guru**** 2378650 points
Other Parts Discussed in Thread: NE555
请注意,本文内容源自机器翻译,可能存在语法或其它翻译错误,仅供参考。如需获取准确内容,请参阅链接中的英语原文或自行翻译。

https://e2e.ti.com/support/clock-timing-group/clock-and-timing/f/clock-timing-forum/1380635/ne555-astable-oscillator

器件型号:NE555

工具与软件:

尊敬的专家:

美好的一天! 我代表客户发布信息

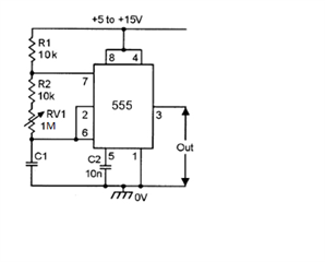
我正在使用 NE555进行电容测量。 电容器 C1决定了此设置中的输出频率。 C1约为1nF。 这一切都很顺利、但现在我不再有信号输出了。 箔片电容器 C1上测得的电阻约为50-100k (可能有点潮湿)、这意味着它不是理想的电容器、但这可能与它不再振荡有关? 不过、我的 C 表仍然可以测量电容。

提前感谢您。  

此致、

Jonathan

  • 请注意,本文内容源自机器翻译,可能存在语法或其它翻译错误,仅供参考。如需获取准确内容,请参阅链接中的英语原文或自行翻译。

    Jonathan、您好!

    客户是否尝试过其他器件以查看此特定部件是否出现故障? 此外、您是否可以提供每个引脚的电压测量或输出的示波器捕获?

    此致、

    Alex Curtis

  • 请注意,本文内容源自机器翻译,可能存在语法或其它翻译错误,仅供参考。如需获取准确内容,请参阅链接中的英语原文或自行翻译。

    您好、Alex、

    感谢您的支持。  很抱歉耽误你的时间。

    由于一些不清楚的原因、该电路板似乎再次工作。


    您是否知道、使用此电路测量电容变化是一种"可靠"的测量方法、或者测量 I-U 之间的相位差也是更好的方法、以捕捉虚部?

    请根据您在这一问题上的经验作出任何阐述。

    此致、

    Jonathan

  • 请注意,本文内容源自机器翻译,可能存在语法或其它翻译错误,仅供参考。如需获取准确内容,请参阅链接中的英语原文或自行翻译。

    Jonathan、您好!

    我很高兴 电路板能够工作。 我习惯于听到由于未知原因导致电路板断裂、因此听到相反的情况是一个不错的改变  

    需要记住的一点是、触发器和阈值电平可能因器件而异、并且可能不会恰好是1/3 * VCC 和2/3 * VCC、如 NE555数据表的表7.4所示。

     

    对于 NE555、阈值电压可以在-27.9%至+26.1%之间变化、触发电压可以在理想值的-34.1%至+31.7%之间变化。

    此外、值得一提的是、较大的电容器更易于测量、因为电路板寄生效应对输出时序的影响较小、而555计时器在较低工作频率下的行为更具可预测性。

    此致、

    Alex Curtis

  • 请注意,本文内容源自机器翻译,可能存在语法或其它翻译错误,仅供参考。如需获取准确内容,请参阅链接中的英语原文或自行翻译。

    您好、Alex、

    非常感谢您的支持。  

    此致、

    Jonathan