This thread has been locked.

If you have a related question, please click the "Ask a related question" button in the top right corner. The newly created question will be automatically linked to this question.

[参考译文] LMX2820:积分相位噪声

Guru**** 2529390 points
Other Parts Discussed in Thread: LMX2820

请注意,本文内容源自机器翻译,可能存在语法或其它翻译错误,仅供参考。如需获取准确内容,请参阅链接中的英语原文或自行翻译。

https://e2e.ti.com/support/clock-timing-group/clock-and-timing/f/clock-timing-forum/1399393/lmx2820-integrated-phase-noise

器件型号:LMX2820

工具与软件:

您好!

我们一直在产品中使用 LMX2820。 我们注意到、某些模块的相位噪声比其他模块更差(%10次失败)。  我们的 调查表明、通过的模块的相位噪声具有下降斜率、而  失败的模块 在偏离载波频率20-60Hz 的偏移中具有几乎平坦的相位噪声。 相位噪声的平坦度会导致集成相位噪声降级并超出我们的规格。 我们在所有模块上检查了 LMX 的环路滤波器和输入电路、它们是相同的。 除了电荷泵设置和 LDO、我们还应该研究任何其他参数吗? 谢谢!

此致!

NIMA

  • 请注意,本文内容源自机器翻译,可能存在语法或其它翻译错误,仅供参考。如需获取准确内容,请参阅链接中的英语原文或自行翻译。

    尊敬的 Nima:  
    您能否提供您的配置(.tcs 文件)以及原理图的副本?  

    您能量化该问题吗? 您可以在器件上看到所有这些、只有一些吗? 是可重复还是随机等?  

    此致、  

    Vicente  

  • 请注意,本文内容源自机器翻译,可能存在语法或其它翻译错误,仅供参考。如需获取准确内容,请参阅链接中的英语原文或自行翻译。

    您好、Vicente:

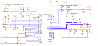
    感谢您的跟进。 根据我们的测量结果、340个模块中有27个存在相位噪声问题。 此问题是可重复的。 请在我们的设计原理图下方找到一个相位噪声的屏幕截图(传递了黄色和绿色、但蓝色和红色对应了故障模块)。

      

    谢谢!

    NIMA

  • 请注意,本文内容源自机器翻译,可能存在语法或其它翻译错误,仅供参考。如需获取准确内容,请参阅链接中的英语原文或自行翻译。

    尊敬的 Nima:  
    您是否也能提供配置?  
    如果使用 TICSpro、您能"保存"配置并上载它吗?  

    此致、

    Vicente

  • 请注意,本文内容源自机器翻译,可能存在语法或其它翻译错误,仅供参考。如需获取准确内容,请参阅链接中的英语原文或自行翻译。

    您好!

    请查看随附的配置副本。

    https://drive.google.com/file/d/1ltnRie_TNZ_VdtT3S6I_JYjCBt3Kl25U/view?usp=drive_link

    此致、

    NIMA

  • 请注意,本文内容源自机器翻译,可能存在语法或其它翻译错误,仅供参考。如需获取准确内容,请参阅链接中的英语原文或自行翻译。

    尊敬的 Nima:  
    出于安全原因、我无法使用我的 TI 凭据创建 Gmail 帐户。  
    您是否可以将文件/目录公开以便我可以访问它们、或者您是否可以手动上载单个配置?  

    此致、

    Vicente

  • 请注意,本文内容源自机器翻译,可能存在语法或其它翻译错误,仅供参考。如需获取准确内容,请参阅链接中的英语原文或自行翻译。

    您好、Vicente:

    请提供您的电子邮件地址、以便我可以通过电子邮件分享。 我不允许公开该文件、但可以 通过我公司和 TI 之间正在进行的 NDA 与您共享。

    此致、

    NIMA

  • 请注意,本文内容源自机器翻译,可能存在语法或其它翻译错误,仅供参考。如需获取准确内容,请参阅链接中的英语原文或自行翻译。

    尊敬的 Nima:  
    V-floresprado@ti.com


    此致、  

    Vicente