Other Parts Discussed in Thread: LMK04832EVM
工具与软件:
我想在单环路模式下使用 LMK04832EVM、其中单端时钟源将输入到 OSCin 端口。
EVM 用户指南显示"可以选择通过这些 SMA 连接器连接外部 VCXO、只需对连接到器件 OSCin/OSCin*引脚的元件进行少量修改。" 但是、我没有看到任何有关在单环路模式下使用 EVM 所需修改的元件的详细信息。
要启用此配置、需要修改哪些元件?
This thread has been locked.
If you have a related question, please click the "Ask a related question" button in the top right corner. The newly created question will be automatically linked to this question.
Other Parts Discussed in Thread: LMK04832EVM
工具与软件:
我想在单环路模式下使用 LMK04832EVM、其中单端时钟源将输入到 OSCin 端口。
EVM 用户指南显示"可以选择通过这些 SMA 连接器连接外部 VCXO、只需对连接到器件 OSCin/OSCin*引脚的元件进行少量修改。" 但是、我没有看到任何有关在单环路模式下使用 EVM 所需修改的元件的详细信息。
要启用此配置、需要修改哪些元件?
你(们)好、Colby
请参阅以下内容: 

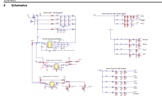
因此、在大多数情况下、您需要断开 VCXO 的电源、这可以通过移除 FB12来实现、但您还需要断开 LDO 为 VCXO 供电的电源、这可以通过移除 R238来实现。 如果不移除 R238、可能会导致 ESD 保护电路触发、并且在没有启用电流保护的情况下、电源突然汲取6A 电流。
此后、您可以移除 R69 (用于 VCXO 输出的0 Ω 跳线)并将其放置在 R72焊盘上、以便完成 SMA 连接器信号路径。
根据您使用的基准时钟源、终端有多种: 

如果您要利用信号发生器的任何其他需要50欧姆负载的源的正弦波、则需要移除 C20和 C23、并在 R70上放置一个50欧姆的接地电阻。
主要的事情是断开 VCXO 的电源、并让 LDO 为 VCXO 供电。
在此之后、只是要确保您可以为您使用的任何参考时钟类型获得正确的端接。
此致、
Vicente