This thread has been locked.

If you have a related question, please click the "Ask a related question" button in the top right corner. The newly created question will be automatically linked to this question.

[参考译文] LMX2595:脉冲模式运行

Guru**** 2386610 points
Other Parts Discussed in Thread: LMX2595
请注意,本文内容源自机器翻译,可能存在语法或其它翻译错误,仅供参考。如需获取准确内容,请参阅链接中的英语原文或自行翻译。

https://e2e.ti.com/support/clock-timing-group/clock-and-timing/f/clock-timing-forum/1477770/lmx2595-pulsed-mode-operation

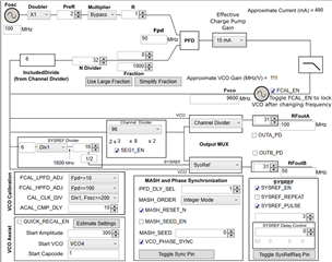
器件型号:LMX2595

工具与软件:

您好!

  在哪里可以找到有关 LMX2595的 SYSREF 模式运行的更多信息。  

1) 1)外部触发和输出信号之间的延迟是多少

2) 2)每个脉冲中生成的信号的相位之间关系如何

感谢您的帮助、

此致、

  • 请注意,本文内容源自机器翻译,可能存在语法或其它翻译错误,仅供参考。如需获取准确内容,请参阅链接中的英语原文或自行翻译。

    大家好、

    延迟约为40ns、这不是固定值。  

    射频和 SYSREF 时钟之间的相位是确定性的、但该相位取决于配置。  

    示例:

    粉色是 SYSREFREQ;蓝色是射频时钟;绿色是 SYSREF 时钟。