请注意,本文内容源自机器翻译,可能存在语法或其它翻译错误,仅供参考。如需获取准确内容,请参阅链接中的英语原文或自行翻译。
器件型号:ADS5296A 工具与软件:

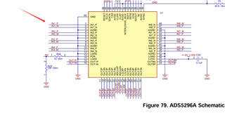
该 ADC 的输入是否可以是单端输入? N 是否正常接地

此连接是否正常?


我之前的运算放大器是单端输出
如何解决这种情况、请给出详细的解释、最好有一个可以参考的详细原理图、谢谢!
This thread has been locked.
If you have a related question, please click the "Ask a related question" button in the top right corner. The newly created question will be automatically linked to this question.
工具与软件:

该 ADC 的输入是否可以是单端输入? N 是否正常接地

此连接是否正常?


我之前的运算放大器是单端输出
如何解决这种情况、请给出详细的解释、最好有一个可以参考的详细原理图、谢谢!