工具与软件:
您好、支持团队:
我已经使用此 ADS1261B 设计了定制 PCB。
我 订购了一批5块组装好的 PCB、其中2块 PCB、ADS1261B 具有非常奇怪的响应:(另外3块可以很好地使用我的固件)。
我的固件序列为:
- 启动时、我准备了一个序列来设置内部基准、选择通道、选择内部 CLK 等=>可以很好地工作
- 通过这一点、我预计 DRDY 引脚变为低电平 (通过中断)才能开始读取数据=>在电路板断开的情况下、由于某些原因、该引脚绝不会变为低电平=>我无法读取数据。
我测量了 DRDY 引脚和 DVDD 之间的电阻、损坏电路板的电阻大约为100 Ω 和400 Ω(IMO 非常低)、但我不知道、因为数据表中未指明这一点。
这是正确的值吗?
还有一点、对于损坏的板、ADS1261B 会发烫(不会烫热、但真的很热)
能否就为什么会发生这种情况提出一些建议? IC 可能在回流过程中被销毁? (但为什么其他3个都没问题?)
我们想要订购一批大约~1000件、所以我必须将其最小化。
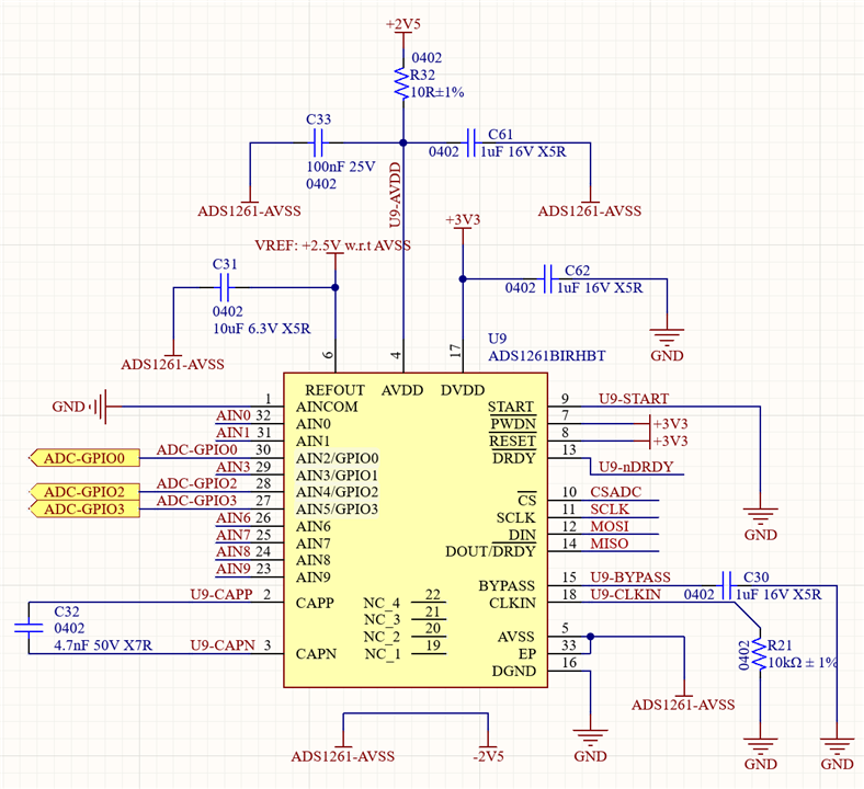
这是我此部件的原理图:R21替换为0r 电阻器(CLKIN 现在短接至 GND)

感谢您的反馈。