Other Parts Discussed in Thread: ADS124S08, TPSM82912, LM27762, ADS124S08EVM
主题中讨论的其他器件: TPSM82912、 LM27762、
工具与软件:
您好!
我目前正在寻找 ADS124S08的电源。 我是硬件设计新手、而且我在必须考虑的所有事项上都感到有点失落
经过一些调查后、我到目前为止学到了以下内容:
- 直流/直流转换器效率很高、但具有纹波电压输出、可以通过 LDO 稳压器来减轻这种影响。
- 仅使用 LDO 稳压器效率很低、会给系统带来热量。
- AVDD 和 DVDD 应具有低噪声和低纹波、因为两者都可能会在测量中引入噪声
我的设计具有以下规格:
- 此设计必须驱动 ADC 和 MCU。 我期望的外部电压范围为6到12V
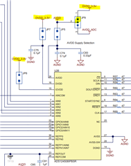
- MCU 和 ADC 都需要3.3V 的数字电压电源
- 模拟电压电源应为双极+/- 2.5V
- ADC 测量速率较慢但精度高(1 -100Hz)
- 我的 PCB 空间有限、因此必须保证小尺寸。
我正在考虑使用 TPSM82912等直流/直流转换器、将 ADC 的 DVDD 和 MCU 的 DVDD 从6V 至12V 转换为3.3V。
对于 AVDD/AVSS、我想使用 LM27762作为 AVDD/AVSS 的双极源、Vout 为+- 2.5V
我们的想法是、使用 TPSM82912、我不需要额外的 LDO 稳压器来驱动 DVDD、并且可以驱动 ADC 和 MCU。
借助电源设计器、TPSM 的占用空间为93 mm2、这有点大、但如果我不需要许多其他器件也可以。
你怎么看?
- TPSM82912是否适合驱动 ADC 和 MCU 的 DVDD?
- 我还需要考虑哪些其他方面?
感谢您投入宝贵的时间给予大力支持
此致
Johannes
