主题中讨论的其他器件: ADS114S08、 ADS124S08
工具/软件:
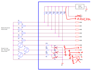
我计划使用 ADS114S08B 来获取6个无源(电阻)和3个有源(电压)单端输入、所有这些输入都必须以 GND (0V)为基准。
对于无源输入、需要 PGA、并且必须使用转换器使用的相同 VREF (比例式采集)馈送电阻源(上拉)。 我认为在这种情况下、使用两个内部 IDAC 不适用(6个独立的输入)。
在本例中、为了使用内部 PGA、我看到 AVDD =+2.5V 且 AVSS =-2、5V、对吧?
AINCOM 引脚要连接到 GND (0V)以实现单端输入、对吗?
我无法使用内部2.5V VREF 馈送无源输入:REFCOM 引脚应连接到 AVSS、因此 REFOUT 电压接近于0V (以 GND 为基准)、对吗?
因此、我必须使用外部基准2.5V VREF 为无源输入馈电 、并 连接到 REFP0/REFN0引脚。 连接 REFP0 =+2.5V 且 REFN0 = GND (0V)是正确的?




