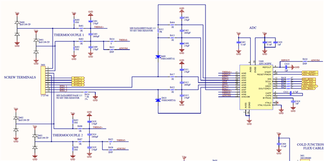
工具/软件:
我有一个多通道系统在基于 STM32 MCU 的 PCB 上运行。 在大多数情况下、它需要很好地显示热电偶读数、但我注意到、当我运行代码中的函数来读取两个通道时、如果另一个通道没有插入传感器、则一个通道上的误差百分比往往会更高。 例如
两个传感器均插入:
通道1 = 0.04mV 通道2 = 0.04mV
通道1在通道2未插入的情况下插入
通道1 = 0.08mV 通道2 = 312.5mv
通道2已插入且通道1未插入
通道1 = 312.5mv 通道2 = 0.08mV
增益设置为8、因此312.5只是其读取的电压范围的上限、但是为什么一个传感器读数超范围(因为它的开路会对另一个传感器产生影响)在两次读数之间将多路复用器更改为不同的通道、这样是否有办法解决此问题? 只有当我调用函数来读取两个传感器时才会发生这种情况。 就像获得过压读数一样、会导致一些读数渗入另一个通道中。 这非常令人困惑、因为我没意识到 ADC 可能有这个问题
