This thread has been locked.

If you have a related question, please click the "Ask a related question" button in the top right corner. The newly created question will be automatically linked to this question.

[参考译文] DAC39RF10-SEP:DAC 输出端所需的偏置电路

Guru**** 2506965 points


请注意,本文内容源自机器翻译,可能存在语法或其它翻译错误,仅供参考。如需获取准确内容,请参阅链接中的英语原文或自行翻译。

https://e2e.ti.com/support/data-converters-group/data-converters/f/data-converters-forum/1513891/dac39rf10-sep-required-bias-circuit-at-dac-output

器件型号:DAC39RF10-SEP

工具/软件:

您好:  

DAC 数据表的某些部分提到了 DAC 输出电压和输出偏置、但没有关于外部偏置网络的明确建议或要求。

  1. 交流耦合时、是否必须包含外部电路来偏置 DAC 输出?
  2. 建议使用哪种类型的网络? 它可以是简单的电阻分压器吗?  
  3. 如果未提供外部偏置、是否会损坏元件?

谢谢你。

  • 请注意,本文内容源自机器翻译,可能存在语法或其它翻译错误,仅供参考。如需获取准确内容,请参阅链接中的英语原文或自行翻译。

    您好 Sergio、

    1)是的、您需要在 DAC 的输出端包含外部偏置电路、以便其在交流耦合时能够正常工作。

    2)推荐的网络在数据表和评估板中。 您可以下载 EVM 设计文件、并查看所用确切器件型号的原理图部分和物料清单。

    3)可能没有损坏,但 DAC 将无法正常工作。

    如果您特别想与 DAC 搭配使用、请告知我们。 因为这是一组与正常不同的问题。

    请提供建议、因为我们很乐意为您提供帮助。

    此致、

    Rob

  • 请注意,本文内容源自机器翻译,可能存在语法或其它翻译错误,仅供参考。如需获取准确内容,请参阅链接中的英语原文或自行翻译。

    您好、Rob、感谢您的快速答复。

    我在数据表中找不到推荐的网络、您能告诉我相关讨论的页面吗?

    关于 EVM、我看到、除了正向偏置外、平衡-非平衡变压器之前的输出中还包含一个 T 衰减器。 它的目标是什么? 不包括 att 会有什么影响?

    我们的布板空间非常严格、很难将 TEE 和衰减器以及交流耦合电容器包括在内。

    此致、  

    Sergio

  • 请注意,本文内容源自机器翻译,可能存在语法或其它翻译错误,仅供参考。如需获取准确内容,请参阅链接中的英语原文或自行翻译。

    您好 Sergio、

    正确、EVM 设计文件中提供了模拟输出电路建议。 很抱歉。

    输出肯定需要一个覆盖您的频率范围的偏置 T。

    也需要输出平衡-非平衡变压器。

    至于双向转换器和平衡-非平衡变压器之间的衰减电路。 这对于这个特定的平衡-非平衡变压器是必需的、因为默认情况下、评估板设置为尽可能宽的 BW。

    我不确定您的频率应用频段、因此如果您提供一些要求、我可以提供其他建议。

    此致、

    Rob

  • 请注意,本文内容源自机器翻译,可能存在语法或其它翻译错误,仅供参考。如需获取准确内容,请参阅链接中的英语原文或自行翻译。

    您好 Rob、  

    我们计划在 fs = 8.52GHz 时使用、输出频率取决于具体工程、范围在2.8GHz 至5.4GHz 之间。

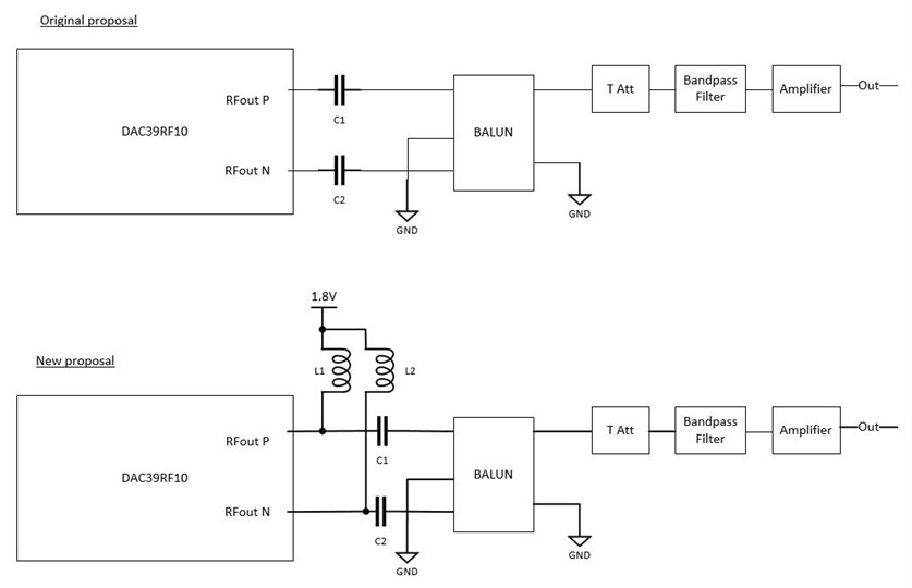
    为清楚起见、我附上我们的原始输出建议以及现在希望使用分立式偏置 T 形接头实施的建议。 我们仍然必须找出最佳的被动值。 有什么建议吗?

    谢谢你。

    此致。

    Sergio。

  • 请注意,本文内容源自机器翻译,可能存在语法或其它翻译错误,仅供参考。如需获取准确内容,请参阅链接中的英语原文或自行翻译。

    您好 Sergio、

    我会建议两件事。

    1)所用的 Biast 需要符合您计划用于 DAC 的输出频率 BW 的额定值。

    2)如下图所示、我允许电容器和平衡-非平衡变压器之间存在一些匹配电路余量。

    您可以将三个电阻器 T 衰减器垫放在这里、使串联元件的元件为0 Ω、并使分流元件为 DNI。

    我不确定您打算使用哪种平衡-非平衡变压器、但总的来说、如果您没有在任何 DAC/ADC 之间放置某种匹配元件并直接连接平衡-非平衡变压器、BW 的性能会受到影响。

    此致、

    Rob