Other Parts Discussed in Thread: DAC39RF12EVM, DAC39RF10EVM
请注意,本文内容源自机器翻译,可能存在语法或其它翻译错误,仅供参考。如需获取准确内容,请参阅链接中的英语原文或自行翻译。
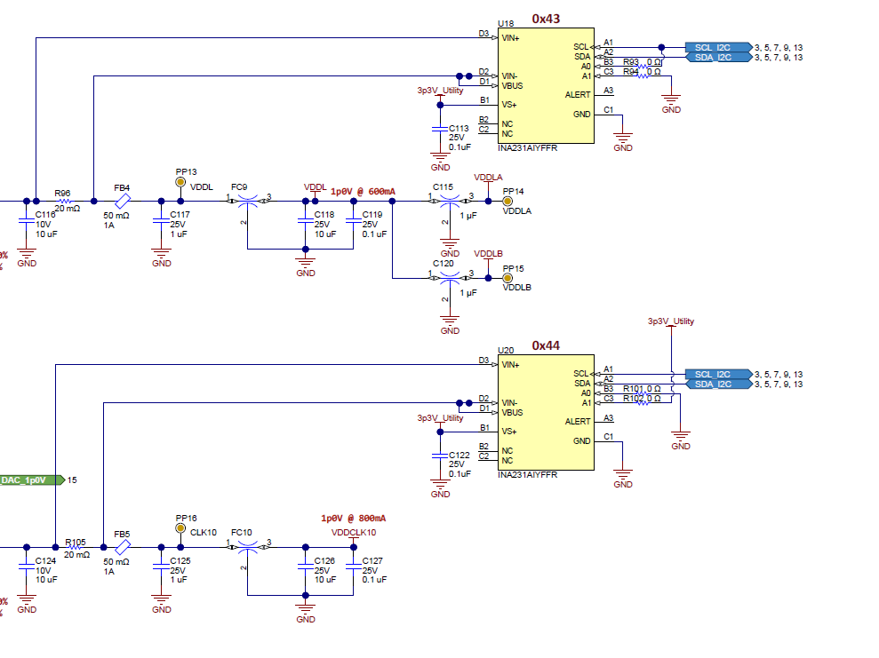
器件型号:DAC39RF10Thread 中讨论的其他器件:DAC39RF12EVM、
您好:
是否有办法可以使用 DAC39RF10EVM 板载的 INA231s(电流监测器件)? 我在 DAC39RF12EVM 评估软件中找不到用于监控这些中断的函数。 
此致、
K.Hirano