请注意,本文内容源自机器翻译,可能存在语法或其它翻译错误,仅供参考。如需获取准确内容,请参阅链接中的英语原文或自行翻译。
部件号:ADS1261EVM 您好,
从 ADS1261EVM 评估板获取正确的 ADC 值时遇到问题。 目前,我正在使用+/- 2.5 V 模拟电源。
对于配线器的配置,我正在使用具有以下值的 Δ-Σ ADC 评估软件: 
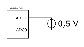
我主要使用默认值。 我将 REFENB 更改为内部引用(REG 0x06 VAL 0x15),并将输入更改为 AN1和 AIN0 (REG 0x11 VAL 0x21)。 我对这些引脚的电压为0.5 V。

现在发生了什么:我总是从测量中获得0.25 V 的值,但我看不出问题是什么。
请提前感谢