This thread has been locked.

If you have a related question, please click the "Ask a related question" button in the top right corner. The newly created question will be automatically linked to this question.

[参考译文] DAC8801:关于DAC8801模具封装图??

Guru**** 2551110 points
Other Parts Discussed in Thread: DAC8801, INA333

请注意,本文内容源自机器翻译,可能存在语法或其它翻译错误,仅供参考。如需获取准确内容,请参阅链接中的英语原文或自行翻译。

https://e2e.ti.com/support/data-converters-group/data-converters/f/data-converters-forum/564838/dac8801-regarding-dac8801-die-package-drawing

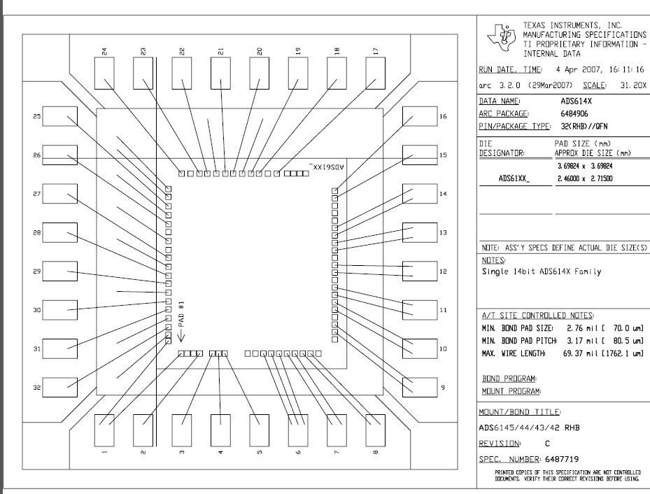
部件号:DAC8801
主题中讨论的其他部件: INA333

大家好,

我正在寻找 这样的DAC8801芯片封装。请回复任何一个

  • 请注意,本文内容源自机器翻译,可能存在语法或其它翻译错误,仅供参考。如需获取准确内容,请参阅链接中的英语原文或自行翻译。

    Kabalee

    此信息通常被视为专有信息,请问您为什么需要此信息?

    保罗

  • 请注意,本文内容源自机器翻译,可能存在语法或其它翻译错误,仅供参考。如需获取准确内容,请参阅链接中的英语原文或自行翻译。

    您好,Paul:

    感谢您的回复。现在,我们正在进行封装设计。因此,我们需要一些信息,同时我需要INA333AIDGKR ,INA333的刀版封装详细信息。我找不到此提及部件的任何刀版封装。因此,在此问题上,我将向您提供kinldy的回复  

  • 请注意,本文内容源自机器翻译,可能存在语法或其它翻译错误,仅供参考。如需获取准确内容,请参阅链接中的英语原文或自行翻译。
    感谢您的回复。现在,我们正在进行封装设计。因此,我们需要一些信息,同时我需要INA333AIDGKR,INA333的刀版封装详细信息。我找不到此提及部件的任何刀版封装。因此,在此问题上,我将向您提供kinldy的回复
  • 请注意,本文内容源自机器翻译,可能存在语法或其它翻译错误,仅供参考。如需获取准确内容,请参阅链接中的英语原文或自行翻译。
    Kabalee

    我会直接向您发送信息,以了解有关此问题的更多信息。

    保罗
  • 请注意,本文内容源自机器翻译,可能存在语法或其它翻译错误,仅供参考。如需获取准确内容,请参阅链接中的英语原文或自行翻译。

    您是否有任何来自您一方的更新

  • 请注意,本文内容源自机器翻译,可能存在语法或其它翻译错误,仅供参考。如需获取准确内容,请参阅链接中的英语原文或自行翻译。
    您好,

    Paul将跟进您当地的支持,因为这是高度敏感的信息。
  • 请注意,本文内容源自机器翻译,可能存在语法或其它翻译错误,仅供参考。如需获取准确内容,请参阅链接中的英语原文或自行翻译。

    您好,Kevin:

    感谢您的更新。请允许我从您的角度了解需要哪些类型的信息

  • 请注意,本文内容源自机器翻译,可能存在语法或其它翻译错误,仅供参考。如需获取准确内容,请参阅链接中的英语原文或自行翻译。

    您好,Kevin:

    我正在寻找DAC8801的模具封装详细信息。您能否从您的角度提供支持

  • 请注意,本文内容源自机器翻译,可能存在语法或其它翻译错误,仅供参考。如需获取准确内容,请参阅链接中的英语原文或自行翻译。

    Kabalee

    这是非常严格的内部信息,因此不允许在论坛上交换此信息。

    首选方法是通过您的当地团队合作,以确保达成处理此敏感材料的适当协议。