主题中讨论的其它部件:TVP5150
工具/软件:Starterware
您好!
我尝试通过DCMI接口将TVP5150连接至STM32F429。 我正在将视频流从TVP5150传输到LCD 800x600。 但我遇到了图片同步问题,如链接(https://www.youtube.com/watch?v=LLiY3ir9Ecw)。 OV7670,OV2640数码相机没有问题。 OV2640为800x60.0565万 10fps。
您是否有任何同步问题的想法?
我正在使用TVP配置:
TVP_Write (TVP_00_InputSource,TVP_CS_AIP1A);
TVP_Write (TVP_01_AnalogChannelControls,0x15);
TVP_Write (TVP_Addr_MiscaneousControls,MiscClbKO + MisctlgPCLO + MisctlcyCbCr + MisctlClbSYNK + MiscClbMiscVSYSLK + MiscVLSCLK);
TVP_Write (TVP_04_AutoscohoMask,0xC0 + NoPALN + NoN433);
TVP_Write (TVP_0F_PinsConfig,PinsConfigVBLK + PinsConfigPCLK);
TVP_Write (TVP_07_LuminanceControl1,0x00);
TVP_Write (TVP_28_VideoStandart,0x00);
TVP_Write (0x30,0x01);
TVP_Write (TVP_11_ActiveVideoCropingStartMSB,0x00);
TVP_Write(TVP_12_ActiveVideoCropingStartLSB,0x00);
TVP_Write (TVP_13_ActiveVideoCropingStopMSB,0x00);
TVP_Write (TVP_14_ActiveVideoCropingStopLSB,0x00);
TVP_Write (TVP_16_HorisontalSynkStart,0x80);
TVP_Write (TVP_0D_OutputAndRatesSelect,OutYUV);
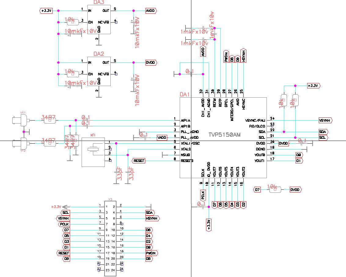
原理图如下所示:
谢谢!


