This thread has been locked.

If you have a related question, please click the "Ask a related question" button in the top right corner. The newly created question will be automatically linked to this question.

[参考译文] ADS1271:DRDY引脚始终为高电平

Guru**** 2535150 points
Other Parts Discussed in Thread: ADS1271

请注意,本文内容源自机器翻译,可能存在语法或其它翻译错误,仅供参考。如需获取准确内容,请参阅链接中的英语原文或自行翻译。

https://e2e.ti.com/support/data-converters-group/data-converters/f/data-converters-forum/582255/ads1271-drdy-pin-always-high

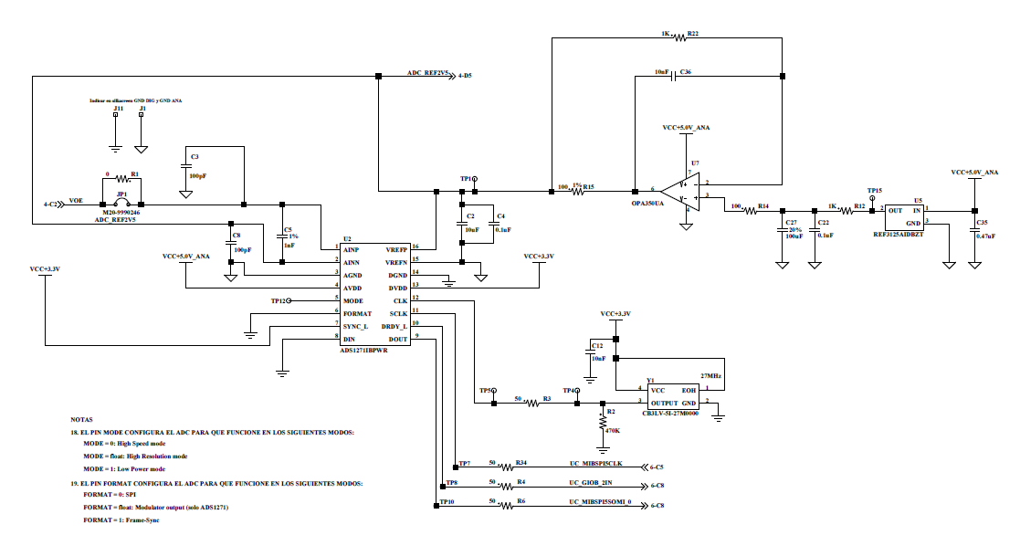
部件号:ADS1271

你(们)好

IM使用ADS1271进行我的项目。 我首先有一个模拟滤波部分,然后从0到5V,到ADS1271,然后到MCU。

直至昨天,ADC才正常工作。 出于某种原因,即使SYNC引脚处于高位(连接到电源),DRDY引脚仍保持高电压,就像ADS没有转换任何数据一样。

数据实际上是从模拟过滤到达的  

在测试另一个完全相同的主板时,一切都正常。  

我认为组件刚刚死,但这里的问题是,如果两天前一切正常,什么会杀死组件?  

我附上ADS的示意图

  • 请注意,本文内容源自机器翻译,可能存在语法或其它翻译错误,仅供参考。如需获取准确内容,请参阅链接中的英语原文或自行翻译。
    Hola Miguel,

    很难说出是什么导致设备出现故障。 我们在过去看到的一种可能性是,当AGND和DGND之间的电位超过绝对最大额定值时,它可能会导致ADC永久性故障。 确保这两个节点在主板上的某个位置短接在一起,最好尽可能靠近设备。

    您是否尝试过使/SYNC/PWDN引脚又低又高? 您是否已验证CLK信号仍然正常?

    此致,