Other Parts Discussed in Thread: DAC3484
您好,
我们的其中一个主板中有DAC3484:
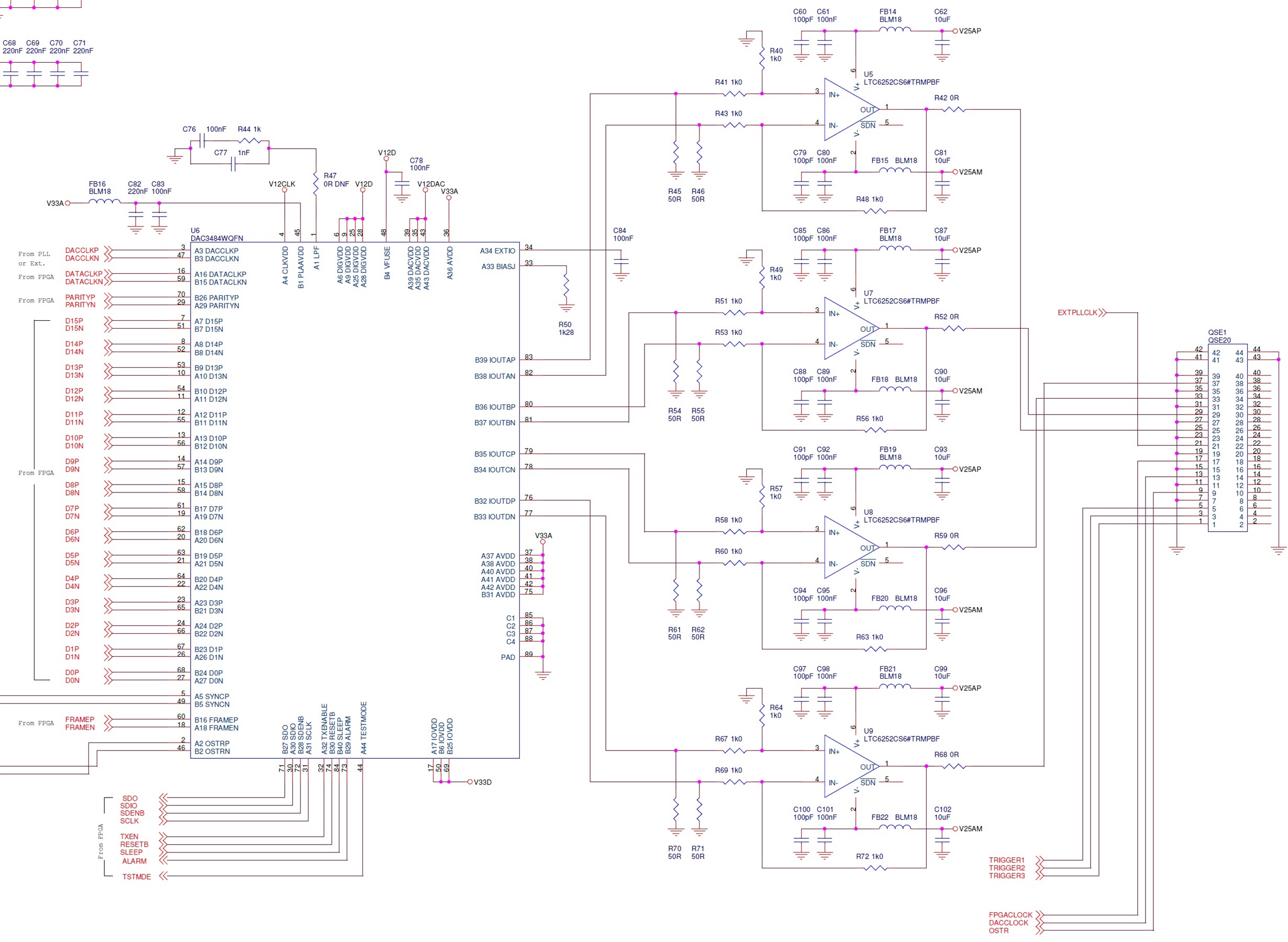
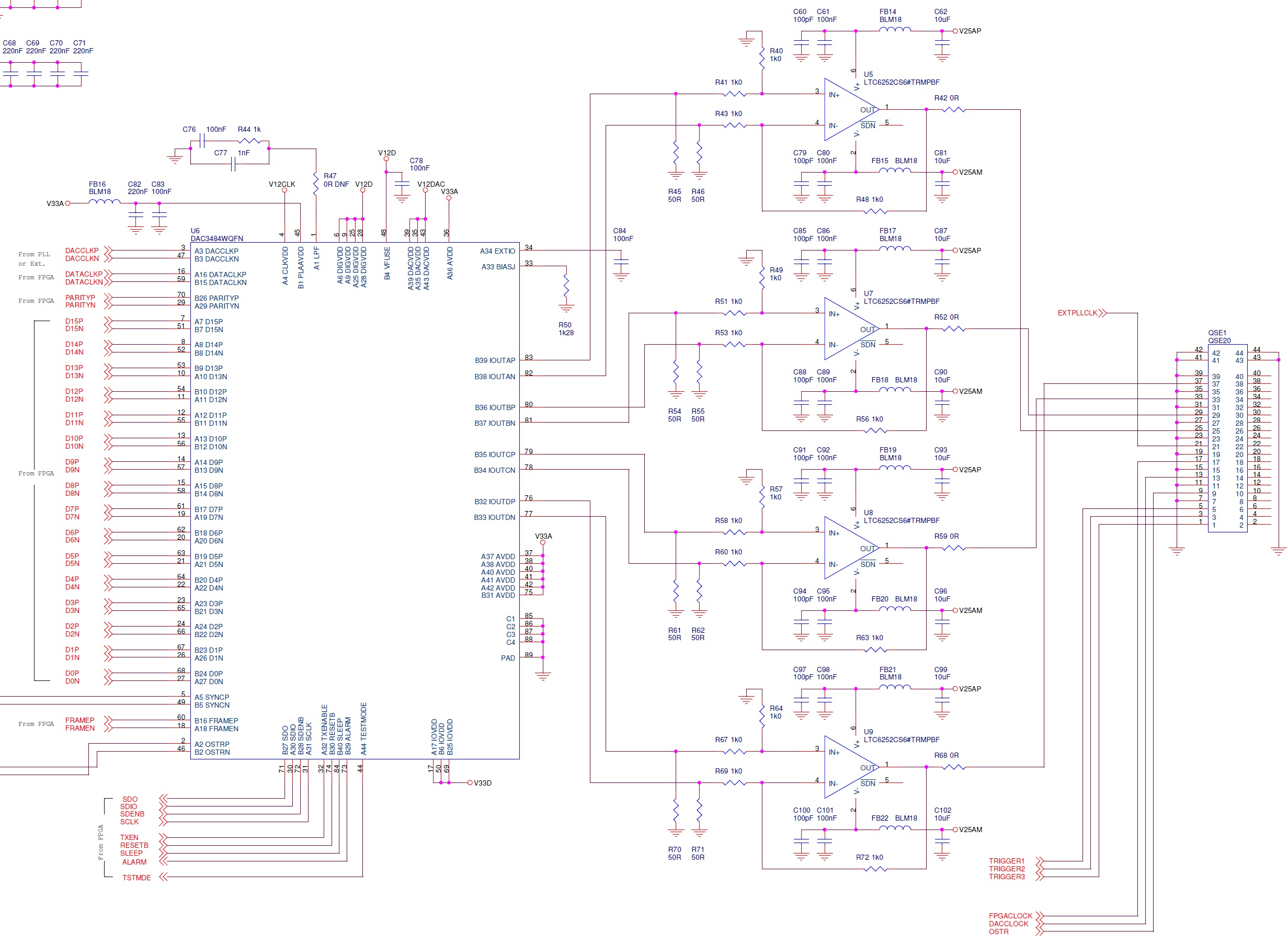
与DAC输出相对应的示意图如下所示:
如您所见,输出端有操作放大器,通过电阻器设置的固定增益来调节信号。
我们有一位客户希望将该板输出处的电压峰值增加到峰值,我们想知道是否可以通过软件修改输出电流,更改芯片的寄存器。
我们在数据表中找到了此寄存器:
对于粗糙_DAC,默认值为1111。 我们的测试程序(正常工作)在此注册表中有0011。 我们在运算放大器的输出端(在QSE1连接器中测量)确定780mV峰到峰值范围。
无论我们在这个寄存器中放入了什么值,它都不会改变任何内容,即使它没有在输出中添加任何具有特定值的内容。
是否有人能够澄清我们尝试做的事情?
显然,硬件修改可以解决这一问题,但我们真的有兴趣通过在可能的情况下更改此寄存器(或任何其他)来实现这一目标。
此致,
Timoteo


