This thread has been locked.

If you have a related question, please click the "Ask a related question" button in the top right corner. The newly created question will be automatically linked to this question.

[参考译文] ADS1198:ADS1198中的虚假直流导联脱落检测

Guru**** 2383350 points
Other Parts Discussed in Thread: ADS1198
请注意,本文内容源自机器翻译,可能存在语法或其它翻译错误,仅供参考。如需获取准确内容,请参阅链接中的英语原文或自行翻译。

https://e2e.ti.com/support/data-converters-group/data-converters/f/data-converters-forum/591417/ads1198-false-dc-lead-off-detection-in-ads1198

部件号:ADS1198

尊敬的TI团队:

     我在设计中使用ADS1198。 我已选择电流源直流导联脱落方法进行导联脱落检测。 寄存器设置如下所示。

WREG LoFF              0x0F   // 95 % 和5 % 时的比较器阈值, 电流源 //直流引线断开
WREG连接器4          0x02   //打开直流引线断开比较器
WREG LoFF_SENSP       0xFF   //打开所有通道的P侧以进行导联脱落感应
WREG LoFF_SENSN       0xFF   //打开所有通道的N侧以进行导联脱落感应

当所有的胸导联V1-V6和RL导联与病人身体断开时,我们面临着导联脱落检测问题(只有RA LA和LL导联与病人身体相连)。 我已在两个设备(相同硬件)中验证了这一点,这两个主板仅在这些特定情况下显示不同的值。如下所示。

  95 % -05 % 阈值
导联组合已连接
至患者身体
预期结果 device_1. 设备_2.
LoFF_
传感器
LoFF_
传感器
LoFF_
传感器
LoFF_
传感器
LoFF_
传感器
LoFF_
传感器
罗拉尔   0xFF 0x00 0xF9,
0xF9,
0xF9
0x00,
0x00,
0x00
0XF9,
0XF9,
0XF9
0x00,
0x70,
0xF6

      如上表所示,设备2中的LoFF_SENS值持续变化(0x00,0x70,0xF6)。如果任意一 个或所有胸部导联与RL导联连接,则两个设备都将显示预期结果。

下 表显示了有关以下两种设备的完整结果。

  95 % -05 % 阈值
导联组合已连接
至患者身体
预期结果 device_1. 设备_2.
LoFF_
传感器
LoFF_
传感器
LoFF_
传感器
LoFF_
传感器
LoFF_
传感器
LoFF_
传感器
左后左前左后V1 V2 V3 V4 V5 V6 0x00 0x00 0x00 0x00 0x00 0x00
左后左前左后V1 V2 V3 V4 V5   0x01 0x00 0x01 0x00 0x01 0x00
左后左前左后V1 V2 V3 V4   0x41 0x00 0x41 0x00 0x41 0x00
左后左前左后V1 V2 V3   0x61 0x00 0x61 0x00 0x61 0x00
左后左后V1 V2   0x71 0x00 0x71 0x00 0x71 0x00
RL RA LA LL V1   0x79 0x00 0x79 0x00 0x79 0x00
RL RA LA LL   0xF9 0x00 0xF9 0x00 0xF9 0x00
Rl Ra la   0xFD 0x00 0xFD 0x00 0xFD 0x00
左后 0xFF 0x00 0xFF 0x00 0xFF 0x00
RL   0xFF 0x06 0xFF 0x06 0xFF 0x06
罗拉尔   0xFF 0x00 0xF9,
0xF9,
0xF9
0x00,
0x00,
0x00
0XF9,
0XF9,
0XF9
0x00,
0x70,
0xF6
拉拉   0xFF 0x06 0xFF 0x06 0xFF 0x06
右心房   0xFF 0x06 0xFF 0x06 0xFF 0x06
左   0xFF 0x06 0xFF 0x06 0xFF 0x06
LL. 0xFF 0x06 0xFF 0x06 0xFF 0x06
右心房左心房V1 V2 V3 V4 V5 V6 0xFF 0x00 0xFF 0x00 0xFF 0x00
右心房左心房V1 V2 V3 V4 V5 0xFF 0x00 0xFF 0x00 0xFF 0x00
右心房左心房V1 V2 V3 V4 0xFF 0x00 0xFF 0x00 0xFF 0x00
RA LA LL V1 V2 V3 0xFF 0x00 0xFF 0x00 0xFF 0x00
右心房左心房V1 V2 0xFF 0x00 0xFF 0x00 0xFF 0x00
右左心房V1   0xFF 0x00 0xFF 0x00 0xFF 0x00

请澄清以下事项。

  • 当只有LA,LL,RA连接到身体时,为什么两个设备都显示错误的结果(RL导联和胸部导联V1至 V6断开)。
  • RL导联的导联脱落检测如何取决于胸部导联V1- V6。 (这意味着,如果任意一个或所有胸部导联与LA,LL,RA导联相连, 我将得到预期结果- LoFF_SENSP = 0xFF, LoFF_SENSN = 0x00)

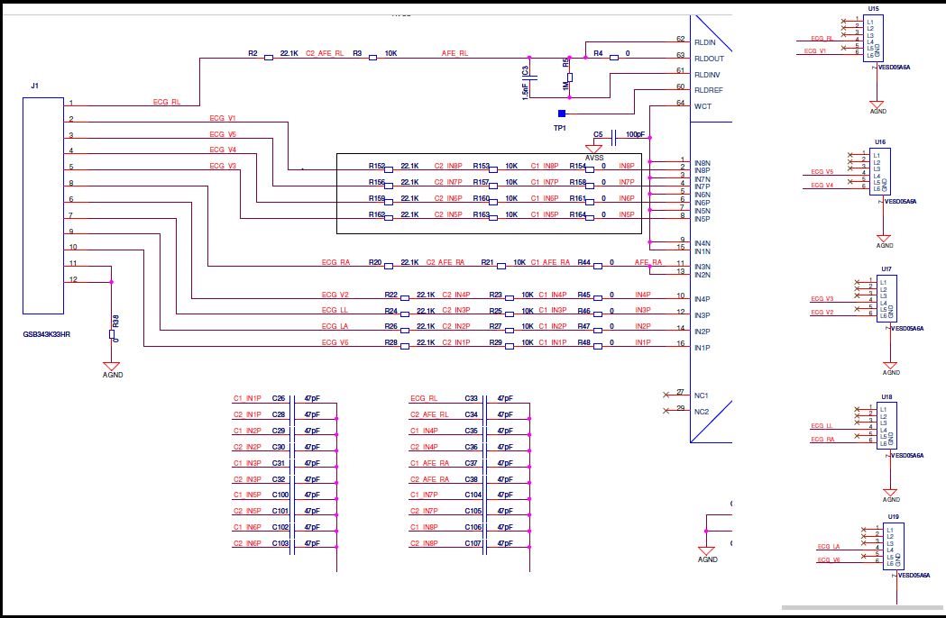
  下面附上了相同的原理图。

谢谢,此致,

Bhairu

  • 请注意,本文内容源自机器翻译,可能存在语法或其它翻译错误,仅供参考。如需获取准确内容,请参阅链接中的英语原文或自行翻译。

    您好Bairu:

    导联断开电路的操作相对简单。 每个输入上都有一个电流源和一个比较器。 RL电极用作调节电压,可吸收任何导联脱落电流。 了解任何一种情景应该如何发挥作用,这需要将基尔乔夫的现行法则应用到您正在分析的患者身上。  

    但是,您必须注意的一点是,电流源不能像RLD放大器那样偏向患者。 所以在我们的第一个例子中,RA,LA和LL是相连的,你首先会看到这些电极是相连的,但是过了一段时间,电极的电压开始漂移,因为RL断开,最后它们开始指示导联脱落。

    加速此行为的一种方法是仅为连接到RA的其中一个输入(即IN2N或IN3N,但不能同时打开)打开导联断开电流源。 这样,当RA关闭时,来自LA和LL的额外电流将导致至少其中一个输入更快地高电流。

    此外,连接到WCT的输入不提供有关导联脱落状态的任何实际信息。 我建议禁用这些输入的当前源。

    总之,我建议将LoFF_SENSN更改为0x04或0x02。


    您是否理解我的答案?

    Brian

  • 请注意,本文内容源自机器翻译,可能存在语法或其它翻译错误,仅供参考。如需获取准确内容,请参阅链接中的英语原文或自行翻译。

    尊敬的Brian:

    感谢您的快速回复。 对于 大多数病例,除了下面突出显示的两个病例(胸部导联V1- V6与患者身体断开, 胸导联的导联状态是按预期检测的,但未考虑到表中的因素),

    95 % -05 % ,,LoFF_SENSN = 0x04

    导联组合已连接

    至患者身体

    预期 设备1 设备2
    导联关闭 导联关闭
    检测到
    导联关闭
    检测到
    Ra la RL LL.
    Ra la RL LL. LL. LL.
    拉拉 所有潜在客户 LL. LL.
    右心房   所有潜在客户 所有潜在客户 所有潜在客户
      所有潜在客户 所有潜在客户 所有潜在客户
    拉丁美洲 所有潜在客户 所有潜在客户 所有潜在客户
    左心房 RA LL. RA LL. RA LL.
    右心房    右心房    右心房   
    RL LL 拉拉   拉拉 拉拉
     LL. 所有潜在客户 所有潜在客户 所有潜在客户
    RA  LL. 所有潜在客户 拉丁美洲     拉丁美洲   
    Ra  RL LL 拉丁美洲    拉丁美洲 拉丁美洲
    Ra  RL   所有潜在客户 所有潜在客户 所有潜在客户
    RL   所有潜在客户 所有潜在客户 所有潜在客户
    所有潜在客户 所有潜在客户 所有潜在客户
    罗拉  所有潜在客户 所有潜在客户 所有潜在客户

         请建议合适的解决方案来解决此问题。

    谢谢,此致,

    Bhairu

    95 % -05 % ,LoFF_SENSN = 0x04
    导联组合已连接 预期 设备1 设备2
    导联关闭 导联关闭 导联关闭
    拉拉 所有潜在客户 LL. LL.
    RA  LL. 所有潜在客户 拉丁美洲     拉丁美洲   
  • 请注意,本文内容源自机器翻译,可能存在语法或其它翻译错误,仅供参考。如需获取准确内容,请参阅链接中的英语原文或自行翻译。
    您好Bhairu,

    这里的问题是LA和LL为病人提供电流,RA为漏电流。 当RL被移除时,电流将使电压保持稳定状态一小段时间。 但是,最终也应该为这些电极指示导联脱落,但不能立即指示。

    Brian
  • 请注意,本文内容源自机器翻译,可能存在语法或其它翻译错误,仅供参考。如需获取准确内容,请参阅链接中的英语原文或自行翻译。

    尊敬的Brian:

            感谢您的快速回复。 我正在使用ADS1198用于3种不同的变体应用,如下所示。

    • 12导联(LA,LL,RA,RL, V1,V2,V3,V4,V5,V6)
    • 肢体导联(LA,LL,RA,RL) 和
    • 单导联(LA,RA,RL 或LL,RA,RL)  

         我已根据您对LoFF_SENSN (0x04或0x02)的建议进行了更改。 结果如下所示。 这适用于所有导联和肢体导联应用,但单导联应用无法检测RL。   

        我已经使用LoFF_SENSN (0x00)进行了测试,这在所有情况下都很有效。 测试结果如下所示。

    LoFF_SENSN
    注册设置
     RL检测
    所有导联 肢体导联 单导联  
    0xFF 通过 失败 失败
    0x04或0x02 通过 通过 失败
    0x00 通过 通过 通过

     LoFF_SENSP和LoFF_SENSN值如下所示。

    使用的导联组合 导联组合已连接
    至实体
    LoFF_SENSN
    注册设置
    预期 设备1 设备2.
    LoFF_
    传感器
    LoFF_
    传感器
    LoFF_
    传感器
    LoFF_
    传感器
    LoFF_
    传感器
    LoFF_
    传感器
    肢体导联
    (LA,LL,RA,RL)
    LA,LL,RA 0xFF 0xFF 0x00 0x00 0x00 0x00 0x00
    0x04或0x02 0xFF 0x00 0xFF 0x00 0xFF 0x00
    0x00 0xFF 0x00 0xFF 0x00 0xFF 0x00
    单导联
    (LL,RA,RL)
    LL,RA 0xFF 0xFF 0x00 0x00 0x00 0x00 0x00
    0x04或0x02 0xFF 0x00 0x00 0x00 0x00 0x00
    0x00 0xFF 0x00 0xFF 0x00 0xFF 0x00
    单导联
    (LA,RA,RL)
    LA,RA   0xFF 0xFF 0x00 0x00 0x00 0x00 0x00
    0x04或0x02 0xFF 0x00 0x00 0x00 0x00 0x00
    0x00 0xFF 0x00 0xFF 0x00 0xFF 0x00

            

          通过 断开所有胸部导联V1 至V6,在LLA,LL,RA和RL的所有组合中,使用LoFF_SENSN = 0x00执行测试。 测试结果如下所示。 导联脱落检测非常有效,除了一种情况,即只有RA连接到主体,如下面突出显示的中所示。

    95 % -05 % ,LoFF_SENSN = 0x00,  
    导联组合已连接
    至实体
    预期 设备1 设备2.
    LoFF_
    传感器
    LoFF_
    传感器
    LoFF_
    传感器
    LoFF_
    传感器
    LoFF_
    传感器
    LoFF_
    传感器
    Ra la RL LL. 0xF9 0x00 0xF9 0x00 0xF9 0x00
    Ra la RL 0xFD 0x00 0xFD 0x00 0xFD 0x00
    拉拉 0xFF 0x00 0xFF 0x00 0xFF 0x00
    右心房   0xFF 0x00 0xFF 0x06 0xFF 0x06
      0xFF 0x06 0xFF 0x06 0xFF 0x06
    拉丁美洲 0xFF 0x06 0xFF 0x06 0xFF 0x06
    左心房 0xFD 0x06 0xFD 0x06 0xFD 0x06
    0xF9 0x06 0xF9 0x06 0xF9 0x06
    RL LL 0xFB 0x06 0xFB 0x06 0xFB 0x06
     LL. 0xFF 0x06 0xFF 0x06 0xFF 0x06
    RA LL. 0xFF 0x00 0xFF 0x00 0xFF 0x00
    Ra RL LL 0xFB 0x00 0xFB 0x00 0xFB 0x00
    Ra RL   0xFF 0x00 0xFF 0x00 0xFF 0x00
    RL   0xFF 0x06 0xFF 0x06 0xFF 0x06
    0xFF 0x06 0xFF 0x06 0xFF 0x06
    罗拉 尔 0xFF 0x00 0xFF 0x00 0xFF 0x00

          请澄清以下事项。

    • 导联检测如何适用于RA,即使RA的导联检测被禁用(CH2N & CH3N)。  
    • 对于ADS1198,是否可以使用LoFF_SENSN = 0x00。 这会影响ADS1198 (ECG信号)的性能。

    谢谢,此致,

    Bhairu

  • 请注意,本文内容源自机器翻译,可能存在语法或其它翻译错误,仅供参考。如需获取准确内容,请参阅链接中的英语原文或自行翻译。

    您好Bhairu,

    • 即使与RA电极对应的LoFF_SENSN位被禁用,比较器仍处于启用状态,这意味着它仍然可以过渡。 但是,我没有解释为什么LoFF_statn会继续按预期的方式运行,即使当前源已启用。 它可能与您接通和断开电极的顺序有关。 无论如何,我认为这最终不会重复或可靠。
    • 心电图性能不应受到任何导联脱落设定的影响,因此从该角度来看是可以的。 但是,请注意,我不知道它是如何正确指示的,我不确定它是否会在以后的每一次工作中都起作用。

    Brian

  • 请注意,本文内容源自机器翻译,可能存在语法或其它翻译错误,仅供参考。如需获取准确内容,请参阅链接中的英语原文或自行翻译。

    尊敬的Brian:

            感谢您的快速回复。  我已经考虑了你建议的以下改动,而且效果很好。

    • 将LoFF_SENSN更改为0x04或0x02。

     

    谢谢,此致,

    Bhairu