Other Parts Discussed in Thread: LM2575, MSP430F5529, ADS1220
主题中讨论的其他部件:MSP430F5529,LM2575, MSPWARE
您好,
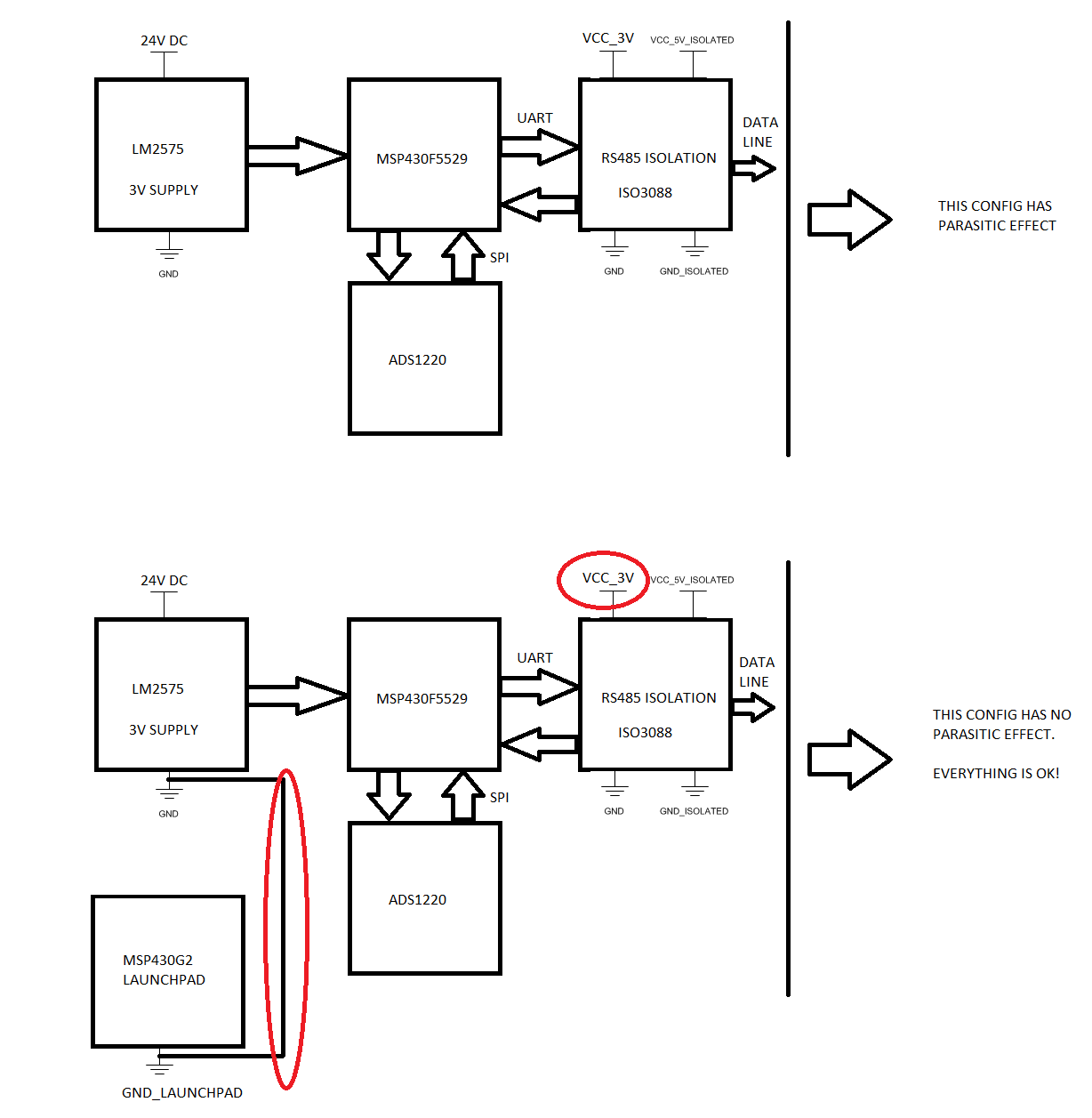
我设计了一个使用MSP430F5529微控制器和ADS1220 IC测量电阻的定制板。 此外,该板还具有隔离的RS485线路,可将测量数据发送到PC。 我遵循了Github上的ADS1220数据表和MSP430库以获得读阻值。
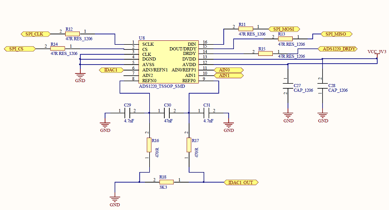
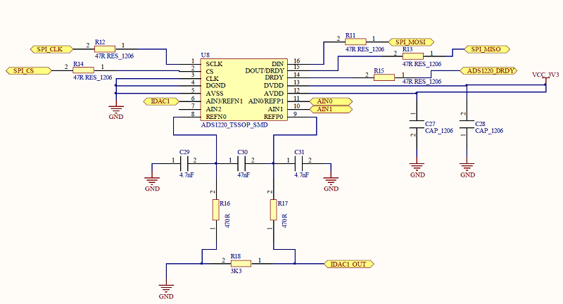
我设计了如ADS1220数据表所示的印刷电路板布局,但底部未覆盖GND。 电源线从侧面进入ADS1220。
如果没有任何东西靠近PCB底部,ADS1220就可以完美工作。 如果我将手指靠近5 mm (或将其放在表上),ADS1220将返回“-1”值,并进入不稳定模式。 在离开主板后(没有任何东西靠近PCB底部),它将返回到真值。
我做了一些测试:
如果我只将 MSP430G2启动板的GND连接到定制板的GND,寄生效应就会消失! 我正在使用MSP430G2启动板作为主板的编程器设备。
LM2575为MSP430F5529和ADS1220提供3.3V电源。 ADS1220的模拟和数字电源电压不是隔离的(供您参考)。
你能提出什么建议来使这种寄生效应得到影响吗? MSP430G2启动板的效果是什么?
此致,
奥努尔





