This thread has been locked.

If you have a related question, please click the "Ask a related question" button in the top right corner. The newly created question will be automatically linked to this question.

[参考译文] DAC128S085EVM:DAC128S085EVM

Guru**** 2782445 points

Other Parts Discussed in Thread: DAC128S085EVM, MSP-EXP430FR6989, DAC128S085, ENERGIA, MSP-EXP430F5529LP, MSP430FR6989, DAC8803EVM, MSP430F5529

请注意,本文内容源自机器翻译,可能存在语法或其它翻译错误,仅供参考。如需获取准确内容,请参阅链接中的英语原文或自行翻译。

https://e2e.ti.com/support/data-converters-group/data-converters/f/data-converters-forum/635594/dac128s085evm-dac128s085evm

部件号:DAC128S085EVM
线程中讨论的其他部件: MSP-EXP430FR6989DAC128S085ENERGIAMSP-EXP430F5529LPMSP430FR6989DAC8803EVMMSP430F5529

您好,

我正在将MSP-EXP430FR6989连接到 DAC128S085EVM, 我逐步遵循 了DAC128S085EVM的用户指南,但我没有找到 “DAC128S085EVM_Firmware-v 0.87 EVM.txt!在用户指南中,他们只是说“如果您从FAE接收DAC128S085EVM,固件是文本文件“DAC128S085FAVM_Firmware-v EVM.txt 0.87 ”!!因此,如果我不能从FAE接收它,我应该接收什么 是吗?

FAE是什么? 在哪里可以找到 DAC128S085EVM-Firmware-vx.txt 0.87 ?我查看了我的PC。

我已经安装了CCS。

谢谢!

萨利

  • 请注意,本文内容源自机器翻译,可能存在语法或其它翻译错误,仅供参考。如需获取准确内容,请参阅链接中的英语原文或自行翻译。
    另一个问题是,我就读的大学不提供任何有关TI仪器的课程,因此除了用户指南(通常对初学者来说不清楚)之外,是否有任何清晰易懂的资源可供学习如何使用这些器件?
    谢谢你
  • 请注意,本文内容源自机器翻译,可能存在语法或其它翻译错误,仅供参考。如需获取准确内容,请参阅链接中的英语原文或自行翻译。

    您好,Sali,
    不确定您为何未遵循用户指南中的所有说明。 相关章节(第5页)的全文如下:

    如果您从FAE接收DAC128S085EVM,则软件GUI将位于.zip文件中。 否则,
    单击此链接 www.ti.com/.../dac128s085,向下滚动至“软件”部分,然后
    下载最新的评估版软件。

    我们注意到链接不正确。 但是EVM URL的底部有GUI安装程序,请使用以下链接:

    www.ti.com/.../DAC128S085EVM

    软件(1)
    DAC12xSxxx EVM GUI (修订版 b)

    从学习TI产品的角度来看,我建议使用您感兴趣的产品网页上的“支持和培训”选项卡。  在DAC128S085情况下,您可以看到下图:

  • 请注意,本文内容源自机器翻译,可能存在语法或其它翻译错误,仅供参考。如需获取准确内容,请参阅链接中的英语原文或自行翻译。

    感谢您的回复。

    正如我所说的,我严格遵循了用户指南,并且我已经从用户指南中提供的链接安装了软件,直到我到达浏览文件的位置  

    “DAC128S085EVM-Firmware-DACv.txt 0.87 ”

    我没有找到。

    现在您说用户指南中提供的链接错误了,您的意思是我必须卸载已安装的内容并从您提供的链接重新安装吗?

    谢谢!

    萨利

  • 请注意,本文内容源自机器翻译,可能存在语法或其它翻译错误,仅供参考。如需获取准确内容,请参阅链接中的英语原文或自行翻译。

    您好,Sali,

    我将看到是否可以找到BSL加载软件的固件文件。  我认为您不需要卸载该软件。  

    从学习的角度来看,我认为一个很好的开始的地方是看看启动板的一些SPI示例。  此器件具有相对简单的寄存器映射,因此,如果您可以获得以C语言运行的SPI示例程序或使用TI的Energia系统运行的SPI示例程序,则可以开始尝试写入DAC通道。  如果您对微控制器或C没有太多的经验,那么我建议您从Energia开始。  Energia是一种IDE平台设计,用于教育学生和业余爱好者了解微控制器基础知识,因此它是深入了解硬件的一种有趣方式。  此外,如果您可以访问逻辑分析仪或示波器,则应该能够非常快速地调试任何问题。  Saleae逻辑分析仪相对便宜,是一款拥有的好工具。

    https://www.adafruit.com/product/2312

    如果您需要有关Launchpad系统入门的帮助,请告诉我。  MSP E2E论坛也是一个很好的资源。

    谢谢!

    保罗

  • 请注意,本文内容源自机器翻译,可能存在语法或其它翻译错误,仅供参考。如需获取准确内容,请参阅链接中的英语原文或自行翻译。

    非常感谢Paul,我将查看您发送的链接。

  • 请注意,本文内容源自机器翻译,可能存在语法或其它翻译错误,仅供参考。如需获取准确内容,请参阅链接中的英语原文或自行翻译。
    您好,Paul:
    我的PC上安装了CCS ENERGIA和CCS之间是否有区别?
    谢谢
  • 请注意,本文内容源自机器翻译,可能存在语法或其它翻译错误,仅供参考。如需获取准确内容,请参阅链接中的英语原文或自行翻译。
    是的,Energia是一个独立工具,用于对MSP Launchpad进行编程。 它基于Arduino编码环境,使用简单的伪Java类型语言,适用于教育/学术/业余类型设计。 CCS允许您以C语言进行代码,它具有最丰富的功能。
  • 请注意,本文内容源自机器翻译,可能存在语法或其它翻译错误,仅供参考。如需获取准确内容,请参阅链接中的英语原文或自行翻译。

    e2e.ti.com/.../7776.dac12xSxxx_5F00_fw_2D00_vSali.txtHi 0.87

    请继续尝试此EVM固件文件。  你的里程会有所不同:)

  • 请注意,本文内容源自机器翻译,可能存在语法或其它翻译错误,仅供参考。如需获取准确内容,请参阅链接中的英语原文或自行翻译。

    您好,Paul:

    感谢您提供文件。 但我的PC中尚未检测到设备,Windows显示USB设备无法识别。   

  • 请注意,本文内容源自机器翻译,可能存在语法或其它翻译错误,仅供参考。如需获取准确内容,请参阅链接中的英语原文或自行翻译。
    您使用的是什么启动板? 您是否正在使用BSL按钮功能?
  • 请注意,本文内容源自机器翻译,可能存在语法或其它翻译错误,仅供参考。如需获取准确内容,请参阅链接中的英语原文或自行翻译。
    我正在将MSP-EXP430FR6989连接到DAC128S085EVM,然后在中按S3-RST按钮后浏览您发送的文件
    MSP-EXP430FR6989,同时通过USB将其连接至PC。
  • 请注意,本文内容源自机器翻译,可能存在语法或其它翻译错误,仅供参考。如需获取准确内容,请参阅链接中的英语原文或自行翻译。

    e2e.ti.com/.../DAC12xSxxxEVM_5F00_FW_5F00_vBSL.zipOk,我认为MSP-EXP430FR6989不支持程序正在尝试使用的0.87 功能。  Launchpad缺少BSL按钮,应在为设备通电时按下。  我认为EVM使用的是MSP-EXP430F5529LP。  我附上了原始CCS项目,如果你愿意,你可以尝试将代码调整为6989。  您也可以使用5529 Launchpad试用。  最后,我想重申,此EVM软件非常基本,而且大多数情况下只允许用户直接写入DAC寄存器。  我认为尝试实施SPI示例程序并与EVM进行交谈将是一个有趣的项目。  您甚至可以使用我所附的演示作为起点,尽管其中有一些其他代码用于进行USB通信。

    如果您对此有更多疑问,请告诉我。  如果您想尝试获得一个新的CCS项目,请随时在此论坛或MSP论坛中开始新的主题。

  • 请注意,本文内容源自机器翻译,可能存在语法或其它翻译错误,仅供参考。如需获取准确内容,请参阅链接中的英语原文或自行翻译。

    感谢Paul的帮助。

    为了使代码适应MSP430FR6989,您是否要修改此文件"usbConstructs.c"?  

  • 请注意,本文内容源自机器翻译,可能存在语法或其它翻译错误,仅供参考。如需获取准确内容,请参阅链接中的英语原文或自行翻译。
    这有点超出了我的专业知识,但我认为您需要修改一些项目选项,以便生成目标为6989而不是5529。
  • 请注意,本文内容源自机器翻译,可能存在语法或其它翻译错误,仅供参考。如需获取准确内容,请参阅链接中的英语原文或自行翻译。

    您好,Paul:

    现在,我已将DAC128S085EVM和MSP430F5529LP连接在一起,打开了"MSP USB固件升级示例"软件,然后浏览了文件“7776.dac12xSxxx_FW-v 0.87 ”,之后,我在连接到USB时一直按S3,但未检测到设备, 在执行此步骤之前,我应该做些什么?我是否应该将“7776.dac12xSxxx_FW-v 0.87 ”文件放在特定文件夹中?

    谢谢你

  • 请注意,本文内容源自机器翻译,可能存在语法或其它翻译错误,仅供参考。如需获取准确内容,请参阅链接中的英语原文或自行翻译。
    请尝试以下步骤:
    1.断开EVM与启动板的连接
    2.将LP插入USB -无需按任何按钮。
    3.按住RST按钮
    4.按住RST按钮的同时,按住BSL按钮
    5.等待1秒钟,然后松开RST按钮
    6.等待1秒钟,然后松开BSL按钮
    7.启动固件实用程序。

    那么它是否检测到? 您还可以确认您使用的是PC/笔记本电脑上的USB端口,而不是USB集线器。
  • 请注意,本文内容源自机器翻译,可能存在语法或其它翻译错误,仅供参考。如需获取准确内容,请参阅链接中的英语原文或自行翻译。
    非常感谢Paul,现在检测到了。
    我所做的只是因为我想生成9个直流模拟信号,将其用作其他电路的输入, 我不知道为什么要将EVM连接到MSP430,我只是按照说明操作,但我不理解原因,我认为EVM本身可以生成我需要的直流信号!
    如果您有关于如何生成直流信号的任何相关文档,请参阅。
    再次感谢,
    萨利
  • 请注意,本文内容源自机器翻译,可能存在语法或其它翻译错误,仅供参考。如需获取准确内容,请参阅链接中的英语原文或自行翻译。
    我发现此文档是否可以用作参考?
    “将DAC8803EVM连接到MSP430处理器”
  • 请注意,本文内容源自机器翻译,可能存在语法或其它翻译错误,仅供参考。如需获取准确内容,请参阅链接中的英语原文或自行翻译。
    那么这些将是静态9V直流吗? 他们是否在为另一台设备供电? 您需要多少电流?
  • 请注意,本文内容源自机器翻译,可能存在语法或其它翻译错误,仅供参考。如需获取准确内容,请参阅链接中的英语原文或自行翻译。
    是的,信号的数量是9个直流信号,值不同,它们是静态的,但我应该能够实时更改该值,电流将在0.2 到2mA的范围内。
  • 请注意,本文内容源自机器翻译,可能存在语法或其它翻译错误,仅供参考。如需获取准确内容,请参阅链接中的英语原文或自行翻译。
    它们不为其它电路供电,而是使用另一个MSP430 (MSP430FR6989)读取的输入
  • 请注意,本文内容源自机器翻译,可能存在语法或其它翻译错误,仅供参考。如需获取准确内容,请参阅链接中的英语原文或自行翻译。
    好的,所有DAC都需要一些数字输入来设置输出代码。 在此EVM中,我们使用Launchpad创建数字输入,因为其成本低,但您可以使用任何能够生成SPI信号的平台。 熟悉该器件的工作方式后,您可以将EVM连接到MSP430FR6989,并使用相同的LP来控制两个电路。 大多数Launchpad板是可堆叠的,因此布线可能最少。

    您可以找到一些具有EEPROM存储器的DAC,以便在电源循环后保留值,但我认为这不是您真正需要的解决方案。
  • 请注意,本文内容源自机器翻译,可能存在语法或其它翻译错误,仅供参考。如需获取准确内容,请参阅链接中的英语原文或自行翻译。

    您好,Paul:

    我再次阅读EVM用户指南,发现在器件列表中没有找到MSP430 USB示例,如下图所示。 这是我的目标。

    谢谢你

  • 请注意,本文内容源自机器翻译,可能存在语法或其它翻译错误,仅供参考。如需获取准确内容,请参阅链接中的英语原文或自行翻译。
    我认为TI_ADC_DAC_EVM器件是正确的,我认为一次可能有多个版本的固件。

    谢谢!
  • 请注意,本文内容源自机器翻译,可能存在语法或其它翻译错误,仅供参考。如需获取准确内容,请参阅链接中的英语原文或自行翻译。

    谢谢Paul。

    此GUI是否足以提供8个直流模拟信号? 我尝试了那里的数字,然后使用了电压表,但并非所有引脚都有相同的电压。  此GUI与对MSP430F5529进行编程并 通过SPI将其连接到DAC之间有何区别? 我的意思是,在哪种情况下,此GUI会变得有用?

    谢谢

  • 请注意,本文内容源自机器翻译,可能存在语法或其它翻译错误,仅供参考。如需获取准确内容,请参阅链接中的英语原文或自行翻译。
    您好,Sali,

    这应该足以让您开始。 有关DAC更新机制如何工作的信息,请参阅8.3 6部分。 实际上,您需要将设备置于直写模式(WTM),然后分别为每个通道寻址。 这两个表应显示这些命令。
  • 请注意,本文内容源自机器翻译,可能存在语法或其它翻译错误,仅供参考。如需获取准确内容,请参阅链接中的英语原文或自行翻译。

    您好,Paul:

    我先将1001写入DB15-11以处于WRT模式,然后按WRITE。

    然后我在DB15-12中写入0000,在DB11-0中写入800,我选择了HEX。

    但是当我使用电压表测量通道A中的电压时,它给了我3毫伏!实际上,我不知道VreF1和Vref2在哪里,它们在板上不清楚。

    谢谢你

  • 请注意,本文内容源自机器翻译,可能存在语法或其它翻译错误,仅供参考。如需获取准确内容,请参阅链接中的英语原文或自行翻译。
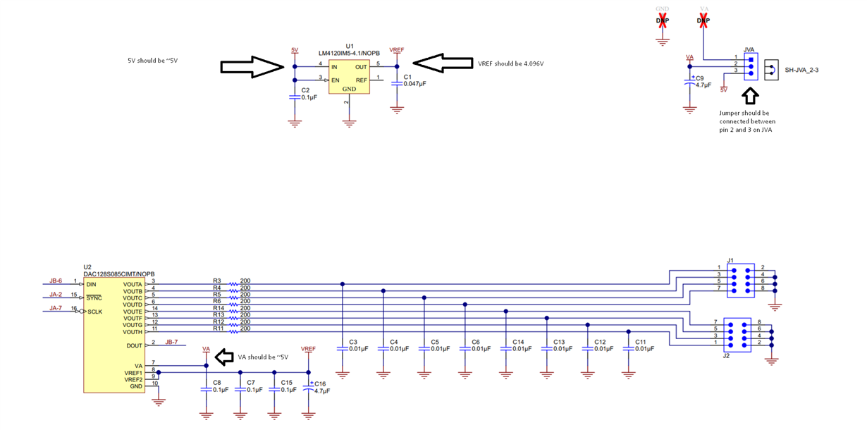
    U1生成参考电压。 能否确认U1引脚5 (连接到盖C1)是否为4.095V? 此外,您还应确认DAC正在接收5个VA。 您可以在跳线接头JVA上确认,其引脚2和3之间应有分流器。 如果器件正在正常通电,则需要确认SPI命令是否通过逻辑分析仪或示波器到达DAC。

    请告诉我是否有效。
  • 请注意,本文内容源自机器翻译,可能存在语法或其它翻译错误,仅供参考。如需获取准确内容,请参阅链接中的英语原文或自行翻译。

    您好,Paul:

    针脚U1处的电压为5.1 V!  

    您是指引脚2和3 dout以及VoutA吗? 我应该将它们连接起来吗?

    我只连接了USB,没有外部电压!

  • 请注意,本文内容源自机器翻译,可能存在语法或其它翻译错误,仅供参考。如需获取准确内容,请参阅链接中的英语原文或自行翻译。

    您好,Sali,

    我不太确定我们是否在同一页上,我希望您确认3点处的电压。

    如果您看到这些节点的电压正确,则应尝试验证是否正确生成了SPI信号。

    谢谢!

    保罗

  • 请注意,本文内容源自机器翻译,可能存在语法或其它翻译错误,仅供参考。如需获取准确内容,请参阅链接中的英语原文或自行翻译。
    谢谢Paul,我验证了信号并且它们的号码正确,然后我断开了所有连接,关闭软件并重新连接USB,然后我在DB 15-12中发送了1001,在DB 11:0中发送了800, 然后,我测量了VA (VoutA),2.01 V,Vref的一半,这个数字正确吗?
  • 请注意,本文内容源自机器翻译,可能存在语法或其它翻译错误,仅供参考。如需获取准确内容,请参阅链接中的英语原文或自行翻译。
    这似乎是对的,做得好!