This thread has been locked.

If you have a related question, please click the "Ask a related question" button in the top right corner. The newly created question will be automatically linked to this question.

[参考译文] ADS1292RECG-FE:如果我没有为RL反馈放入DNI块,会发生什么情况?

Guru**** 2561930 points
Other Parts Discussed in Thread: ADS1292R

请注意,本文内容源自机器翻译,可能存在语法或其它翻译错误,仅供参考。如需获取准确内容,请参阅链接中的英语原文或自行翻译。

https://e2e.ti.com/support/data-converters-group/data-converters/f/data-converters-forum/657006/ads1292recg-fe-what-happen-if-i-did-not-put-in-the-dni-block-for-rl-feed-back

部件号:ADS1292RECG-FE
主题中讨论的其他部件:ADS1292R

我有一些关于ADS1292R演示板的问题,  

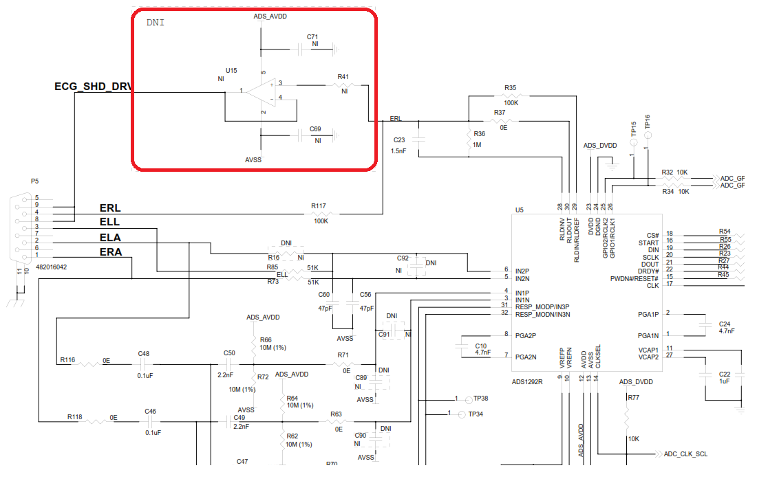
1.在用户指南中,RL反馈是通过DNI(不安装)块完成的,如所附照片所示,如果我没有放入DNI块会发生什么情况?

2.在这种情况下,我们是否仍需要连接RL? 我们可以让它继续工作,还是将它接地,

3.如果我只对呼吸测量感兴趣,我是否需要注意RL? 我们只能使用2个电极吗,例如RA和LA?

  • 请注意,本文内容源自机器翻译,可能存在语法或其它翻译错误,仅供参考。如需获取准确内容,请参阅链接中的英语原文或自行翻译。

    您好,Trizit,

    该图像中的DNI电路仅用于驱动电极电缆的屏蔽层。 某些应用使用此技术来降低电缆的寄生电容,从而减少从屏蔽到电极导线的噪声耦合。 RLD放大器产生反向共模信号。 从技术上讲,防护罩应由非反向共模信号驱动,因此RLD输出应在连接到防护罩("ECG_SHD_DRV")之前再次反转。

    如果您决定不使用屏蔽驱动器电路,则只需将其卸载即可。 如果您的应用允许使用3个或更多电极,RLD电极仍可用于偏置身体并消除共模噪声。

    您提出了一个好的观点-如果您只关心测量呼吸,您可能只需要两个电极:RA和LA。 输入信号无论如何都是交流耦合的,并带有电阻分压器。 此外,您需要以低通滤波器滤波数据,切断通常< 10 Hz,因此50 Hz / 60 Hz噪声不是问题。 我们没有对使用和不使用RLD的呼吸测量进行任何比较,因此很遗憾,我没有提供额外的数据。 来试试吧!

    此致,