Other Parts Discussed in Thread: ADC08D1520
您好,
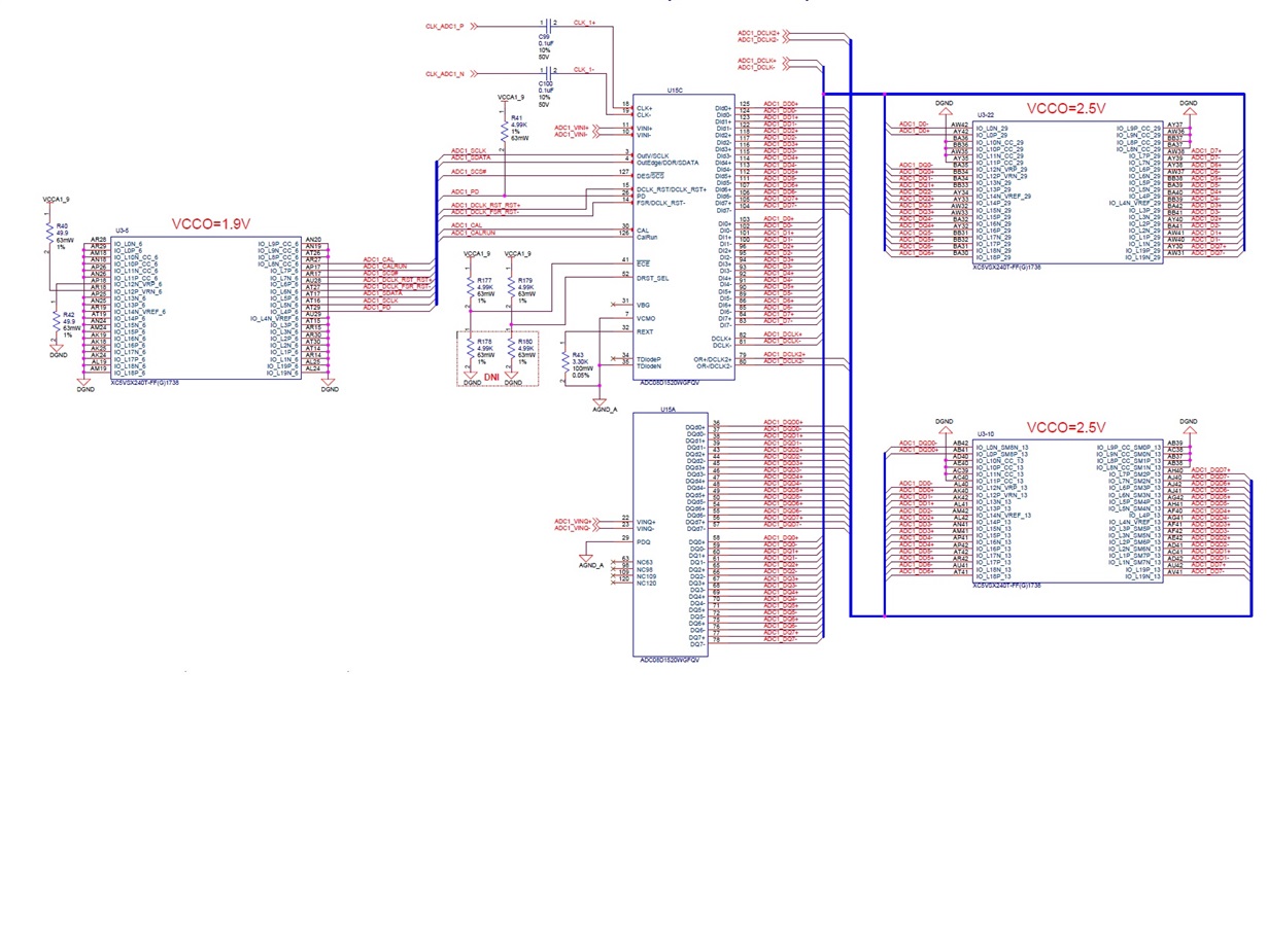
我们正在尝试在 双通道模式下使用ADC08D1520,所附是ADC接口的示意图。 我们想对250 MSPS /通道的数据进行采样。 现在,我们正在将250MHz时钟作为输入时钟馈入ADC (CLK+/-)。 输入频率是否正确? ADC (DCLK+/-,DCLK2+/-)的输出时钟频率是多少?
以下是我们的配置顺序:
x"001",x"1"和x"92FF";--标题和注册地址及注册数据(ConfigReg)
x"001",x"9"和x"27FF";--标题和注册地址及注册数据(ExtConfigReg)
x"001",x"2"和x"007F";--标题和注册地址及注册数据(IoffsetReg)
x"001"& x"A"& x"007F";--标题和注册地址与注册数据(QoffsetReg)
x"001"& x"3"& x"F07F";--报头和注册地址与注册数据(IfullscaleReg)
x"001"& x"B"& x"F07F";--标题和注册地址与注册数据(QfullscaleReg)
x"001"& x"0"& x"FFFFFF";--标题和注册地址与注册数据(校准注册)
请您帮助我们了解上述数据速率的配置顺序吗?
如果您有任何疑问或疑虑,请告知我们。
提前感谢
mk
