尊敬的TI社区:
我很抱歉这个问题真的很基本。
请教我有关ADS9120的知识。
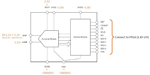
我设计的电路如下图所示。 
我认为:
ADC全刻度由VREFP / M定义
->在这种情况下,范围为0到2.5V。
ADC代码0000由AINM电压指定。
->在本例中为1.2V。
这种理解是否正确?
在这种情况下,我认为可以如下图所示读取数据。
这种理解是否正确? 
在配置的情况下,我假设有一个接近0伏的非线性区域。
此设备的线性是否保证在0V左右?
如果不能保证,对于接近0伏的非线性,应考虑多少电压?
感谢您的合作,
海神河