This thread has been locked.

If you have a related question, please click the "Ask a related question" button in the top right corner. The newly created question will be automatically linked to this question.

[参考译文] ADS1293:常见抑制过低。

Guru**** 2387830 points
Other Parts Discussed in Thread: ADS1293
请注意,本文内容源自机器翻译,可能存在语法或其它翻译错误,仅供参考。如需获取准确内容,请参阅链接中的英语原文或自行翻译。

https://e2e.ti.com/support/data-converters-group/data-converters/f/data-converters-forum/1096893/ads1293-common-rejection-is-too-low

部件号:ADS1293

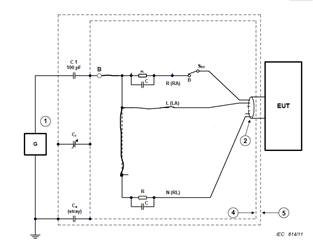
我们正在运行IEC6.0601万-2-27章节201.12 .1.101 Tm10共模抑制测试。  该测试需要以下电路(为清晰起见已编辑)

其中信号源为10Vrms。   

结果要求输出信号在50和60 Hz时先为LES,然后为1 mV (10 mm)峰值。   

我们可以顺利地通过60 Hz, 但是在50Hz时  ,输出信号为 3 mV峰值到谷值。请参见下图。  

60 Hz时的信号:

信号为50 Hz

根据ADS1293数据表,50/60 Hz的CMRR为100 db。  但是,这些信号高于预期。 这些信号是在打开RLD的情况下发出的。   

您是否有任何有关ADS1293的配置建议?

以下是ads1293的当前设置:

0x 0,0x 1
0x 1,0x 0
0x 2,0x14
0x 3,0x 0
0x 4,0x 0
0x 5,0x0
0x 60x 0
0x 7,0x A
0x 8,0x f
0x 9,0x 0
0x A,0x e
0x b,0x 0
0x c,0x 1
0x d,0x 0
0x e,0x 0
0x f,0x 0
0x10,0x 0
0x110x 0
0x12,0x 6
0x13,0x 0
0x14,0x 0
0x15,0x 0
0x16,0x 0
0x17,0x 5
0x18,0x A
0x19,0x7b
0x1a,0x54
0x1b,0x5e
0x1c,0x54
0x1d,0x 0
0x1E,0x 3
0x1f,0x 3
0x20,0x 0
0x21,0x4
0x22,0x10
0x23,0x10
0x24,0x10
0x25,0x 0
0x26,0x 0
0x27,0x 2
0x28,0x40
0x29,0x 0
0x2a,0x 0
0x2b,0x 0
0x2C,0x 0
0x2d,0x 9
0x2E,0x33
0x2F,0x 0
0x30,0xfe
0x31,0x7a
0x32,0x31
0x33,0x79
0x34,0xfe
0x35,0x7a
0x36,0x9a
0x37,0x7a
0x38,0x29
0x39,0 x
0x3a,0x79
0x3B,0xa3
0x3c,0x90
0x3D,0x7a
0x3e,0x96
0x3F,0xd4
0x40,0x 1
0x50,0x 0

谢谢你。  

  • 请注意,本文内容源自机器翻译,可能存在语法或其它翻译错误,仅供参考。如需获取准确内容,请参阅链接中的英语原文或自行翻译。

    您好,Jon,  

    我很高兴能为您提供帮助。 审核您的配置可能需要一两天的时间。 请允许我24小时进行下一次更新。  

    此致,
    尼克·扎哈比扎德

  • 请注意,本文内容源自机器翻译,可能存在语法或其它翻译错误,仅供参考。如需获取准确内容,请参阅链接中的英语原文或自行翻译。

    您好,Jon,  

    我将介绍您的寄存器设置,如果我能看到您如何实施ADS1293,将会非常有帮助。 我能否获得您的原理图的副本?

    但是,通过对您的配置进行初步检查,我可以看到“0x1c,0x54”,这意味着如果寄存器0x1C的读数为0x54 ,则位2表示INDA输出接近负轨。 我们需要了解您是如何实施的。

    此致,
    Nick Z

  • 请注意,本文内容源自机器翻译,可能存在语法或其它翻译错误,仅供参考。如需获取准确内容,请参阅链接中的英语原文或自行翻译。

    您好,Jon,  

    我将关闭这条线来进行家务管理。 请回复此消息以自动重新打开此线程。

    此致,
    Nick Z