你(们)好
我的客户Simplo将DAC8.1408万用于电池测试设备产品。
您是否可以支持查看原理图(请在附件中找到),以了解您是否有任何建议? 谢谢你。
以下是项目信息。
- 最终客户:SMP
- 应用:蓄电池测试设备
- MP时间表:2022Q4.
- 预测:1k

This thread has been locked.
If you have a related question, please click the "Ask a related question" button in the top right corner. The newly created question will be automatically linked to this question.
你(们)好
我的客户Simplo将DAC8.1408万用于电池测试设备产品。
您是否可以支持查看原理图(请在附件中找到),以了解您是否有任何建议? 谢谢你。
以下是项目信息。

你好,AK,
感谢您的支持。 是的,我正在寻求原理图审查支持。
PDF格式的示意图将在我的一侧加密,所以这就是他们与我共享图像的原因。
我要求他们重新生成图像。 请在附件中找到。
e2e.ti.com/.../Stack-DAC8.1408万.zip
谢谢!
千斤顶
您好,
请看下面我的评论。
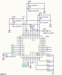
1.引脚10应接地,我在原理图中没有看到接地(单元1-7)
2.贵国是否计划使用单极或双极输出设备? 如果其单极VSS应连接至GND。 我在原理图中没有看到此针脚的任何网络名称。 此引脚看起来就像连接了盖子的浮动引脚一样好。 (您需要选择接地或为此引脚提供-ve电源)
3. GND1和GND2是否连接在主板上的某个位置? 需要此单独的GND?
此致,
AK
你好,AK,
感谢您的评论。
关于第二条评论,设计用于单极输出(0~40V),他们遵循EVM设计,首先缩短2 VSS,然后通过两个1uF电容器连接到GND。 您的意思是他们应该可以选择直接连接到GND吗?
关于第三条评论,GND1和GND2有两个不同的电压电平(堆栈设计)。 它将有两个交流/直流适配器;这两个适配器将不会连接。 为了采用堆栈设计,它们将第二个DAC GND连接到第一个DAC单元7的GND。 您对此类设计有什么建议吗?
谢谢。
千斤顶