您好!
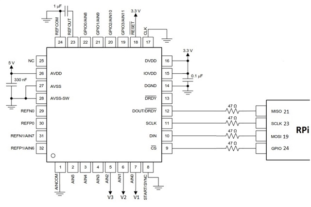
我使用 ADS114S08执行电压测量。 3电压连接到 AIN0、AIN1、AIN2、GND 连接到 AINCOM。 3个电压是固定的且稳定的、每5秒采集3个通道。 时间到一个通道上发生不良测量且 ADC 返回的值等于5V 或0V 时的时间。
ADC 的连接方式如下:

使用以下序列:
----------------------------------------
ADC 复位(复位命令)
等待2ms
输出数据速率设置为60sps (数据速率寄存器)
选择低延迟滤波器(数据速率寄存器)
启动环路
选择 ADC 通道 AIN1和 AINCOM (INPMUX 寄存器)
开始转换(开始转换命令)
等待100ms
读取数据寄存器(读取数据寄存器命令)
停止转换(停止转换命令)
选择 ADC 通道 AIN2和 AINCOM (INPMUX 寄存器)
开始转换(开始转换命令)
等待100ms
读取数据寄存器(读取数据寄存器命令)
停止转换(停止转换命令)
选择 ADC 通道 AIN3和 AINCOM (INPMUX 寄存器)
开始转换(开始转换命令)
等待100ms
读取数据寄存器(读取数据寄存器命令)
停止转换(停止转换命令)
等待5s
环路结束
------------------------------------
我已经尝试了应用手册"计算 Δ-Σ ADC 的转换延迟和系统周期时间"中所示的一些线索、但没有成功。
你有什么建议吗?





