This thread has been locked.

If you have a related question, please click the "Ask a related question" button in the top right corner. The newly created question will be automatically linked to this question.

[参考译文] ADS8528:应用开发的设计相关查询

Guru**** 2529560 points
Other Parts Discussed in Thread: ADS8528, TLV9064, REF50

请注意,本文内容源自机器翻译,可能存在语法或其它翻译错误,仅供参考。如需获取准确内容,请参阅链接中的英语原文或自行翻译。

https://e2e.ti.com/support/data-converters-group/data-converters/f/data-converters-forum/1043030/ads8528-design-related-queries-for-application-development

器件型号:ADS8528
主题中讨论的其他器件: TLV9064REF5025

您好!

我们使用 ADS8528进行开发。 同样、我们对接口和功能有一些疑问。

我们将在开发板中使用 ADS8528、其配置如下:

 

  1. 硬件模式
  2. 所有 CONVST_x 连接在一起
  3. 外部 Vref
  4. 内部时钟
  5. 在串行模式(SPI)下通过 SDO_A 和 SDI 线路进行数据收集。
  6. 不处于菊花链模式。 为每个 ADC 选择单独的芯片
  7. 使用的全部3个 ADC

 对于上述配置、以下是有关 ADS8528功能的查询、

 在硬件模式下使用时、所有 CONVST_x 都连接在一起、BUSY/INT (位27)在 INT 模式下运行。 为了进行配置 、我们是否需要在 SW 模式下使用 SPI 线路配置配置配置寄存器? 还可以更改 INT (位 C26)的极性

2、 现在根据第1点、我们需要将硬件/软件引脚更改为软件模式。 现在、由于 ADC 处于 SW 模式、ADC 上其他引脚的状态是什么、例如 RANGE / XCLK? 由于在 HW 模式下、范围配置为2xVREF = 5V 双极输入、但在 SW 模式下、该引脚充当外部 XCLK 信号。 在这种情况下、如何在 ADC 保持 SW 模式期间定义范围? 配置寄存器更新完成后、当器件恢复到硬件模式时、它是否会根据配置寄存器进行更改并重新初始化?

在 数据表的第16页中、tXCLK 被称为66.67ns、每次转换的时钟周期为19-20个周期。 因此、转换时间 tCONV=1.33us。 但在硬件模式下、默认情况下、器件使用内部时钟 CCLK 进行转换、数据表中未提及 tCCLK。 它是否与 tXCLK 相同?

 ADS8528上的绝对最大模拟输入范围为 HVSS-0.3V 至 HVDD+0.3V。 在第9页中、HVDD 建议的最小电压被指定为5V、但是电气特性被定义为 HVDD=15V 和 HVSS=-15V。 由于在我们的设计中、我们使用的是 HVDD=5V、HVSS=0V、因此当 HVDD 处于建议的最小电压时、性能会下降什么? 尽管 TLV9064电源轨已更改为5V、但 ADC 输入将限制为低于上电源轨至少100个 ADC 计数。 在这种情况下是否会对性能产生影响?

另请参阅随附的所有 ADC 和基准(Vref)电路(w.r.t)的更新原理图、然后查看相同的配置并尽快恢复。

 e2e.ti.com/.../Schematic-for-TI-review.pdf

此致、

Manish Sharma

  • 请注意,本文内容源自机器翻译,可能存在语法或其它翻译错误,仅供参考。如需获取准确内容,请参阅链接中的英语原文或自行翻译。

    Manish、您好!  

    1. 当所有 CONVST 连接在一起时、BUSY 信号可被用作一个中断、但不必如此。 在您的情况下、您可以将27 = 1配置为用作中断、但您可以将其保留为繁忙状态。 但是、正如您所注意到的、要更改配置位27、您需要使用软件模式进行更改。 您可以在软件和硬件模式之间来回切换、因此您可以使用软件模式更改寄存器内容、然后切换回硬件模式。 这也适用于 CANGIF 位26、极性。
    2. ADC 从硬件模式切换到软件模式后,引脚34 (RANGE /XCLK)将根据配置位29和28 (默认为‘00’)工作。 ‘00’表示 ADC 处于正常工作状态,除非位28从0更改为1,否则内部转换时钟不会显示在引脚34上。 因此,对于选择2xVREF = 5V 双极输入范围的引脚34,客户的高电压配置没有影响。
    3. 数据表的第17页指定了内部转换时钟。 请注意、当 CLKSEL=0时、这意味着使用 CCLK。 此参数决定 ADS8528上的最大采样率为1/(1.33us+280ns)= 621ksps。 仅当使用外部时钟(tXCLK)时、才能实现第1页中为 ADS8528指定的650ksps 采样率。
    4. 为了满足 ADS8528数据表中列出的规格、HVDD 和 HVSS 上至少需要1.5V 的余量。 对于0-5V 输入信号、建议的电源条件应为 6.5V≤HVDD≤16.5V 和-16.5V≤HVSS≤-1.5V

    此致

    Cynthia

  • 请注意,本文内容源自机器翻译,可能存在语法或其它翻译错误,仅供参考。如需获取准确内容,请参阅链接中的英语原文或自行翻译。

    Manish、您好!  

    我忽略了原理图、下面是我在您提供的原理图上的备注  

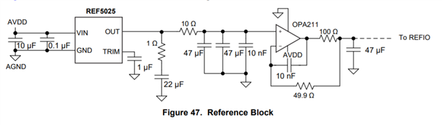
    -在 REF5025的输出端、有3个电容器、在 TLV9064的输入端、这是一个过大的负载、REF 无法驱动。 该基准的数据表将详细介绍应在此处使用的电容器尺寸。 此外、ADS8528具有驱动基准的内部缓冲器、可与内部基准或外部基准一起使用。  

    此致

    Cynthia  

  • 请注意,本文内容源自机器翻译,可能存在语法或其它翻译错误,仅供参考。如需获取准确内容,请参阅链接中的英语原文或自行翻译。

    您好、Cynthia、

    感谢您的回答。 但是、我们准备的原理图基于  ADS8528第44页的数据表、如图所示。

    如果需要进行任何修改、请根据数据表原理图进行恢复。

    此外、还需要讨论以下几个方面:

    我们的应用要求在单极模式而不是双极模式下使用该 ADC。 是否能够以这种方式使用它。

    2.单极应用的范围是否保持不变? (如数据表所示、适用于双极应用)。 由于基准电压为2.5V、输入电压范围为0-5V、因此对于2.5V、我们将获得1024作为直流计数、而不是2048、因此我们有效地利用了可用余量的一半。 请澄清我们理解的任何内容是否不正确。 如何将其用于整个范围如何在我们的应用中使用它。

    我们是否具有串行模式下 ADC 接口的源代码。 如果是、请分享。

     

    请尽快回复。 因为我们正在使用该部件最终确定我们的设计。

    谢谢

    Manish Sharma

  • 请注意,本文内容源自机器翻译,可能存在语法或其它翻译错误,仅供参考。如需获取准确内容,请参阅链接中的英语原文或自行翻译。

    让我进一步研究一下。  

    1该器件是双极器件、范围只能更改为 x2Vref 或 x4Vref、更改为负和正范围、  

    如果您将仅使用正极性输入、那么您将仅使用一半的输入范围。 器件输入范围不能为单极。  

    很遗憾、我们没有示例代码。 我建议在数字线路上使用示波器探头来对通信总线进行目视检查、并确认是否满足时序要求。  

  • 请注意,本文内容源自机器翻译,可能存在语法或其它翻译错误,仅供参考。如需获取准确内容,请参阅链接中的英语原文或自行翻译。

    Manish、您好!

    根据 REF50数据表、建议输出电容应介于1uF 和50uF 之间。  请参阅以下内容:

  • 请注意,本文内容源自机器翻译,可能存在语法或其它翻译错误,仅供参考。如需获取准确内容,请参阅链接中的英语原文或自行翻译。

    Manish、您好!

    如果没有其他问题、请点击"Resolved"关闭主题。  谢谢、祝您好运!