您好!
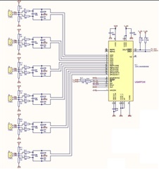
我们使用 ADS124S08 ADC 构建了一个用于测量6热电偶的设计。
未连接热电偶护罩时、所有部件均按预期工作。
屏蔽层连接到连接点。
如果我们将屏蔽层连接到 GND、则测得的电压(Diff)错误。
Tc+=+4mV
Tc-=-4mV
DIFF 应为8mV、但 ADC 的读数约为0.5mV
如果不进行分流、ADC 的读数为8mV
那么、我们的设计中有什么问题呢?
我们应该使用双极电源吗?
大家好
This thread has been locked.
If you have a related question, please click the "Ask a related question" button in the top right corner. The newly created question will be automatically linked to this question.
您好!
我们使用 ADS124S08 ADC 构建了一个用于测量6热电偶的设计。
未连接热电偶护罩时、所有部件均按预期工作。
屏蔽层连接到连接点。
如果我们将屏蔽层连接到 GND、则测得的电压(Diff)错误。
Tc+=+4mV
Tc-=-4mV
DIFF 应为8mV、但 ADC 的读数约为0.5mV
如果不进行分流、ADC 的读数为8mV
那么、我们的设计中有什么问题呢?
我们应该使用双极电源吗?
大家好
尊敬的 Eric:
如果我理解正确、您将使用接地热电偶、如 《热电偶测量基本指南》中图3中间所示。 这是第三根导线吗? 或者、您能否更准确地解释热电偶是如何接地的?
我认为、所发生的情况是、当连接到接地端时、热电偶不再是相对于 ADS124S08模拟接地的浮动电压。 相反、热电偶电势现在直接接地。 如果您启用了 PGA 并使用任何增益、则输入现在超出 ADC 的输入范围。 可以通过禁用并绕过 PGA 来验证这一点、以查看条件是否改善。
此致、
Bob B
尊敬的 Bob:
是的、这是一个接地热电偶、如图3中的中间 TC。
屏蔽层是第三根电缆(电缆的屏蔽层)、与保护性接地端相连。
我们的 GND (ADC GND)也接地。
因此、TC 屏蔽层连接到 ADC GND。
使用示波器测量 GND:
未将屏蔽层连接到 GND -> Tc+和 Tc-约为1、5V (加热时为+/-4mV)
屏蔽层连接到 GND -> Tc+为+4mV、Tc-为-4mV
我还了解了 PGA 输入范围、我们超出了这一范围。
WEN 可以尝试禁用 PGA 并查看它是否有用。
我的问题是、当使用+/- 2、5V 作为 ADC 电源时、它是否可以解决这个问题? (AVDD 和 AVSS)