This thread has been locked.

If you have a related question, please click the "Ask a related question" button in the top right corner. The newly created question will be automatically linked to this question.

[参考译文] 推荐 ADC IC

Guru**** 2511975 points
Other Parts Discussed in Thread: ADS7042

请注意,本文内容源自机器翻译,可能存在语法或其它翻译错误,仅供参考。如需获取准确内容,请参阅链接中的英语原文或自行翻译。

https://e2e.ti.com/support/data-converters-group/data-converters/f/data-converters-forum/1036445/adc-ic-recommend

主题中讨论的其他器件:ADS7042

您好!

你好。 我有一位客户正在使用 ADC。 请在他的查询下方参考。 非常感谢。

我们需要选择一个 ADC、它可以支持事件驱动的采样模式。

ADC 输入是一个脉冲信号、上升时间为10ns、下降时间为30ns。 我们将使用高速比较   器来区分脉冲信号的上升沿、然后将速度比较器的输出延迟一小段时间、以触发 ADC 对脉冲信号的最大电压进行采样。

脉冲信号的频率低于200kHz但每个脉冲间隔不确定。  通过仿真、我们知道  ADC 的采集时间是一个限制因素。  

ADC ENOB 大于8位

哪种 ADC 适用?

此致、

Ray Vincent

  • 请注意,本文内容源自机器翻译,可能存在语法或其它翻译错误,仅供参考。如需获取准确内容,请参阅链接中的英语原文或自行翻译。

    尊敬的 Ray:

    如果我了解客户要求、那么他们希望在1ns 或2ns 周期内获取信号。  如果您想在这么短的时间内直接采集、您需要查看采样率为500Msps 或更高的高速 ADC。

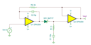
    我建议客户查看可以捕获脉冲信号峰值的峰值检测放大器、然后 ADS7042等标准12b、1Msps ADC 可以获得结果。

    下面是一个示例电路、但需要使用高得多的带宽放大器进行修改、以支持脉冲的快速上升/下降时间。

    此致、
    Keith Nicholas
    精密 ADC 应用