This thread has been locked.

If you have a related question, please click the "Ask a related question" button in the top right corner. The newly created question will be automatically linked to this question.

[参考译文] ADS1672:每个滤波器的转换时间和过采样率

Guru**** 2511985 points
Other Parts Discussed in Thread: ADS1672

请注意,本文内容源自机器翻译,可能存在语法或其它翻译错误,仅供参考。如需获取准确内容,请参阅链接中的英语原文或自行翻译。

https://e2e.ti.com/support/data-converters-group/data-converters/f/data-converters-forum/974060/ads1672-conversion-time-for-each-filter-and-oversampling-ratio

器件型号:ADS1672

大家好、

我的客户想知道 ADS1672的转换时间、这意味着从模拟信号输入到数字信号输出的时间。
根据我的理解、它从根本上定义为团队延迟、我的理解是否正确?

如果是、请告诉我如何根据数据表中的规格估算延迟。

此致、

Takashi Onawa

  • 请注意,本文内容源自机器翻译,可能存在语法或其它翻译错误,仅供参考。如需获取准确内容,请参阅链接中的英语原文或自行翻译。

    Takashi-San、您好!

    ADS1672可转换多个样本、然后通过数字滤波器对其进行"平均值计算"以生成输出代码。  输入样本总数取决于滤波器配置。

    对于低延迟滤波器和单周期稳定、表5显示了完全稳定输出所需的输入调制器样本数(或 Tclk 周期数)。  使用 Fclk=20MHz 时、DRATE=00的总时间为27.55uS。  图25显示了 START 信号与准备从 ADC 读取数据之间的关系。

    对于低延迟滤波器和快速稳定、数据以较短的间隔提供、但数据未完全稳定至阶跃输入(类似于尚未完全稳定至阶跃输入的模拟滤波器)。  在这种情况下、START 信号置位后的第一个可用数据将与单周期稳定数据相同、但您现在将在后续转换中以两倍的速率获得数据。

    如果客户有想要使用的特定滤波器、请进行更新、我将确认通过器件的确切数据速率和整体延迟。

    此致、
    Keith Nicholas
    精密 ADC 应用

  • 请注意,本文内容源自机器翻译,可能存在语法或其它翻译错误,仅供参考。如需获取准确内容,请参阅链接中的英语原文或自行翻译。

    Nicholas - San、您好!

    感谢您对此做出及时响应。 让我向客户核实一下、但有人要求我确定客户的所有设置延迟。

    您是否需要在工作台上对其进行测试以检查延迟? 或通过表中的设置时间进行计算?

    如果它可以通过数据表数据进行介绍、我可以计算您是否可以告诉我如何进行。

    此致、

    Takashi Onawa

  • 请注意,本文内容源自机器翻译,可能存在语法或其它翻译错误,仅供参考。如需获取准确内容,请参阅链接中的英语原文或自行翻译。

    Takashi-San、您好!

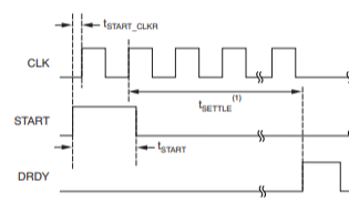
    从开始上升沿到完全稳定的输出代码所需的时间可从数据表中确定。  根据此定义:

    T-convert = t-start_CLKR + t-CLK + t-settle

    该时间在图23中是一段时间、由 t 启动 CLKR 时间、数字滤波器复位的一个时钟周期以及 t 稳定时间组成、具体取决于所选的滤波器。

    时间 T-START_CLKR 由客户控制、并且必须在0.5*t-CLK <t-START_CLKR<1*t-CLK, where t-CLK is the period of the main clock. 范围内  对于数据表示例、假设主时钟以20MHz 或 t-CLK=50ns 的频率运行。  在这种情况下、<t-START_CLKR<50nS. 的 t-start_CLKR (开始的上升沿到 CLK 的上升沿)

    对于稳定时间 t SETTLE、这取决于所选的滤波器。  对于低延迟滤波器选项、有四种可用的速度、具体取决于 DRATE 设置。  对于低延迟、可以使用表5或表6中的稳定时间。

    对于宽带滤波器、可使用表7来计算稳定时间。

    使用低延迟滤波器和 DRATE 00B 选项、t-settings=550*t-CLK。  如果 t-CLK=50ns、则该滤波器选项的总稳定时间将为550*50ns=27.5uS。  然后、上面定义的总转换时间将为:

    t-converter=25nS+50ns+550*50ns=27.575uS、假设 t-start_CLKR=25nS。  您可以使用相同的方法计算其他滤波器选项。

    请注意、对于连续转换、当 START 保持高电平时、DRDY 指示的输出数据速率周期将小于低延迟快速响应滤波器和宽带宽滤波器的 t SETTLE。  在这种情况下、该输出数据未完全稳定、但可以视为之前读数的移动平均值。

    此致、
    Keith

  • 请注意,本文内容源自机器翻译,可能存在语法或其它翻译错误,仅供参考。如需获取准确内容,请参阅链接中的英语原文或自行翻译。

    您好、Keith San、

    谢谢、请告诉我。

    我的客户希望在其系统中以连续转换模式测量此类脉冲响应。
    2~4脉宽较短(如 Δ t tDRDY)、它们在稳定时间内看不到任何东西、对吧?

    例如、如果输入宽度为4 tDRDY、我们如何估算输入脉冲峰值与数字数据峰值之间的延迟?

    此致、

    Takashi Onawa

  • 请注意,本文内容源自机器翻译,可能存在语法或其它翻译错误,仅供参考。如需获取准确内容,请参阅链接中的英语原文或自行翻译。

    Takashi-San、您好!

    由于客户希望测量短脉冲宽度、我建议在连续采样模式下使用低延迟快速响应滤波器(保持启动高电平)。

    在这种情况下、您将获得具有相对时序的连续输出数据、如图25 DRDY-FR 所示。

     

    然后、脉冲前沿的响应将遵循数据表中的图26。  下面假设主 CLK=20MHz、DRATE=11b。

    假设脉冲的上升沿从时间= 0开始、然后在 t-DRDY-FR=1.6uS (1次转换)后、输出代码将读取大约为最终值的13%、在转换2 (3.2uS)后、输出代码将大约为92%、 和转换3 (4.8uS)、输出结果将约为最终值的99%。  在4个转换周期(6.4 uS)后、读数将100%稳定。

    此致、
    Keith

  • 请注意,本文内容源自机器翻译,可能存在语法或其它翻译错误,仅供参考。如需获取准确内容,请参阅链接中的英语原文或自行翻译。

    您好 、Keith San、

    感谢您的热情支持、我理解您的建议、但我的客户希望了解每个设置的延迟、因为您知道每个滤波器设置中的传输功能不同、因此他们希望评估和澄清哪一项最适合其应用。

    根据数据表、两个滤波器都是更小的相位滤波器、因此组延迟应恒定。

    我们能否通过公式计算延迟、例如讨论以下主题?
    他们正在讨论 Sinc 滤波器群延迟、但我不确定 ADS1672中集成了哪种滤波器类型。  

    e2e.ti.com/.../920970

    此致、

    Takashi Onawa

  • 请注意,本文内容源自机器翻译,可能存在语法或其它翻译错误,仅供参考。如需获取准确内容,请参阅链接中的英语原文或自行翻译。

    Takashi-San、您好!

    群延迟是指输出达到阶跃输入最终值的50%所需的时间、或大约为总稳定时间的1/2。  对于 ADS1672数字滤波器、群延迟时间以 DRDY 时间段的数量为单位进行测量。  

    宽带滤波器将所有数据速率模式的群延迟指定为28个 DRDY 时间段。  对于所有数据速率、低延迟滤波器为2个 DRDY 时间周期。  (50%趋稳的实际时间约为1.5个 DRDY 周期、但结果直到下一个 DRDY 才可用、共2个 DRDY 周期。)   

    此外、群延迟仅适用于连续转换模式、其中 START 引脚保持高电平。  当使用 START 引脚启动转换时、无论滤波器类型或数据速率如何、输出数据都将不可用、直到滤波器完全稳定为止、如表5、6和7所示。

    在测量短脉冲的情况下、最佳滤波器选项将是低延迟、快速响应滤波器、START 引脚保持高电平以进行连续转换。  您可以使用宽带滤波器、但对于大约4个 DRDY 周期的短脉冲、输出响应将非常小、与本底噪声相比很难观察到。

    此致、
    Keith

  • 请注意,本文内容源自机器翻译,可能存在语法或其它翻译错误,仅供参考。如需获取准确内容,请参阅链接中的英语原文或自行翻译。

    您好、Keith San、

    感谢您对此做出及时响应。 很抱歉、这对我来说毫无意义。

    >但对于大约4个 DRDY 周期的短脉冲,输出响应将非常小,与本底噪声相比很难观察到。

    数据表建议使用 WB 滤波器进行高速交流测量、如下所示。
    就传递函数而言、我认为 WB 滤波器对采集的波形具有更好的恢复能力、因此我不理解为什么振幅会像您提到的那样小...

    请问可否就这点作出补充解释?

    >宽带宽(WB)滤波器非常适合测量高频交流信号

    dω、"群延迟"被 dω 为 dφ μ V/μ s、因此 dφ μ V/μ s = k (常量值)意味着输出信号仅具有针对输入信号的延时时间、输出频带频谱除外(由于高频拼写已衰减、波形将失真、 但输出波形将与输入波形类似、不会吗?)。  该值是否由内部数字滤波器的抽头数决定?

    我了解到使用 WB 滤波器时的延迟、但在所有操作系统中都应保持相同、 低延迟情况如何?

    此致、

    Takashi Onawa

    (2021/2/2:修改了群延迟定义中的类型,dw/dt -> dφ μ s/ dω)

  • 请注意,本文内容源自机器翻译,可能存在语法或其它翻译错误,仅供参考。如需获取准确内容,请参阅链接中的英语原文或自行翻译。

    你好、Takashi-San、

    短脉冲在 WB 滤波器的截止频率以上具有大量高频成分、衰减量超过100dB。  

    虽然宽带滤波器让更多的信号能量从0传递到 Fdata/2、但对于大于 Fdata/2的频率、它的衰减要比低延迟大得多。  

    低延迟滤波器在较高频率下的衰减要小得多、让我们看看更多的脉冲频率分量。  在低延迟滤波器的0.6*Fdata 和 DRATE=11时、它仅使输入衰减约5dB、此时宽带滤波器衰减超过100dB。

    关于您的最后一个问题、对于所有 OSR 设置、低延迟快速响应滤波器具有2个 DRDY 时间段的群延迟。

    此致、
    Keith