This thread has been locked.

If you have a related question, please click the "Ask a related question" button in the top right corner. The newly created question will be automatically linked to this question.

[参考译文] TLV5604:TLV5604IPW

Guru**** 2668435 points

Other Parts Discussed in Thread: TLV5604

请注意,本文内容源自机器翻译,可能存在语法或其它翻译错误,仅供参考。如需获取准确内容,请参阅链接中的英语原文或自行翻译。

https://e2e.ti.com/support/data-converters-group/data-converters/f/data-converters-forum/988444/tlv5604-tlv5604ipw

器件型号:TLV5604

TLV5604在上电后输出不为0、为什么?

如果我们希望它在上电后为0。 如何操作?

  • 请注意,本文内容源自机器翻译,可能存在语法或其它翻译错误,仅供参考。如需获取准确内容,请参阅链接中的英语原文或自行翻译。

    您好!

    您说的不是零意味着什么?  加电后您观察到的电压是多少? DAC 的偏移误差接近12mV、这是您在上电后观察到的电压吗? 如果是、这对于 TLV5604是正常的

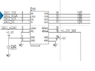
    另请分享您的原理图

    此致、

    AK

  • 请注意,本文内容源自机器翻译,可能存在语法或其它翻译错误,仅供参考。如需获取准确内容,请参阅链接中的英语原文或自行翻译。

    上电后的 DA 输出电压(0至2.5V 随机电压)

  • 请注意,本文内容源自机器翻译,可能存在语法或其它翻译错误,仅供参考。如需获取准确内容,请参阅链接中的英语原文或自行翻译。

  • 请注意,本文内容源自机器翻译,可能存在语法或其它翻译错误,仅供参考。如需获取准确内容,请参阅链接中的英语原文或自行翻译。

    您好!

    原理图对我来说很好。

    您的上电顺序是什么?

    正确的电源序列应为 DVDD、AVDD、然后是 REF。 请查看绝对最大额定值。

    有关精密 DAC 中的电源定序的详细信息、请参阅以下培训视频:

    training.ti.com/lessons-precision-dacs-power-sequencing

    此致、

    AK

  • 请注意,本文内容源自机器翻译,可能存在语法或其它翻译错误,仅供参考。如需获取准确内容,请参阅链接中的英语原文或自行翻译。

    如果 PIN2 (PD)为低电平、输出是什么?

  • 请注意,本文内容源自机器翻译,可能存在语法或其它翻译错误,仅供参考。如需获取准确内容,请参阅链接中的英语原文或自行翻译。

    您好!

    /PD 是一个低电平有效输入、它将关闭所有 DAC 输出。 在这种情况下、DAC 输出将为零。

    此致、

    AK

  • 请注意,本文内容源自机器翻译,可能存在语法或其它翻译错误,仅供参考。如需获取准确内容,请参阅链接中的英语原文或自行翻译。

    因此、如果 PIN2 (PD)始终为高电平、Pin4、pin5、PIN6、pin7、pin3无输入、DA 输出是什么? 它是随机值还是 附近的0?

  • 请注意,本文内容源自机器翻译,可能存在语法或其它翻译错误,仅供参考。如需获取准确内容,请参阅链接中的英语原文或自行翻译。

    您好!

    如果/PD 为高电平并且引脚3、4、5、6、7上没有任何数字信号、我希望输出处于零电平。 我没有测试这些条件

    我假设所有数字逻辑信号都处于高电平或低电平。 切勿悬空 CMOS 数字输入

    此致、

    AK