This thread has been locked.

If you have a related question, please click the "Ask a related question" button in the top right corner. The newly created question will be automatically linked to this question.

[参考译文] ADS1292R:ADS1292R CAN#39;t 获取两个 ECG 信号

Guru**** 2546780 points
Other Parts Discussed in Thread: ADS1292R, ADS1292, TINA-TI

请注意,本文内容源自机器翻译,可能存在语法或其它翻译错误,仅供参考。如需获取准确内容,请参阅链接中的英语原文或自行翻译。

https://e2e.ti.com/support/data-converters-group/data-converters/f/data-converters-forum/880484/ads1292r-ads1292r-can-t-get-two-ecg-signals

器件型号:ADS1292R
主题中讨论的其他器件: ADS1292TINA-TI

TI 团队、您好。

我叫 Aleš Zupanc、是来自斯洛文尼亚的 PoLabs d.o.o.的固件开发人员。

我目前正在从事一个使用 ADS1292R 的项目。 我能够获得一个 ECG 信号、这是来自 CH1、但不知怎么、我无法从 CH2获得另一个 ECG 波形。

实际上、我正在从 CH2读取数据、如果我触摸第二个电极、我可以在那里看到一些活动、但无法从它获得任何心率信号...

我在网上搜索了很多示例、但我只能得到呼吸和/或 ECG。

在这里、我将复制并粘贴 ADS1292R 寄存器设置以查看两个示例。 在第一个示例中、我在第一个通道上获得良好的 ECG 信号、在第二个通道上出现一些噪声。 在第二个示例中、我在第一个通道上获得呼吸和 ECG 信号、但在第二个通道上没有任何活动。

示例1:

ADS1292_WriteRegister (ADS1292_REG_CONFIG1、 0x00);
ADS1292_WriteRegister (ADS1292_REG_CONFIG2、 0xA0);
ADS1292_WriteRegister (ADS1292_REG_LOFF、 0x10);
ADS1292_WriteRegister (ADS1292_REG_CH1SET、 0x00);
ADS1292_WriteRegister (ADS1292_REG_CH2SET、 0x60);
ADS1292_WriteRegister (ADS1292_REG_RLD_SENS、0x20);
ADS1292_WriteRegister (ADS1292_REG_LOFF_SENS、0x00);
ADS1292_WriteRegister (ADS1292_REG_LOFF_STAT、0x00); 
ADS1292_WriteRegister (ADS1292_REG_RESP1、 0x02);
ADS1292_WriteRegister (ADS1292_REG_RESP2、 0x03);


 

 

示例2:

 // 125sps
 ADS1292_WriteRegister (ADS1292_REG_CONFIG1、     0x00);
 //启用导联脱落比较器,启用基准缓冲器
 ADS1292_WriteRegister (ADS1292_REG_CONFIG2、     0xE0);
 //导联脱落比较器阈值(70)
 ADS1292_WriteRegister (ADS1292_REG_LOFF、             0xF0);
 // PGA 增益= 6.
 ADS1292_WriteRegister (ADS1292_REG_CH1SET、       0x00);
 ADS1292_WriteRegister (ADS1292_REG_CH2SET、       0x00);
 // RLD_SENS default -> RLD 缓冲器被启用、RLD 被连接至 IN2N、RLD 被连接至 IN2P
 ADS1292_WriteRegister (ADS1292_REG_RLD_SENS、 0x2C);
 // LOFF_SENS 默认->通道1导联脱落和2导联脱落检测正负输入启用、
 ADS1292_WriteRegister (ADS1292_REG_LOFF_SENS、0x0F);
 // LOFF_STAT -> External_CLK/4 (默认)、RLD 已连接(默认)、IN2N_OFF、IN2P_OFF、IN1N_OFF、IN1N_OFF 已连接
 ADS1292_WriteRegister (ADS1292_REG_LOFF_STAT、  0x00);
 // RESP1 ->打开 RESP 调制和解调电路,112.5kHz,内部呼吸,带内部时钟
 ADS1292_WriteRegister (ADS1292_REG_RESP1、          0xEA);
 // RESP2 -> RLDREF 信号(AVDD? AVSS)/2内部生成(默认)
 ADS1292_WriteRegister (ADS1292_REG_RESP2          、0x03);


 

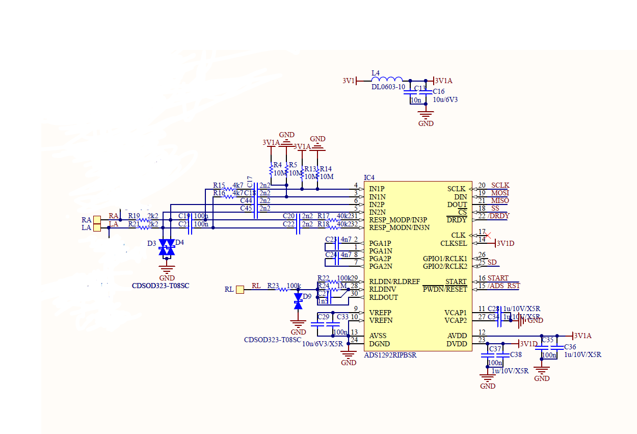
PCB 的原理图为:


 

现在、我很好地帮助我解决我的问题、因为这已经花了我很多时间了。
问题是:如何设置寄存器值以获得双通道 ECG 信号?


并展望解决问题的前景。

此致、PoLabs d.o.o.的 FW 开发人员 Ales Zupanc。

  • 请注意,本文内容源自机器翻译,可能存在语法或其它翻译错误,仅供参考。如需获取准确内容,请参阅链接中的英语原文或自行翻译。

    Alex、您好!

    感谢您的发帖、欢迎来到我们的论坛。

    在示例1中、您已将 CH2上的增益设置为12V/V。 我看不到 CH2波形、但这可能会使通道饱和。 如果相应的 ADC 输出代码等于+/-满量程、则可以确认这一点。

    您能否调整寄存器设置以在两个通道上使用内部方波测试信号? 现在关闭呼吸功能、只需确认您可以从两个通道读取预期的方波。  

    此致、

  • 请注意,本文内容源自机器翻译,可能存在语法或其它翻译错误,仅供参考。如需获取准确内容,请参阅链接中的英语原文或自行翻译。

    您好、Ryan、很抱歉回复很慢...

    不知怎么说、现在我也从通道2获取了一些输入、但我不确定它为什么看起来很轻、它不像 CH1那样进行直流耦合(下面的屏幕截图)。
    我所做的是、我从呼吸电路中移除了 C22中的 C20。 也许这只是一个巧合... 令我感到最困扰的一件事是、由于所有内容都设置相同且连接相同、因此通道的行为应该相同、 但是、当通道2在增益4下已经饱和(但实际上只是一点点)、并且在增益6下完全饱和时、通道1不会因增益12而饱和(下面的屏幕截图)。 有什么想法、为什么会发生这种情况?

    来自 ADS1292的内部测试信号(我认为应该是这样吗?):

    然后、如果我连接信号发生器并应用 sinus、看起来一切正常、但当 sqare 波被馈入时、这就是我得到的结果(平方0.5Vpp):

    正如我在一开始提到的、我现在可以在两个通道上获得心跳、但现在可以确定增益设置为什么会有如此大的差异。:

    ->增益3 (两个通道):无饱和

    ->增益4 (两个通道):CH2 (红线)逐渐饱和

    ->增益6:CH2 (红线)完全未连接、但 CH1不是:

     

    我不确定,但我很确定我在这里有一些硬件问题,所以直流电平会进入 ADC ...到目前为止,感谢您指出饱和问题,它在某种程度上帮助了我...

    我将在几天内告诉您我发现了什么。

     

    在解决问题和关闭 TT 方面看起来很不快。

     

    此致、Aples Zupanc、固件开发人员、PoLabs d.o.o.

  • 请注意,本文内容源自机器翻译,可能存在语法或其它翻译错误,仅供参考。如需获取准确内容,请参阅链接中的英语原文或自行翻译。

    您好、阿尔斯、

    内部测试信号的结果与预期的完全相同。 在2.42V 基准电压和增益= 12V/V 的情况下、+/-~45、000个代码转换为+/- 1mV。

    两个输入通道都是交流耦合的。 CH1上的高通滤波器由串联电容器和10-Mohm 电阻分压器组成、可消除构成方波的大部分高频成分。 您获得的结果是预期的。 CH2也是交流耦合的、但它没有相同的10M 电阻分压器网络、无法在 IN2P 和 IN2N 输入引脚上重新建立直流偏置电压。 实际上、在这些节点处具有无限的接地阻抗、这会将产生的高通截止频率设置为无限低。 结果本质上仍然是一个方波。

    您可以使用 TINA-TI SPICE 仿真器来仿真信号链中无源器件的频率和瞬态响应(注意:这些影响与 ADS1292R 本身完全无关)。 仿真原理图中的1-T 电阻器完全用于模型收敛、不会影响结果。 以下仿真得出的振幅与第二幅图中的结果非常匹配:

    e2e.ti.com/.../ADS1292R_5F00_AC_2D00_coupled_5F00_inputs.TSC

    您需要在 IN2P 和 IN2N 上添加一个10M 电阻分压器电路、以将共模电压保持在中间电源、并防止 PGA 输出饱和。

    此致、

  • 请注意,本文内容源自机器翻译,可能存在语法或其它翻译错误,仅供参考。如需获取准确内容,请参阅链接中的英语原文或自行翻译。

    嗯、我真的不知道为什么我没有尝试自己仿真电路...

    在和中、您建议我向 IN2P 和 IN2N 添加一个10M 电阻器偏差。 在 数据表 中、我将在原理图的第58页查看、现在我有一个问题:如果我们添加之前提到的10M 分频器、呼吸电路是否仍然工作? 我求和它会破坏信号、因为我们可能会使用直流呼吸模式?

    那么我还有一个问题。 我正在尝试使 LOFF 检测正常工作、但在某种程度上、当我打开它并将 ILEAD_OFF[1:0]:导联脱落电流幅度设置为最小值(6nA)时、检测不起作用、如果我将其设置为22nA、我将丢失 ECG 信号... 现在、我没有完整的寄存器设置可复制粘贴到这里、但是如果您能向我建议任何内容、我会很高兴。

    感谢您的一切、我将告诉您我将要添加到电路中的偏差。

    此致、PoLabs d.o.o.的 FW 开发人员 Ales Zupanc。

  • 请注意,本文内容源自机器翻译,可能存在语法或其它翻译错误,仅供参考。如需获取准确内容,请参阅链接中的英语原文或自行翻译。

    您好、阿尔斯、

    CH2的10M 电阻分压器将添加到2.2nF 电容器的右侧、不会影响呼吸电路。 图56假设 ECG 信号是直流耦合的、不需要电阻分压器偏置网络。

    您是否正在使用直流导联脱落检测? 比较器导联脱落状态指示位仅用于直流导联脱落检测、不适用于交流耦合信号链。

    我们提供了一些有用的应用手册和在线视频培训、以涵盖 ADS129x 产品中的某些 ECG 专用功能。 请在 E2E 常见问题解答页面上找到它们、网址为 :BIOFAQ -主页

    此致、

  • 请注意,本文内容源自机器翻译,可能存在语法或其它翻译错误,仅供参考。如需获取准确内容,请参阅链接中的英语原文或自行翻译。

    正如您所说、我已经添加了电阻器、现在两个信号都非常好!

    在寄存器中、我设置了直流导联脱落检测是。 因此、如果我理解您的意思、如果链中有直流耦合电容器、则直流导联脱落检测将不起作用(您是否应该使用"不会在交流耦合信号链中工作")?

    我已经查看过这些应用手册、但我将再次执行它。

    此致、Aples Zupanc、固件开发人员、PoLabs d.o.o.

  • 请注意,本文内容源自机器翻译,可能存在语法或其它翻译错误,仅供参考。如需获取准确内容,请参阅链接中的英语原文或自行翻译。

    您好、阿尔斯、

    原理图中的串联电容器称为"直流阻断"或"交流耦合"电容器。 这两项都意味着直流电压和电流在信号路径中被阻断。 电阻分压器电路强制在输入引脚上施加1/2 Vs 直流电压。 因此、导联脱落比较器永远不会指示导联脱落事件。

    此致、

  • 请注意,本文内容源自机器翻译,可能存在语法或其它翻译错误,仅供参考。如需获取准确内容,请参阅链接中的英语原文或自行翻译。

    您好、Ryan。

    感谢您的解释。 我现在给你下了一个决定。

    到目前为止、我认为我们已经解决了我的问题、我将关闭这个 TT。 感谢你们的支持、对于快速响应时间、你们也给予了很大的帮助!

    此致、Aples Zupanc、固件开发人员、PoLabs d.o.o.