This thread has been locked.

If you have a related question, please click the "Ask a related question" button in the top right corner. The newly created question will be automatically linked to this question.

[参考译文] ADS1194:使用差动放大器可以检测到导联脱落#39;t

Guru**** 2507515 points
Other Parts Discussed in Thread: ADS1194

请注意,本文内容源自机器翻译,可能存在语法或其它翻译错误,仅供参考。如需获取准确内容,请参阅链接中的英语原文或自行翻译。

https://e2e.ti.com/support/data-converters-group/data-converters/f/data-converters-forum/873490/ads1194-lead-off-can-t-be-detected-with-diff-amp

器件型号:ADS1194

您好!

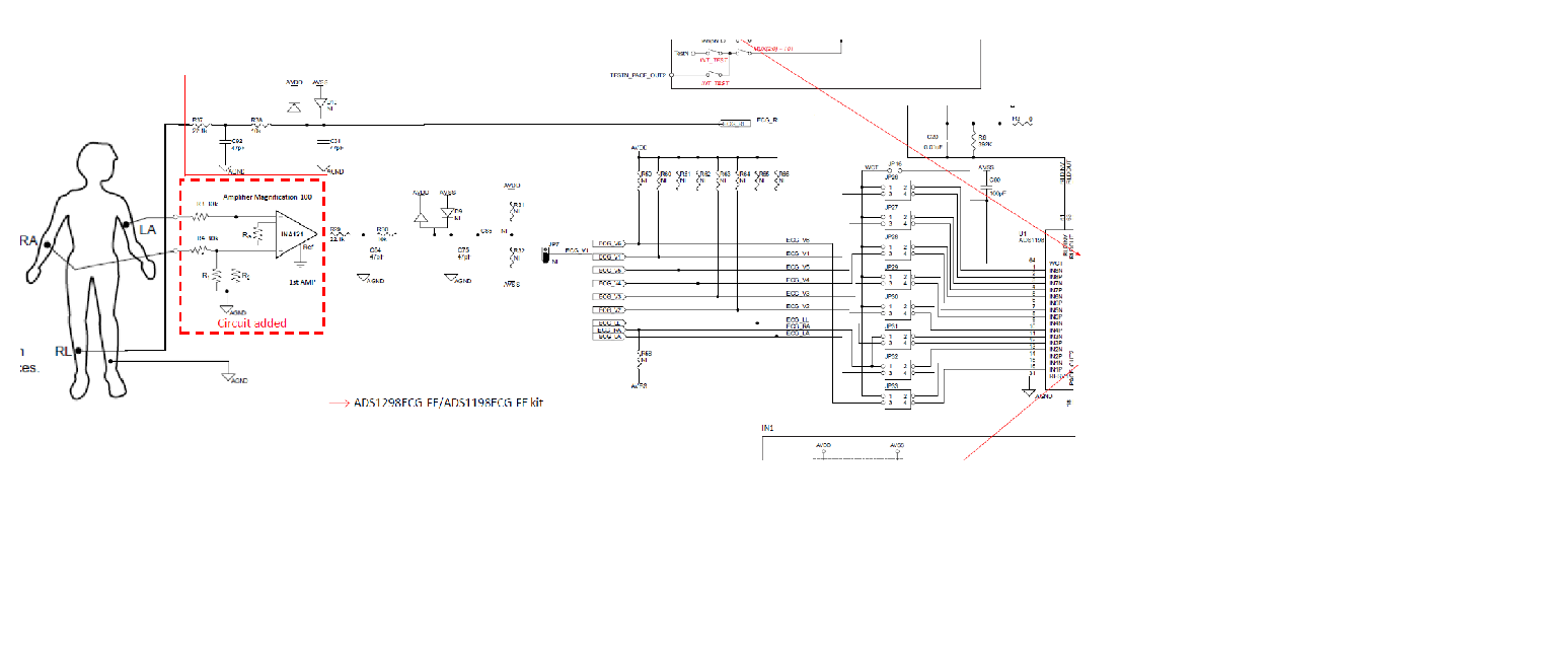
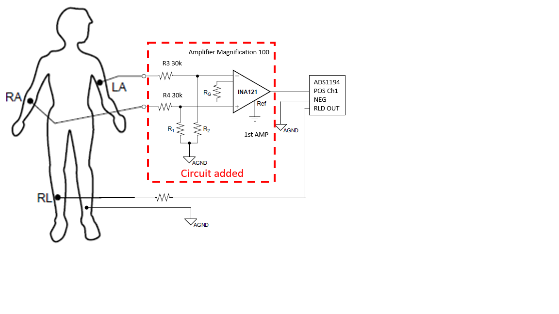
在 A/D 输入之前连接了一个差分放大器、以使用 ADS1194获得一个高分辨率心跳信号。
但是、导联脱落检测效果不好。
注意:无需差分放大器即可确认导联脱落。
显示我的连接信息。
可以给我一些建议吗?

 

  • 请注意,本文内容源自机器翻译,可能存在语法或其它翻译错误,仅供参考。如需获取准确内容,请参阅链接中的英语原文或自行翻译。

    您好、Masahiro-San、

    感谢您的发帖、欢迎来到我们的论坛。

    当外部放大器连接到输入端时、内部导联脱落检测功能无法正常工作。

    如需更多信息、请访问 我们的 BIOFAQ 主页 、其中包含相关问题和配套资料的链接。

    此致、

  • 请注意,本文内容源自机器翻译,可能存在语法或其它翻译错误,仅供参考。如需获取准确内容,请参阅链接中的英语原文或自行翻译。
    Ryan Andrews 先生、您好、 感谢您的回复。 使用 ADS119x 的导联脱落检测功能将高分辨率放大器输入通道并联到相邻通道并使用相邻通道的导联脱落功能时、是否存在任何技术问题?
  • 请注意,本文内容源自机器翻译,可能存在语法或其它翻译错误,仅供参考。如需获取准确内容,请参阅链接中的英语原文或自行翻译。

    您好、Masahiro-San、

    您是否建议使用相邻通道(即通道2)的导联脱落电流源并将其连接到 INA 的输入? 我认为这是可行的。 ECG 信号将在通道1上测量。 通道2可保持断电状态(ADC 和 PGA)、仅用于在 IN2P 和 IN2N 上提供导联脱落电流源。

    此致、

  • 请注意,本文内容源自机器翻译,可能存在语法或其它翻译错误,仅供参考。如需获取准确内容,请参阅链接中的英语原文或自行翻译。
    您好、 Ryan Andrews 先生 感谢您的早期回复。 >是否建议使用相邻通道(即通道2)的导联脱落电流源并将其连接到 INA 的输入? 是 测试产品的电路。 感谢您提供非常准确的答案。