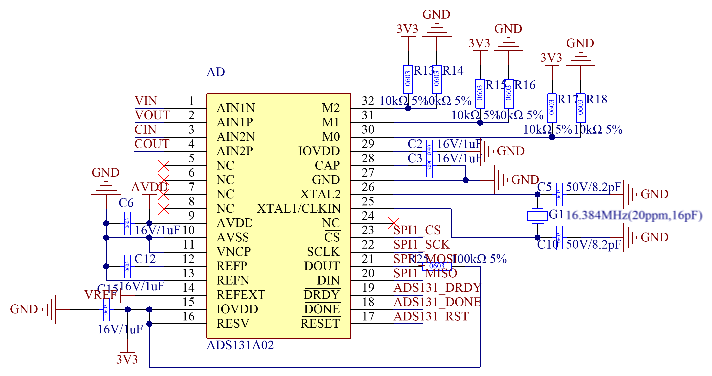
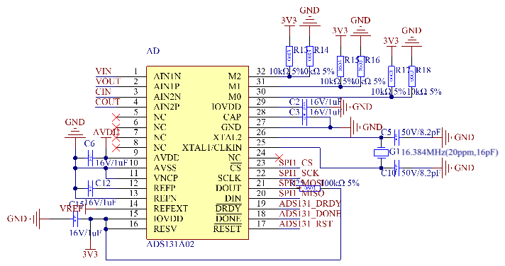
我的 M0~M2配置:
M0:连接到 IOVDD、表示在异步从模式中;
M1:接地、24位;
M2:绑定到 GND、禁用汉明码;
问题是 :DRDY 引脚在上电后输出640Hz 的脉冲、而不对芯片执行任何操作、即使它们在 MCU 中没有程序。 尽管我没有发送解锁命令 WAKEUP 命令、启用所有 ADC 通道操作、但看起来 ads131a02会自动进入转换模式。 我没有对芯片执行任何操作、但它在 DRDY 引脚上输出了640Hz 脉冲。 为什么是640Hz? 因为 当 CLK_DIV 复位时为0x04、ICLK_DIV 复位时为0x04、OSR 复位时为0x06时、我使用16.384MHz 晶体振荡器、所以它执行16.384MHz/8/400=640Hz 的转换速率。 但重点是、我没有对芯片执行任何操作、它不应该进入自动转换模式。
下面是 我设计的原理图:
这里是上电后 DRDY 引脚上的脉冲:
感谢你的帮助!


